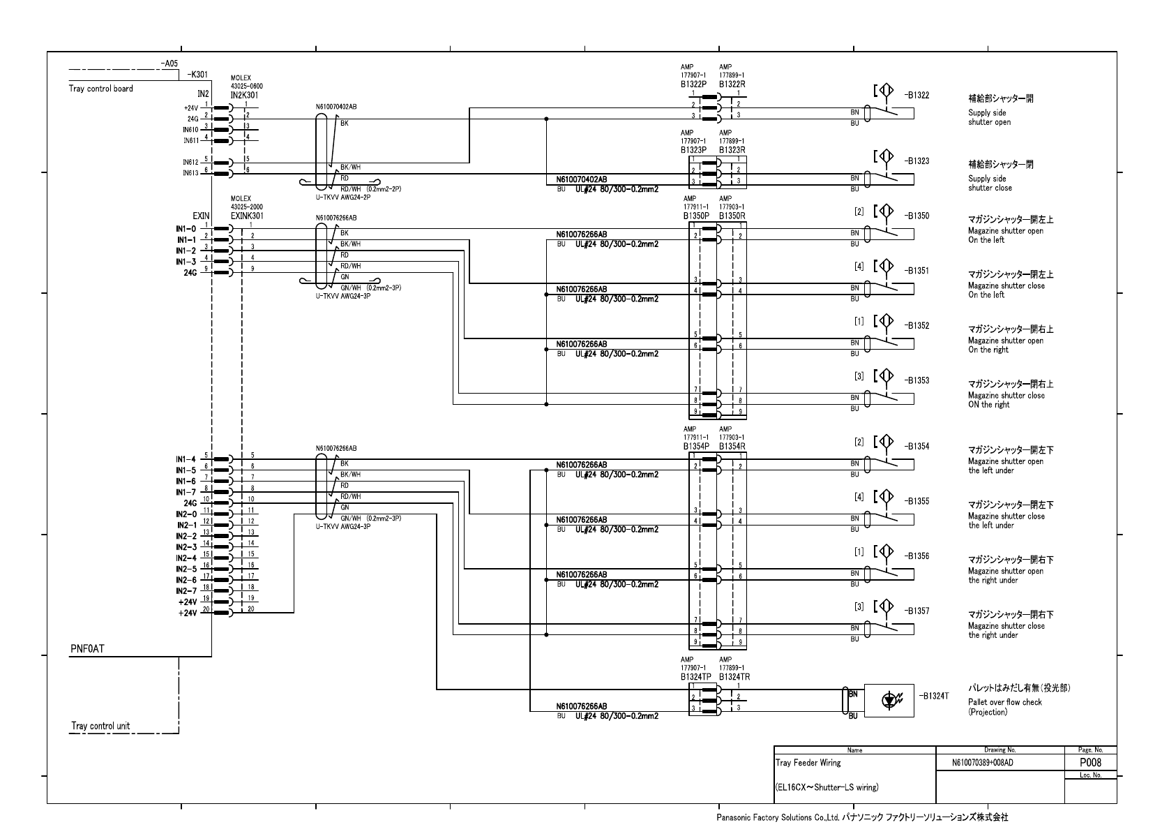
松下NPM-D3线路图手册_ - 第213页
F4K1020-05A 1 2 3 4 5 6 7 8 A B C D E F 1 2 3 4 5 6 7 8 A B C D E F

F4K1020-05A
1 2 3 4 5 6 7 8
A
B
C
D
E
F
1 2 3 4 5 6 7 8
A
B
C
D
E
F

F4K1020-05A
1 2 3 4 5 6 7 8
A
B
C
D
E
F
1 2 3 4 5 6 7 8
A
B
C
D
E
F

N610070389+010AD-7F +24A
N610070389+010AD-7F LAMP
F4K1020-05A
1 2 3 4 5 6 7 8
A
B
C
D
E
F
1 2 3 4 5 6 7 8
A
B
C
D
E
F