松下NPM-D3线路图手册_ - 第230页
在线预览 松下NPM-D3线路图手册_ PDF 文档。

4.
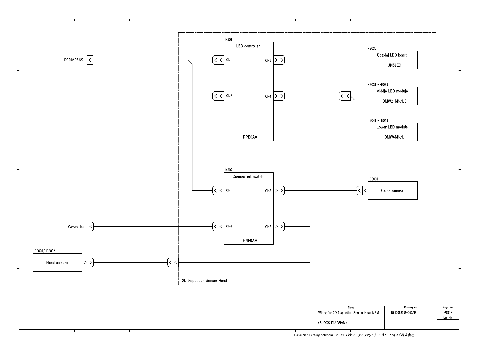
LOAD WIRING DIAGRAM OPTION
4-10 2D INSPECTION SENSOR HEAD
EJM6DB-10-410-00

F4K1020-05A
1 2 3 4 5 6 7 8
A
B
C
D
E
F
1 2 3 4 5 6 7 8
A
B
C
D
E
F
在线预览 松下NPM-D3线路图手册_ PDF 文档。

