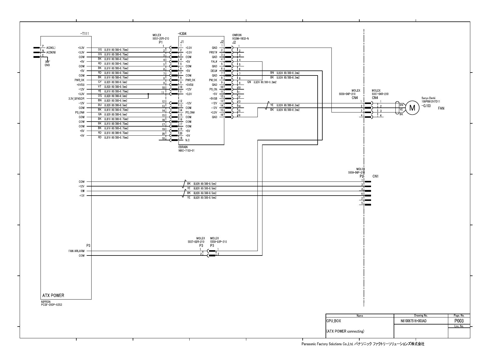
松下NPM-D3线路图手册_ - 第27页
1. C ONTROL BOX DIAGRAM 1-2 P OWER UNIT 1 EJM6DB-10-102-00

F4K1020-05A
1 2 3 4 5 6 7 8
A
B
C
D
E
F
1 2 3 4 5 6 7 8
A
B
C
D
E
F

1.
CONTROL BOX DIAGRAM
1-2 POWER UNIT 1
EJM6DB-10-102-00
1. C ONTROL BOX DIAGRAM 1-2 P OWER UNIT 1 EJM6DB-10-102-00

