松下NPM-D3线路图手册_ - 第270页
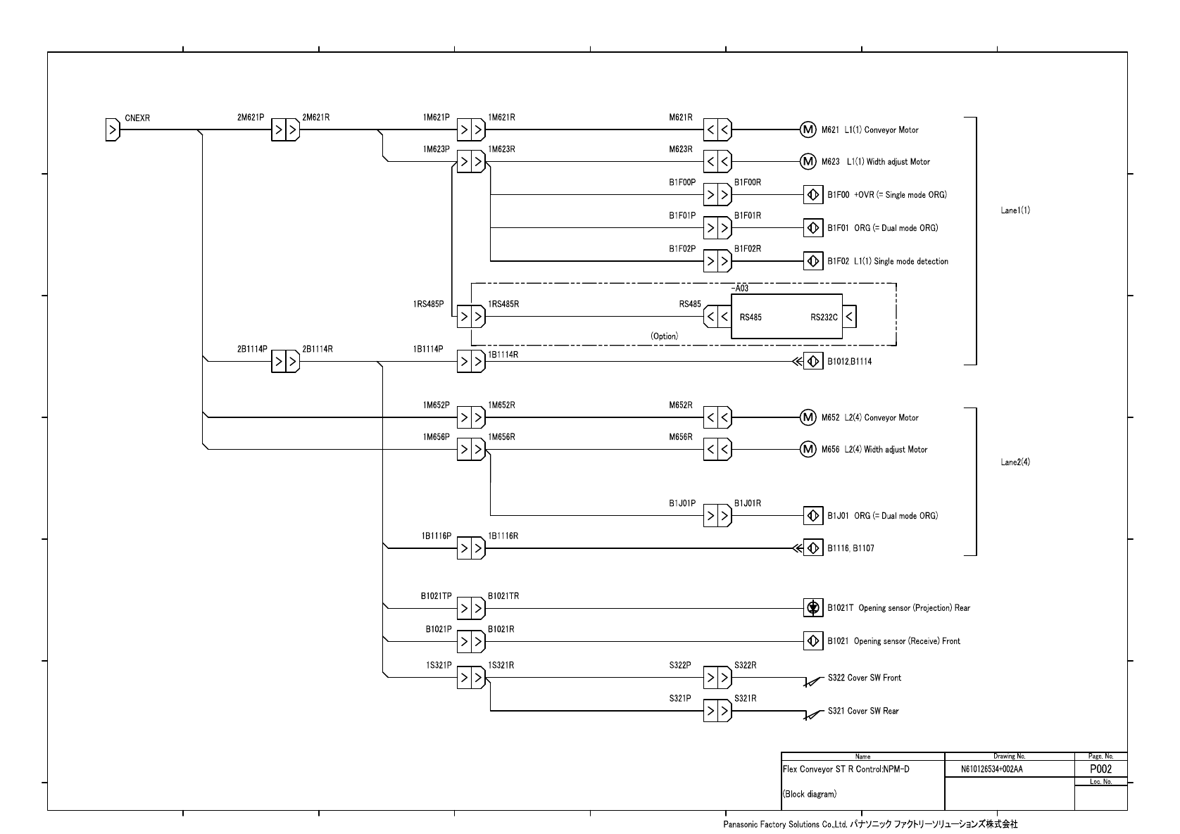
FG bit0 P24(M) G24(M) P24(C) G24(C) M-REV31 OUT120 M-SPD31 EMG_OUT10 D+MAIN D-MAIN 12VIN_R IN1R IN2R 12VOUT_R OUT1_R OUT2_R COM P24(M) G24(M) S-REV31 OUT121 S-SPD31 EMG_OUT20 D+SUB D-SUB 24VOUT…

F4K1020-05A
1 2 3 4 5 6 7 8
A
B
C
D
E
F
1 2 3 4 5 6 7 8
A
B
C
D
E
F

FG
bit0
P24(M)
G24(M)
P24(C)
G24(C)
M-REV31
OUT120
M-SPD31
EMG_OUT10
D+MAIN
D-MAIN
12VIN_R
IN1R
IN2R
12VOUT_R
OUT1_R
OUT2_R
COM
P24(M)
G24(M)
S-REV31
OUT121
S-SPD31
EMG_OUT20
D+SUB
D-SUB
24VOUT
IN114
IN116
OUT106
P24
G24
R_OPEN
IN012
IN107
OUT113
OUT143
OUT142
IN242
IN243
G24
FDCOVF-R1
FDCOVR-R2
S-PWRL1
L_OPEN
LGND
L24V
IN231
IN230
IN237
S-PWR24
→P004-2M621R
→P006-1M656R
→P006-1M652R
→P007-2B1114R
→P008-1S321R
→P008-B1021TR
→P008-S321R
F4K1020-05A
1 2 3 4 5 6 7 8
A
B
C
D
E
F
1 2 3 4 5 6 7 8
A
B
C
D
E
F

F4K1020-05A
1 2 3 4 5 6 7 8
A
B
C
D
E
F
1 2 3 4 5 6 7 8
A
B
C
D
E
F