松下NPM-D3线路图手册_ - 第280页
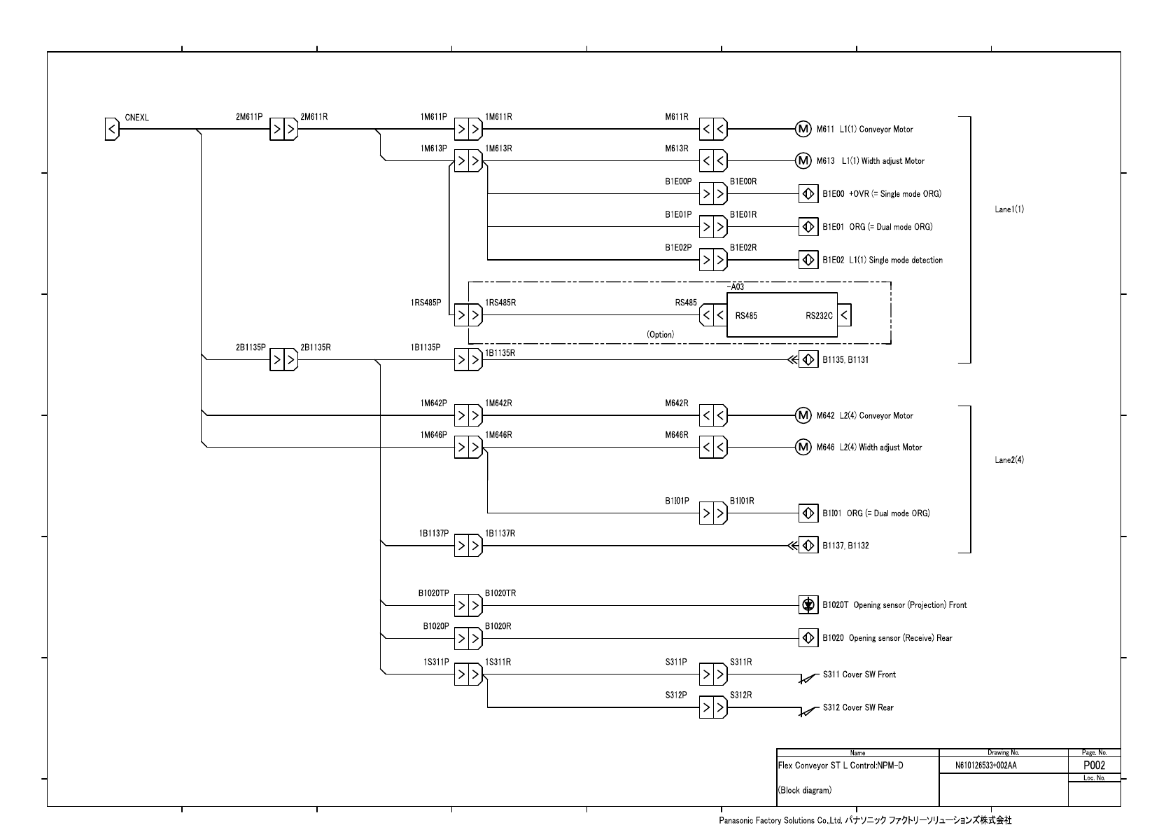
FG bit0 →P004-2M611R →P006-1M646R →P006-1M642R →P007-2B1135R →P008-1S311R →P008-B1020R →P008-S312R P24(M) G24(M) P24(C) G24(C) M-REV21 OUT122 M-SPD21 EMG_OUT11 D+MAIN D-MAIN 12VIN_…

F4K1020-05A
1 2 3 4 5 6 7 8
A
B
C
D
E
F
1 2 3 4 5 6 7 8
A
B
C
D
E
F

FG
bit0
→P004-2M611R
→P006-1M646R
→P006-1M642R
→P007-2B1135R
→P008-1S311R
→P008-B1020R
→P008-S312R
P24(M)
G24(M)
P24(C)
G24(C)
M-REV21
OUT122
M-SPD21
EMG_OUT11
D+MAIN
D-MAIN
12VIN_L
IN1L
IN2L
12VOUT_L
OUT1_L
OUT2_L
COM
P24(M)
G24(M)
S-REV21
OUT123
S-SPD21
EMG_OUT20
D+SUB
D-SUB
24VOUT
IN135
IN137
OUT107
P24
G24
L_OPEN
IN131
IN132
OT117
OUT217
OUT216
IN230
IN231
G24
FDCOVF-L1
FDCOVF-L2
K1K2OUT
R_OPEN
RGND
R24V
IN243
IN242
IN237
S-PWRL1
F4K1020-05A
1 2 3 4 5 6 7 8
A
B
C
D
E
F
1 2 3 4 5 6 7 8
A
B
C
D
E
F

F4K1020-05A
1 2 3 4 5 6 7 8
A
B
C
D
E
F
1 2 3 4 5 6 7 8
A
B
C
D
E
F