文档中心
/
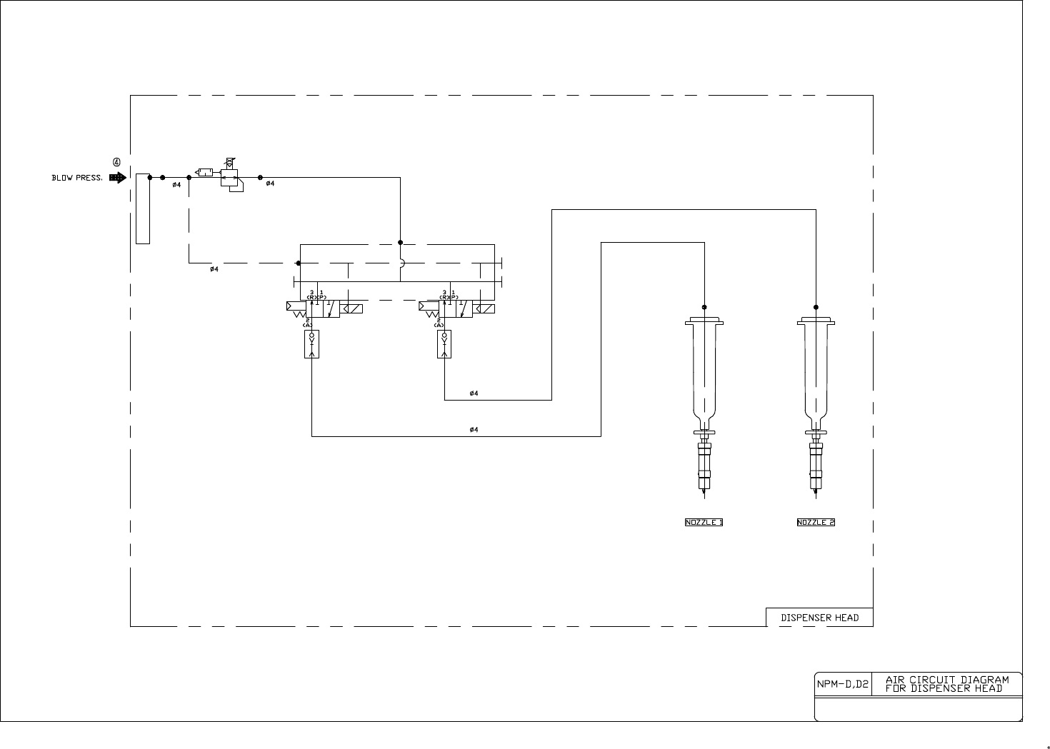
松下NPM-D3线路图手册_
松下NPM-D3线路图手册_ - 第351页
在线预览 松下NPM-D3线路图手册_ PDF 文档。
目录
100%
显示:宽度
宽度
1 / 354
回到旧版
旧版
?
该页面需要启用 JavaScript 才能进行交互式预览。