松下NPM-D3线路图手册_ - 第6页
Page 4 D00ABE-00-602-01 Other In addition to the control wiring diagram, “Jumper setting list , ” “IO map” and “Air dia- gram” are included. [Reference] “Jumper setting list” --- Confirms PCB jumpe r settings “IO map” --…

D00ABE-00-602-01 Page 3
2. Search (connector No., etc.)
. Type a connector number, etc. to search
(Use the 'Search' function of the PDF application)
. Retrieved data is shown.
Click
Retrieved connector number
Example of search

Page 4 D00ABE-00-602-01
Other
In addition to the control wiring diagram,
“Jumper setting list
,
” “IO map” and “Air dia-
gram”
are included.
[Reference]
“Jumper setting list” ---
Confirms PCB jumper settings
“IO map” ---
Confirms the input / output of loads
“Air diagram” ---
Confirms air circuits

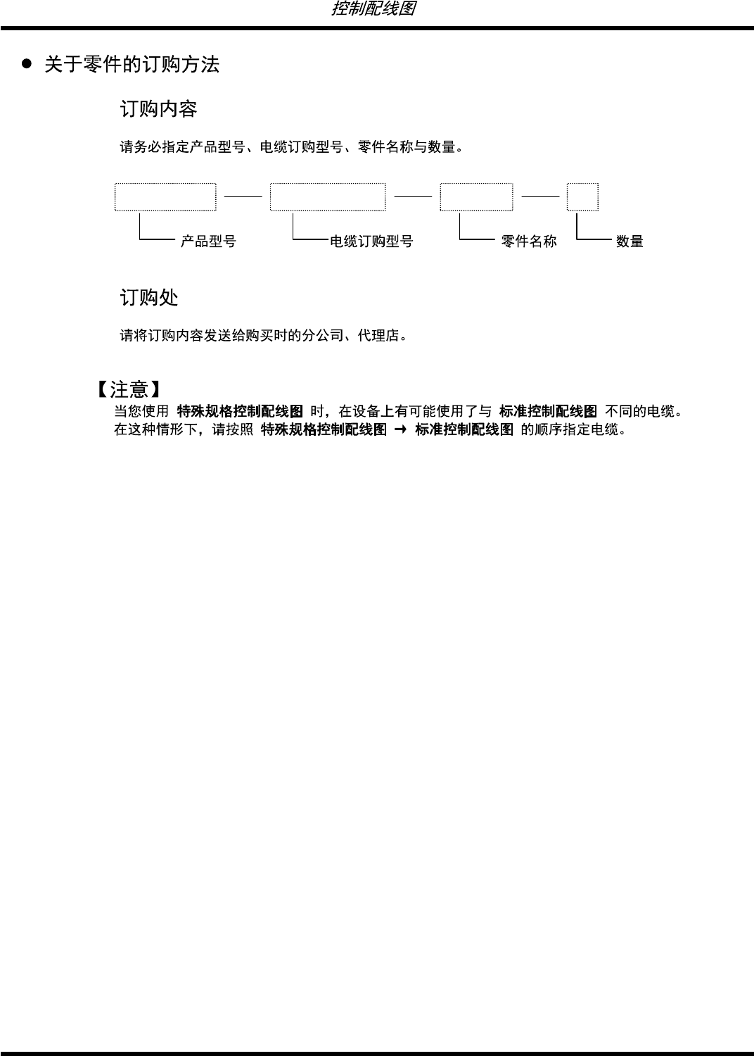
D00ABC-00-602-01 Page 1
1.
1.
2.
“ ” “ ”
“ ” “ ”
NM-EJM5D N61012345AA CABLE 1