文档中心
/
EJM9BE-AL-00W-00_N7205A058E03
EJM9BE-AL-00W-00_N7205A058E03 - 第176页
在线预览 EJM9BE-AL-00W-00_N7205A058E03 PDF 文档。
目录
100%
显示:宽度
宽度
1 / 282
回到旧版
旧版
?
EJM9BE-
TP-01W
-
00
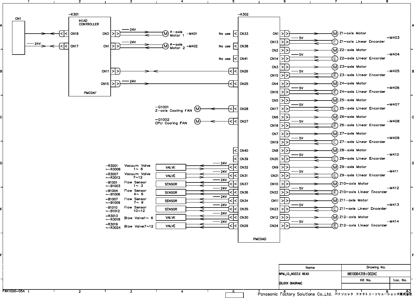
4. OPTION
4-3 12N
OZZLE HE
A
D WIRING DIA
GRA
M
该页面需要启用 JavaScript 才能进行交互式预览。