P-118-001e - 第82页
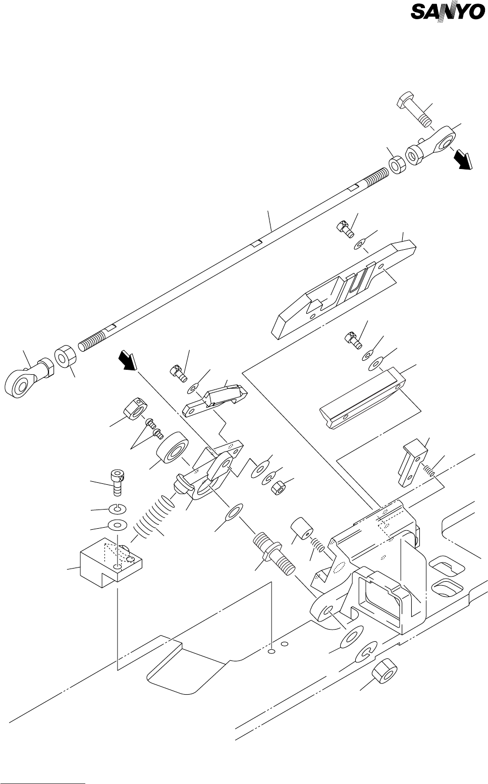
MODEL TCM-3100J 981 1-001 中間ベース部 MIDDLE BASE SECTION Fig. 4-3 カッタ Cutter 4 3 2 1 11 6 12 13 14 10 10-1 . 16 17 18 30 26 27 28 29 33 36 35 32 A A 34 9 8 7 37 38 39 See Fig.3-14 Key No.23 23 24 25 19 20 21 22

MODEL TCM-3100J
9811-001
4- 2
Key No. PART No. PART NAME Q'ty REMARKS
1 630 050 1957 PIN,HINGE 1 659EB-03B-013
2 411 141 4503 WASHER V 8X17X1.6 1 FW8
3 411 141 3100 WASHER SPR 8 1 SW8
4 411 141 0901 NUT HEX 8 1 M8
5 630 060 5853 ASSY,LEVER 1
5 -1 630 055 0023 LEVER 1 659EB-03B-012
5 -2 630 050 1971 COLLAR 1 659EB-03B-030
5 -3 630 001 1418 BEARING,RADIAL 2 659EB-03H-018
6 630 001 2170 CAM FOLLOWER 1 659EB-03H-017
7 411 141 4107 WASHER V 5X10X1 1 FW5
8 411 141 6705 WASHER SPR 5 1 SW5
9 411 141 0505 NUT HEX 5 1 M5
10 630 005 0851 BEARING,PARTS 1 659EB-03H-019
11 630 050 5276 GUIDE 1 659EB-03H-002
12 630 074 7829 LEVER 1 659EB-03B-011
13 630 000 7619 BOLT,HEX-SCT 2 M4X8
14 411 141 2806 WASHER SPR 3 8 SW3
15 630 000 7503 BOLT,HEX-SCT 8 M3X6
16 630 048 9316 SPRING,COMP 1 659EB-03H-009
17 630 048 4984 LEVER 1 659EB-03B-010
18 630 052 0965 PIN,GUIDE 1 659EB-03B-036
19 630 000 7503 BOLT,HEX-SCT 2 M3X6
28 630 059 7059 SUPPORT 1 659EB-03B-033
29 411 141 6705 WASHER SPR 5 2 SW5
30 630 000 7749 BOLT,HEX-SCT 2 M5X10
31 630 052 0972 ROD 1 659EB-03B-014
32 630 059 7868 WASHER 1 659EB-03H-041
33 630 059 7875 SPRING,COMP 1 659EB-03H-040
34 630 059 7035 GUIDE 1 659EB-03B-031
35 630 000 9743 NUT,HEX 1 M6-L
36 630 001 1067 ROD END 1 659EB-03H-022
36 630 052 7186 ROD END 1
37 630 048 9330 ROD END 1 659EB-03H-023
37 630 052 7117 ROD END 1
38 411 141 0703 NUT HEX 6 1 M6
39 630 048 5035 ROD 1 659EB-03B-015
40 630 000 9743 NUT,HEX 1 M6-L
41 630 032 7403 BOLT,HEX 1 659EB-03H-021
42 411 141 4305 WASHER V 6X12.5X1.6 1 FW6
43 411 141 3001 WASHER SPR 6 1 SW6
44 411 141 0703 NUT HEX 6 1 M6
45 630 032 7403 BOLT,HEX 1 659K--03H-029
46 411 141 4305 WASHER V 6X12.5X1.6 1 FW6
47 411 141 3001 WASHER SPR 6 1 SW6
48 411 141 0703 NUT HEX 6 1 M6
NOTE

MODEL TCM-3100J
9811-001
中間ベース部 MIDDLE BASE SECTION
Fig. 4-3 カッタ Cutter
4
3
2
1
11
6
12
13
14
10
10-1
.
16
17
18
30
26
27
28
29
33
36
35
32
A
A
34
9
8
7
37
38
39
See Fig.3-14
Key No.23
23
24
25
19
20
21
22

MODEL TCM-3100J
9811-001
4- 3
Key No. PART No. PART NAME Q'ty REMARKS
1 630 002 3169 SPRING,COMP 1 659EB-03H-039
2 630 033 6450 PIN,GUIDE 1 659EB-03H-038
3 630 002 2315 SPRING,COMP 2 659EB-03H-010
4 630 051 8528 PLATE 1 659EB-03H-001
6 630 048 4946 PIN,HINGE 1 659EB-03B-006
7 411 141 4701 WASHER V 10X21X2 1 FW10
8 411 141 3209 WASHER SPR 10 1 SW10
9 411 141 1106 NUT HEX 10 1 M10
10 630 037 2526 BEARING,PARTS 1 659EB-03H-004
10 630 037 2533 BEARING,PARTS 1 659EB-03H-005
10 630 037 2540 BEARING,PARTS 1 659EB-03H-006
10 -1 630 076 0484 RING 5 659EB-03H-042
11 630 048 4922 LEVER 1 659EB-03B-004
12 630 001 1289 BEARING,RADIAL 1 659EB-03H-003
13 411 051 1708 SCR TRS 4X6 2 M4X6 TRS
14 630 005 0875 BEARING,PARTS 1 659EB-03H-007
16 630 073 8841 PLATE 1 659EB-03B-005
17 411 141 6705 WASHER SPR 5 2 SW5
18 630 000 7732 BOLT,HEX-SCT 2 M5X8
19 630 070 9384 PLATE 1 659EB-03B-002
20 411 141 4107 WASHER V 5X10X1 2 FW5
21 411 141 6705 WASHER SPR 5 2 SW5
22 630 000 7763 BOLT,HEX-SCT 2 M5X16
23 630 048 4915 PLATE 1 659EB-03B-003
24 411 141 6705 WASHER SPR 5 2 SW5
25 630 000 7756 BOLT,HEX-SCT 2 M5X12
26 630 048 4977 BLOCK 1 659EB-03B-009
27 411 141 4305 WASHER V 6X12.5X1.6 2 FW6
28 411 141 3001 WASHER SPR 6 2 SW6
29 630 000 7893 BOLT,HEX-SCT 2 M6X20
30 630 048 9309 SPRING,COMP 1 659EB-03H-008
32 411 141 0901 NUT HEX 8 1 M8
33 630 056 7700 ROD 1 659EB-03B-007
34 630 000 9767 NUT,HEX 1 M8-L
35 630 055 3598 ROD END 1 659EB-03H-011
36 630 048 4960 PIN,HINGE 1 659EB-03B-008
37 411 141 4503 WASHER V 8X17X1.6 1 FW8
38 411 141 3100 WASHER SPR 8 1 SW8
39 411 141 1007 NUT HEX 8 1 M8-3
NOTE