3732445-5F_VT-S500_MaintenanceManual(C)PDFA.pdf - 第39页
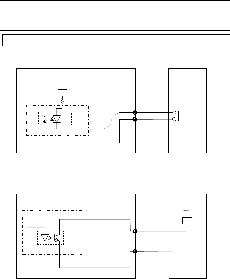
2.4 上下游 I/F 2- 13 2.4.3 输入输出内部连接 输入模式 流经该装置内的非接触 式继电器的最 大电流为 10mA 。 注: IN -COM 是上下游所有输入的公共端。 输出模式 上下游装置最大流经电 流为 500mA 。 注: OUT-COM 是各输出单独的接地点。 该装置 上下 游装置 输入部分 IN IN_COM ※ GND 24V 上 下游装置 输出部分 OUT OUT_COM ※ VCC 负载

第 2 章 装置规格
2-12
2.4.2 上下游连接器规格
上游
Pin No.
I/O
信号名
(标准规格)
备注
1
O
上游 READY
2
-
OUT_COM1
(Pin No.1 的通用引
脚)
3
I
上游 END
4
-
IN_COM
(Pin No.3 的通用引
脚)
5
-
-
6
-
-
7
-
-
8
-
-
9
-
-
10
-
-
11
-
-
12
-
-
13
-
-
14
-
-
下游侧
Pin No.
I/O
信号名
(标准规格)
备注
1
I
下流 READY
2
-
IN_COM
(Pin No.1 的通用引
脚)
3
O
結果 A
4
-
OUT_COM3
(Pin No.3、5 的通用
引脚)
5
O
結果 B
6
-
-
7
-
-
8
-
-
9
-
-
10
-
-
11
-
-
12
-
-
13
-
-
14
-
-
检查装置侧的连接器(S500)
连接器 206043-1(AMP)
接触件 66105-3 (AMP)
外接设备指定连接器(LD)
连接器 206044-1(AMP)
连接器外壳 206070-1(AMP)
引脚 170250-1(AMP)
检查装置侧的连接器(S500)
连接器 206043-1(AMP)
接触件 66105-3 (AMP)
外接设备指定连接器(UNLD)
连接器 206044-1(AMP)
连接器外壳 206070-1(AMP)
引脚 170250-1(AMP)

2.4 上下游 I/F
2-13
2.4.3 输入输出内部连接
输入模式
流经该装置内的非接触式继电器的最大电流为 10mA。
注:IN-COM 是上下游所有输入的公共端。
输出模式
上下游装置最大流经电流为 500mA。
注:OUT-COM 是各输出单独的接地点。
该装置
上下游装置
输入部分
IN
IN_COM※
GND
24V
上下游装置
输出部分
OUT
OUT_COM※
VCC
负载

第 2 章 装置规格
2-14
2.5 RS-232C 通信规格
通信内容支持如下项目。
・基板 ID 读码器
・上位机链接通信
使用注意
上位机
链
接通信在双
轨规
格下无法运行。
2.5.1 通信方式
通信方式取决于主机 AT 交换机 RS-232C 的规格。基板规格如下:
通信方式
全双工同步通信
数据位
8、7bit
起始位
1bit
停止位
1、2bit
奇偶
偶数、奇数、无
比特率
600、1,200、2,400、4,800、9,600、19,200bps
流量控制
无、RTS/CTS
2.5.2 传输的数据形式
数据均以 ASCII 形式的字符串传输。
用' CR '作为 1 个文本的结束标记。。
1 个传输文本的长度包含' CR '在内最多 255 字以内。但是,不同的通信规格有不同的限制。
ASCII 形式的字符串
CR
最大 255 字