YG300_KHN_j - 第41页
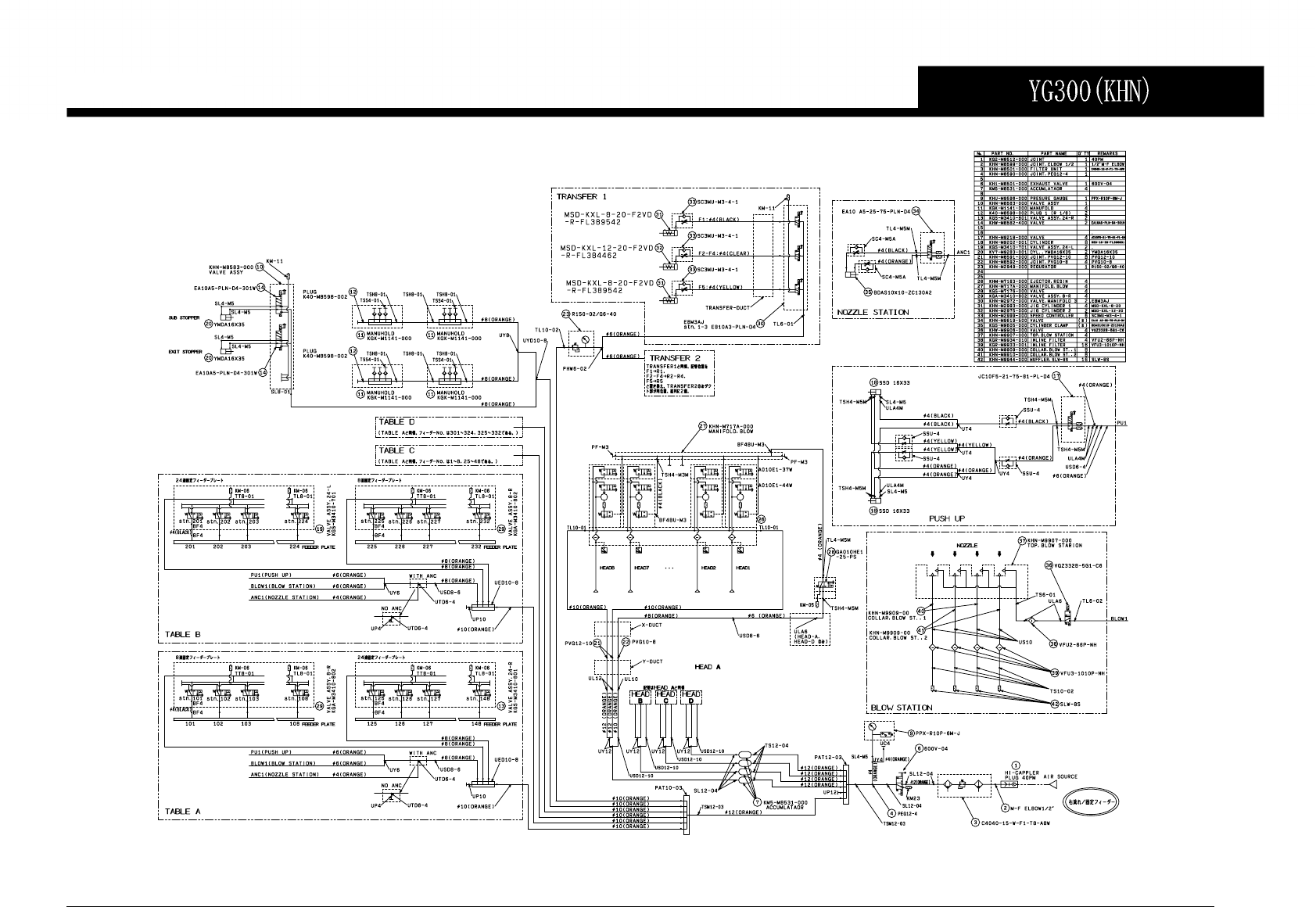
P AGE 39 Condential & Proprietary Air circuit H 0 1 0 9 1 8


PAGE
39
Condential & Proprietary
Air circuit
H 0 1 0 9 1 8

PAGE
40
Condential & Proprietary
Air circuit
H 0 1 0 9 1 8
P AGE 39 Condential & Proprietary Air circuit H 0 1 0 9 1 8


