YS12_线路图__ - 第15页
C o n f i d e n t i a l & P r o p r i e t a r y P AG E W5 1 V5 1 U5 1 NF11 MAX250V/10A E E 1 2 3 4 5 6 W5 2 V5 2 U5 2 FG 600W GS31 FG L N + - 7A Peak 15.5A 10sec J0 091 J0 078 AC IN AC 100 V: CON TRO L MO TOR PO WER …

Confidential & Proprietary
PAGE
200V 208V 220V 240V 380V 400V 416V
N
W50
V50
U50
N
W50
V50
U50
200V 208V 220V 240V 380V 400V 416V
N
W50
V50
U50
N
W50
V50
U50
V10
U10
V10
U10
V10
U10
V10
U10
V10
U10
V10
U10
V10
U10
N
W50
V50
U50
N
W50
V50
U50
N
W50
V50
U50
R2
R2
R2
R2
R2
R2
R2
S2
S2
S2
S2
S2
S2
S2
T2
T2
T2
T2
T2
T2
T2
TM11:The selection of POWER SOURCE 1.7KVA
TM11
240V
220V
208V
200V
190V
0V
240V
220V
208V
200V
190V
0V
240V
220V
208V
200V
190V
0V
240V
220V
208V
200V
190V
0V
240V
220V
208V
200V
190V
0V
240V
220V
208V
200V
190V
0V
230V
230V
230V
W
V
U
1.7KVA
TM11
240V
220V
208V
200V
190V
0V
240V
220V
208V
200V
190V
0V
240V
220V
208V
200V
190V
0V
240V
220V
208V
200V
190V
0V
240V
220V
208V
200V
190V
0V
240V
220V
208V
200V
190V
0V
230V
230V
230V
W
V
U
1.7KVA
TM11
240V
220V
208V
200V
190V
0V
240V
220V
208V
200V
190V
0V
240V
220V
208V
200V
190V
0V
240V
220V
208V
200V
190V
0V
240V
220V
208V
200V
190V
0V
240V
220V
208V
200V
190V
0V
230V
230V
230V
W
V
U
1.7KVA
TM11
240V
220V
208V
200V
190V
0V
240V
220V
208V
200V
190V
0V
240V
220V
208V
200V
190V
0V
240V
220V
208V
200V
190V
0V
240V
220V
208V
200V
190V
0V
240V
220V
208V
200V
190V
0V
230V
230V
230V
W
V
U
1.7KVA
TM11
240V
220V
208V
200V
190V
0V
240V
220V
208V
200V
190V
0V
240V
220V
208V
200V
190V
0V
240V
220V
208V
200V
190V
0V
240V
220V
208V
200V
190V
0V
240V
220V
208V
200V
190V
0V
230V
230V
230V
W
V
U
1.7KVA
TM11
240V
220V
208V
200V
190V
0V
240V
220V
208V
200V
190V
0V
240V
220V
208V
200V
190V
0V
240V
220V
208V
200V
190V
0V
240V
220V
208V
200V
190V
0V
240V
220V
208V
200V
190V
0V
230V
230V
230V
W
V
U
1.7KVA
TM11
240V
220V
208V
200V
190V
0V
240V
220V
208V
200V
190V
0V
240V
220V
208V
200V
190V
0V
240V
220V
208V
200V
190V
0V
240V
220V
208V
200V
190V
0V
240V
220V
208V
200V
190V
0V
230V
230V
230V
W
V
U
1.7KVA
100V
100V
0V
0V
100V
100V
0V
0V
100V
100V
0V
0V
100V
100V
0V
0V
100V
100V
0V
0V
100V
100V
0V
0V
100V
100V
0V
0V
240V
0V
190V
200V
208V
220V
240V
0V
190V
200V
208V
220V
0V
100V
TC11
240V
0V
190V
200V
208V
220V
240V
0V
190V
200V
208V
220V
0V
100V
TC11
240V
0V
190V
200V
208V
220V
240V
0V
190V
200V
208V
220V
0V
100V
TC11
240V
0V
190V
200V
208V
220V
240V
0V
190V
200V
208V
220V
0V
100V
TC11
240V
0V
190V
200V
208V
220V
240V
0V
190V
200V
208V
220V
0V
100V
TC11
240V
0V
190V
200V
208V
220V
240V
0V
190V
200V
208V
220V
0V
100V
TC11
240V
0V
190V
200V
208V
220V
240V
0V
190V
200V
208V
220V
0V
100V
TC11
1.5KVA 1.5KVA 1.5KVA 1.5KVA 1.5KVA 1.5KVA 1.5KVA
R2
S2
R2
S2
R2
S2
R2
S2
R2
S2
R2
S2
R2
S2
TC11:The selection of POWER SOURCE 1.5KVA(STD)/1.75KVA(with UPS)
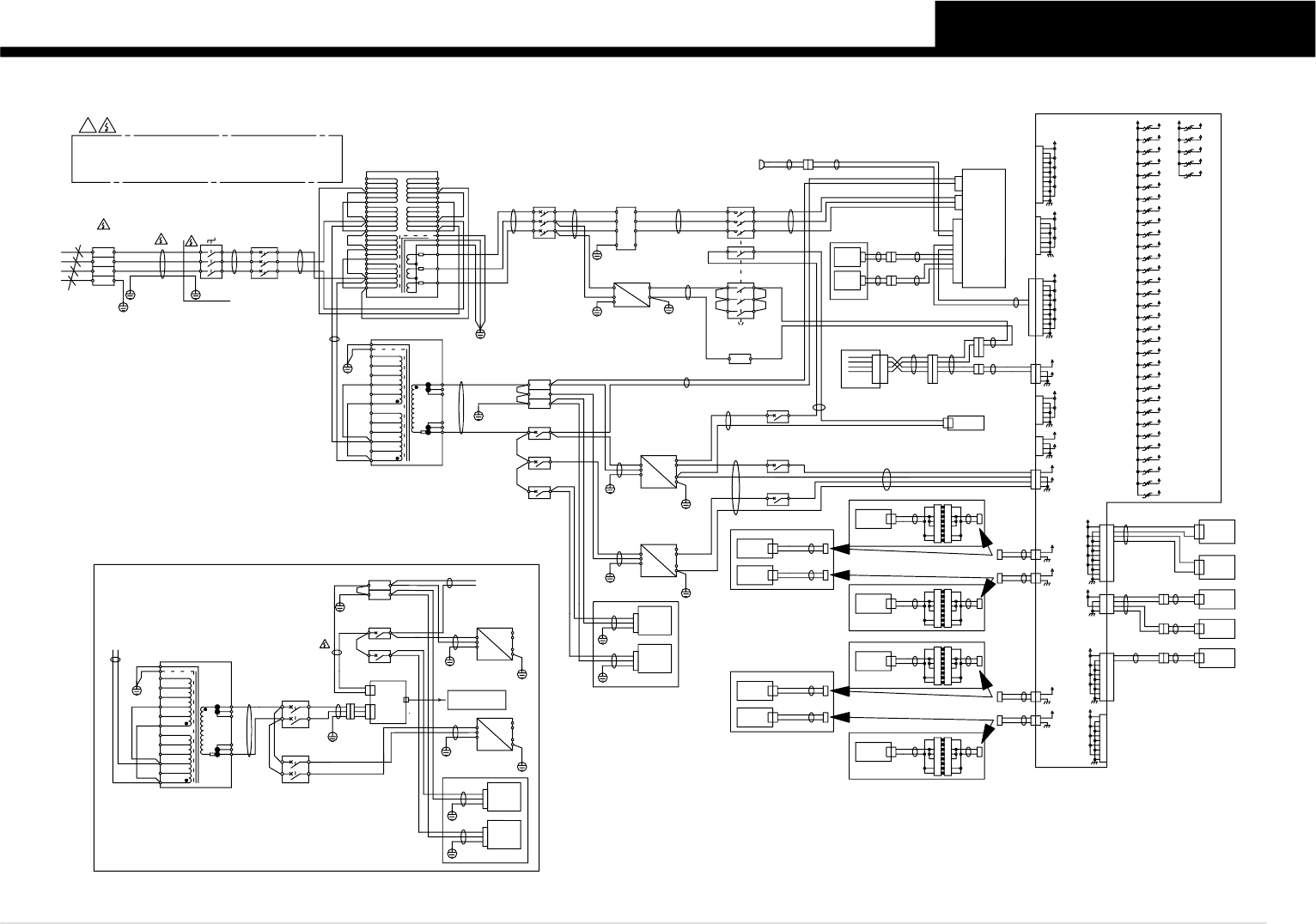
KHY-000-CC.V0
12
POWER TRANSFOMER
YS12(KHY)

Confidential & Proprietary
PAGE
W51
V51
U51
NF11
MAX250V/10A
E E
1
2
3
4
5
6
W52
V52
U52
FG
600W
GS31
FG
L
N
+
-
7A
Peak 15.5A 10sec
J0091
J0078
ACIN
AC100V:CONTROL
MOTOR
POWER
A1
B1
A2
B2
CONTROL BOX A1
See Page2
J0052
2
1
2
1
J0028
HA1
BUZZER
V50
U50
W50
J0010
J0011
J0012
J0013
J0014
J0015
J0020
J0016
J0017
J0077
J0076
J0075
W
V
U
TM11
240V
220V
208V
200V
190V
0V
240V
220V
208V
200V
190V
0V
240V
220V
208V
200V
190V
0V
240V
220V
208V
200V
190V
0V
240V
220V
208V
200V
190V
0V
240V
220V
208V
200V
190V
0V
N
QS11
L1
L2
L3
T1
T2
T3
MAX690V/25A
T1
T2
T3
L1
L2
L3 T2
S2
R2
T1
T2
T3
L1
L2
L3
T1
S1
R1
MAX690V
NOTE:
Icu≧6KA(AC440V)
QF11 20A(x20)
J0001 J0003
J0006
J0110
3
2
1
3
2
1
W51
V51
U51
W50
V50
U50
J0004
U51
V51
QF31 5A
230V
230V
230V
1.7KVA
+48A
0V48
AC230V: DRIVE
S2
R2
T2
L1
L2
L3
PE
L1
L2
L3
J0001
≧2.5mm
2
J0097
BRACKET MAIN SWITCH
J0005
Residual risk
・Secondary side of UPS.
* when MAIN SW QS11 is OFF.
・Primary side OF MAIN SW QF11.
!
High Voltage
・Chemical capacity for motor power in CONTROL BOX A1.
XB11
MAX750V/40A
W54
V54
U54
6/T35/L3
3/L2
2/T11/L1
4/T2
MAX660V/13A
4/T2
5/L3
3/L2
1/L1
MAX690V/6A
2/T1
6/T3
73 74 CONV+24E
W52
V52
U52
KM11
KM11A
KM12
CONV+24V
+48A +48V
J0007
・
A6
B6
A7
B7
A8
B8
EXT.PWR
TOUCH
PANEL
TOUCH
PANEL
OPTION
LCD2
LCD1
J0234
J0235
1
2
1
2
1
2
1
2
+12V
J0252
J0253
+12V
・
B10
EMERGENCY CIRCUIT
See Page 14
CN27
+24VF5
A5
B5
A4
B4
A3
B3
A2
B2
A1
B1
A5
B5
A4
B4
A3
B3
A2
B2
A1
B1
A6
B6
A6
B6
J0028
J0055H+48V
1 1
A5
B5
A4
B4
A3
B3
A2
B2
A1
B1
A6
B6
CN26
+24VS2
7
8
5
6
3
4
2
1
CN34
+24E
J0027
2
1
5
3
4
・
10
11
2
1
5
3
4
・
10
11
1
2
1
2
+24V
FDR CTRL BOARD ASSY
CN36
1
2
1
2
1
2
+24V
FDR CTRL BOARD ASSY
CN36
1
2
1
2
1
2
+24V
FDR CTRL BOARD ASSY
CN36
1
2
2
1
5
3
4
・
10
11
2
1
5
3
4
・
10
11
1
2
1
2
+24V
FDR CTRL BOARD ASSY
CN36
1
2
・
10
11
・
10
11
FIX60 REAR FEEDER
R1
R2
J0773
J0774
FES24 REAR-1 FEEDER
R1
FES24 REAR-2 FEEDER
R2
P105
P106
2
1
+24VD3
2
11
2
+24V
J0756 CN30
2
1
+24VD4
2
11
2
+24V
J0757 CN31
J0792J0791
J0795 J0796
9
10
2
1
3
4
5
6
7
8
+24VF6
CN35
1
2
1
2
1
2
1
2
CN10
J0056
ANC CTRL BOARD ASSY
P018
J0051
+24V
9
10
7
8
5
6
3
4
2
1
+24VF7
CN36
9
10
7
8
5
6
3
4
2
1
1
2
1
2
1
2
1
2
+24V
CN1
J0901
FRONT FEEDER SET STATION
P107
FDR ST BOARD ASSY
FRONT
1
2
1
2
1
2
1
2
+24V
CN1
FRONT FEEDER SET STATION
FDR ST BOARD ASSY
REAR
J0902
1 1
2 2
3 3
CN4
P061
FRONT
DIGITAL MALTI CAMERA 1 ASSY
+24V
1 1
2 2
3 3
CN4
DIGITAL MALTI CAMERA 2 ASSY
REAR
P071
+24V
See Page 3 - 5
BOARD ASSY
I/O CONV.
P025
+24V
+24VA0
+24VA1
+24VA2
+24VA3
+24VA4
+24VA5
+24VA6
+24VA7
+24VA8
+24VA9
+24VAA
+24VAB
+24VAD
+24VAE
+24VAF
+24VAG
+24VB1
+24VB2
+24VB3
+24VB4
+24VB6
+24VC1
+24VC2
3.0A
+24VF1
+24VF3
+24VF4
+24VF5
+24VF6
+24VF7
+24VS1
+24VS2
+24VS3
0.9A
0.9A
0.9A
0.9A
0.9A
0.9A
0.9A
0.9A
0.9A
0.9A
0.9A
0.9A
0.9A
0.9A
0.9A
0.9A
1.35A
1.35A
0.3A
1.35A
2.5A
2.5A
2.5A
1.35A
2.5A
2.5A
1.35A
1.35A
2.5A
2.5A
0.5A
+24VD2
+24VD3
+24VD4
+24VD5
+24VD1
+24V2
6.0A
6.0A
6.0A
6.0A
2.5A
P105
P106
P109
F.MULTI CAM. SUB ASSY
R.MULTI CAM. SUB ASSY
LCD2
STD.
V10
FG
V10
FG
U11B
U11B
J0025
J0018
TC11
R2
S2
J0070
J0069
J0019
1.5KVA
0V
0V
100V
100V
U10
V10
J0021
0V24B
0V24A
0V24A
J0023
U11A
V10
FG
U11A
V10
U11C
1
2
+24V+24A
J0046
3
4
+
FG
V10
FG
N
L
-
-
600W 27A
+
GS22
J0031
J0093
+24B
FDR+24V+24B
J0046
V10
U11C
J0030
J0022
J0080
J0026
J0029
QF41 7A
QF21 7A
FIX60 FRONT FEEDER
GS21
+
FG
N
L
-
-
+
300W 14A
J0009
+24A
J0092
+24A
J0024
LCD1
+24VB6
+24VF4
CN45
A1
B1
A2
B2
CN44
+24VS1
A1
B1
A2
B2
A3
B3
CN28
+24VC2
A6
B6
A6
B6
A1
B1
A2
B2
A3
B3
A4
B4
A5
B5
A1
B1
A2
B2
A3
B3
A4
B4
A5
B5
J0049
J0045CN29
+24VD5
A1
B1
A2
B2
A1
B1
A2
B2
F2
J0787 J0788
P104
FES24 FRONT-2 FEEDER
2
1
CN36
FDR CTRL BOARD ASSY
+24V
2
1
2
1
4
3
5
2
1
4
3
5
2
1
2
1
+24VD2
2
11
2
+24V
CN38J0755
2
1
+24VD1
CN37
2
1
J0754
1
2
+24V
J0772
P104
F2
2
1
CN36
FDR CTRL BOARD ASSY
+24V
2
1
2
1
J0771
2
1
P103
CN36
F1
FDR CTRL BOARD ASSY
+24V
2
1
2
1
J0784
2
1
FES24 FRONT-1 FEEDER
J0783
P103
CN36
F1
FDR CTRL BOARD ASSY
+24V
2
1
2
1
11
10
・
4
3
5
2
1
11
10
・
4
3
5
2
1
+24V2
+24V
XT21
CN1
4
3
2
V10
V10
V10
U10
1
U11A
V10
V10
33
4
2
4
2
B3
A3
B2
A2
B1
A1
B3
A3
B2
A2
B1
A1
P041
GND+48V
GND+24V
I/O HEAD
+24V
+48V
CN1
J0044 J0043
4
1
6
2
3
HEAD PWR
6
4
3
2
1
5 5
CN43
+24VC1
+24VF3
3
4
1
2
2
1
4
3
2
1
2
1
H+24V J0042
XT31
0V48 0V48
0V48
See Page 12
See Page 12
(45℃10.5Amax)
(45℃17.5Amax)
J0047
P011
CONV+24V
J0047
+24A+24A+24A
1
2
DCN1
CONVEYOR
DRIVER2
1
QF25 4A
(45℃3.5Amax)
QF23 12A
QF24 20A
U11B
U11B
QF22 1A
V10
V10
MAX660V/22A
MAX660V/22A
240V
0V
190V
200V
208V
220V
0V
100V
240V
0V
190V
200V
208V
220V
J0009
J0094
+
-
-
600W 27A
+L
N
FG
FG
V10
U11A
J0023
J0092
300W 14A
+
-
-
L
N
FG
+
GS21
LCD2
STD.
J0025
J0024
U11B
U11B
FG
V10
FG
V10
LCD1
GS22
See Page 2
XT21
U11C
J0031
FG
U11B
V10
U10
J0753
J0080
V10
V10
QF22 1A
U11B
V10
V10
QF21 7A
V10
V10
U11A
U11A
J0029
J0030
100V
100V
0V
0V
240V
0V
190V
200V
208V
220V
240V
0V
190V
200V
208V
220V
0V
100V
TC11
R1
J0027
J0019
J0018
U10B
J0021
V10B
QF61 15A
QF62 7A
U10B
V10B V10A
U10A
J0026
J0022
U11C
UPS IN
UPS OUT
GB1
UPS
SIGNAL
J0751
J0752
CONTROL BOX (EXT POWER)
1.75kVA
V10C
V10C
MAX660V/22A
S2
J0069
J0070
At the UPS specification
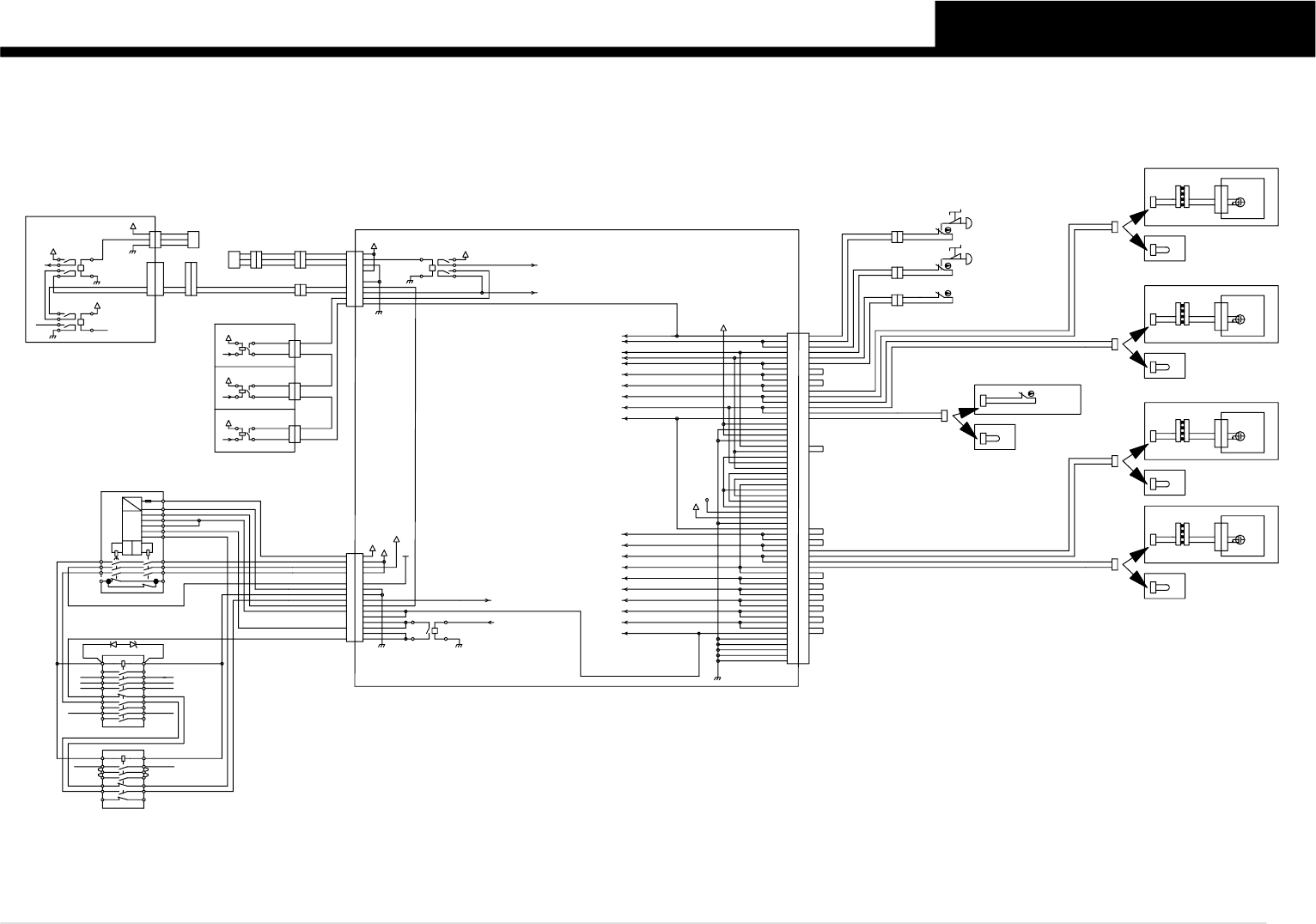
KHY-000-CC.V0
13
POWER CIRCUIT
YS12(KHY)

Confidential & Proprietary
PAGE
1
2
R2 FDR EMG
2
1
EMG
2
1
FDR EMG
FIX60 REAR FEEDER
8
9
1
・
8
9
1
・
P106
R2
1
8
・
9
1
8
・
9
CN33
1010
FET
FDR CTRL BOARD ASSY
1
2
2
1
EMG
2
1
FDR EMG
8
9
1
・
8
9
1
・
1
8
・
9
1
8
・
9
CN33
1010
FET
FDR CTRL BOARD ASSY
1
2
2
1
EMG
2
1
FDR EMG
8
9
1
・
8
9
1
・
1
8
・
9
1
8
・
9
CN33
1010
FET
FDR CTRL BOARD ASSY
1
2
R1 FDR EMG
2
1
EMG
FES24 REAR-1 FEEDER
2
1
FDR EMG
FIX60 REAR FEEDER
8
9
1
・
8
9
1
・
R2
1
8
・
9
1
8
・
9
CN33
1010
FET
FDR CTRL BOARD ASSY
F1 FDR EMG
F2 FDR EMG
FES24 FRONT-1 FEEDER
FIX60 FRONT FEEDER
FIX60 FRONT FEEDER
F1
P103
F2
P104
P105
FES24 REAR-2 FEEDER
A1
B1
A2
B2
A3
B3
REAR EMG SW
FRONT EMG SW
A1
B1
A2
B2
A3
B3
FRONT COVER SW
REAR COVER SW
A4
B4
A5
B5
A6
B6
A7
B7
A8
A4
B4
A5
B5
A6
B6
A7
B7
A8
B8
A9
B8
A9
B9
A10
B10
A11
B11
A12
B12
A13
B13
A14
B14
A15
B15
A16
B16
A17
B17
A18
B18
A19
B19
A20
B20
A21
B9
A10
B10
A11
B11
A12
B12
A13
B13
A14
B14
A15
B15
A16
B16
A17
B17
A18
B18
A19
B19
A20
B20
A21
B21
A22
B21
A22
B22
A23
B23
A24
B24
A25
B25
B22
A23
B23
A24
B24
A25
B25
A26
B26
A27
B27
A28
B28
A29
B29
A30
B30
I/O CONVEYOR BOARD ASSY
A26
B26
A27
B27
A28
B28
A29
B29
A30
B30
W54
V54
U54
A2 0V24
S10
0V
0V
DI
7 7
8 8
3
2
1
3
2
1
+24V
+24V
+24V
+24E
24 +24E
14 13 +24V
23 +24V
33 +24V
34 +24B
A2 0V24
A1 +24V
42 41
33
23
34
24
14 13
A1
A2
K2 K1
LOGIC
DC
AC
CH1CH2
T11
T12
T22
T31
T32
6
5
4
6
5
4
+24V
READY OUT
T11 EMG0
T31
T32
T31
T32B
13 14
A1 A2
53 54
73 74
83 84
21 22
63 64
1/L1
3/L2
5/L3
2/T1
4/T2
6/T3
KM11/KM11A
CONV+24E
1154+24C
1122 T32A
T12 EMG22
KJJ-M4580-0XX P025
1
2
1
2
1
2
2
1
2
1
REAR EMG SW
SB32
FRONT EMG SW
SB31
1
2 2
1
SQ101
FRONT COVER SW
A2 0V24
1222 T3221 22
A1 A2
1/L1
3/L2
5/L3
2/T1
4/T2
6/T3
KM12/KM12A
1616
1515
12
11
12
11
13
14
13
14
10
9
10
9
EMG22
EMG22
EMG0
SPARE
SPARE
SPARE
N0100984
CONTROLLER
N0100985
N0100986
N0100987
N0100990
N0100991
N0100992
N0100993
N0100994
N0100995
N0100996
N0100997
N01009A0
SPARE
SPARE
SPARE
SPARE
SPARE
N01009A1
N01009A2
N01009A3
N01009A4
N01009A5
N01009A6
N01009A7
T0100037
SERVO ON
N01009B6
Y1OTY1OT
3 3
2
1
2
1
Y1OT
3 3
2
1
2
1
XOT
GOOD
1
2
3
A1
3
2
1
CONTROL BOX ASSY
GOOD
GOOD
1
2
3
GOOD
GOOD
1
2
3
GOOD
3
2
1
3
2
1
SERVO2
SERVO1
INTERFACE
X1OT
1
22
1
HEAD EMG
I/O HEAD BOARD ASSY
3
2
1
3
2
1
DI
EMG1
EMG1
N0100982
Y1OT
N0100983
+24E
RL1
+24VB2
CN16
+24VA
RL2
+24VA
A1
B1
A2
B2
A3
B3
A1
B1
A2
B2
A3
B3
CN1
+5V
RL1
ALARM
GOOD LED
FES24 FRONT-2 FEEDER
R EMG
F EMG EMG
EMG
COVER
R COVER
F COVER
CN11
+24VS3
EMG3
EMG4
EMG5
EMG6
EMG7
EMG9
EMG10
EMG11
EMG12
EMG8
E12A
E11A
E13A
E12A
E12A
E11A
E13A
0V
0V
0V
EMG5
EMG6
EMG6
EMG12
EMG13
EMG14
EMG15
EMG16
EMG17
EMG18
EMG19
EMG20
EMG21
EMG22
+24VS3
+24VS3
EMG16
EMG11
+24E
+24VB2
R1 FEEDER EMG
R2 FEEDER EMG
+24VB2
F1 FEEDER EMG
F2 FEEDER EMG
SPARE
DYTF MAINTENANCE COVER
ENABLING SW
RL2
+24VB3
+24VB2
+24VB4
+24E
CN13
EMG22
T22 EMG22
KM10
+48V
+48V
+48V
W52
V52
U52
1153 +24B
1121 T32B
CONV+24V
+48A
+48A
+48A
A1
A1
1221 T32A
1253 +24C 53 54
61 62
1254 SRV ON
44
33
22
11
5 5
POW/EMG
6 6
P041
+24VA7
EMG0
EMG1
EMG2
EMG3
7
6
5
4
3
2
1
8
9
10
7
6
5
4
3
2
1
8
9
10
CN12
SQ005
SQ302
2
1
SQ102
REAR COVER SW
COVER
REAR COVER
REAR FIXED COVER
2
1
R COVER
KHY-000-CC.V0
14
EMERGENCY CIRCUIT
YS12(KHY)