KE-3020_KE-3020R-Rev06 - 第195页
- 188 - NOTE( 注記 ) #01....TYPE XL XL 仕様 REF.NO NOTE PART NO D E S C R I P T I O N 品 名 Qty 1 400-92410 BREAKER INPUT CAB LE ASM ブレーカ入力ケーブル組 1 2 400-92412 POWER ON LAMP RELAY CA BLE ASM パワーオンランプ中継ケーブル組 1 3 401-06608 POWER …

- 187 -
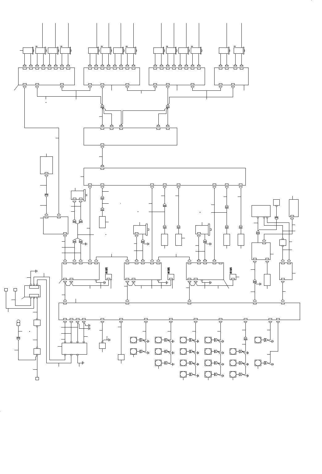
94.SYSTEM DIAGRAM(1)
SYSTEM DIAGRAM(1)
1-3D
FAN
6 MOTOR
HC-BP0136D-S1
5 MOTOR
HC-BP0136D-S1
4 MOTOR
HC-BP0136D-S1
3 MOTOR
HC-BP0136D-S1
2 MOTOR
HC-BP0136D-S1
1 MOTOR
HC-BP0136D-S1
7 MOTOR
HC-BP0336LW4-S1
Z7 MOTOR
HC-BP0336LW4-S1
Z6 MOTOR
HC-BP0336LW4-S1
Z5 MOTOR
HC-BP0336LW4-S1
Z4 MOTOR
HC-BP0336LW4-S1
Z3 MOTOR
HC-BP0336LW4-S1
Z2 MOTOR
HC-BP0336LW4-S1
Z1 MOTOR
HC-BP0336LW4-S1
2-2B
2-2B
2-2A
2-2A
2-3B
CNP2C
CN2C
CNP2D
CN2D
CNP1
CN1A
4AXIS SERVO
AMP(4)
CNP2A
CN2A
CNP2B
CN2B
CNP2C
CN2C
CNP2D
CN2D
CNP1
CN1B
CN1A
4AXIS SERVO
AMP(1)
CNP2A
CN2A
CNP2B
CN2B
CNP2C
CN2C
CNP2D
CN2D
CNP1
CN1B
CN1A
4AXIS SERVO
AMP(3)
CNP2A
CN2A
CNP2B
CN2B
CNP2C
CN2C
CNP2D
CN2D
CNP1
CN1B
CN1A
4AXIS SERVO
AMP(2)
ZTPWR2
ZTPWR1
XY11
CN136
CN140
SENSYR ENCYR
SENSYL ENCYL
SENSX ENCX
YRMTR
YLMTR
XMTR
XENC
CN165
CN151
CN38
CN15
CN14
CN37
CN13CN21
1-2D
2-5B
CN11
XY-RELAY
PCB
1CH DI
POWER
UNIT
CN14
CN11
YR ORG
SENSOR
CN10
YL ORG
SENSOR
MAGNE
SCALE
PCB
CN4
SCALE
HEAD RL
CN3
SCALE
HEAD YL
CN2
SCALE
HEAD X
CN8
CN7
CN5
2CH NET
Y MOTOR
YR
1500W
Y MOTOR
YL
1500W
SERVO
MOTOR
750W
CN2L
CNP3
CN2
CN1B
CN2L
CNP3
CN2
CN1B
CN2L
CNP3
CN2
POSITION
BOARD
1CH NETCN1A
E
CN1A
CN1BE
CN1A
E
MAIN SW
MR-RB30
CNP2
CNP1CN13
X SERVO
AMP
MR-J3-70B-RJ024
MR-RB30
CNP2
CNP1CN12
YL SERVO
AMP
MR-J3-200B-RJ024
MR-RB12
CNP2
CNP1CN11
FAN
FAN FAN
FAN FAN
FAN
FAN
CN007
[YL MOTOR]
FAN
CN006
[YR MOTOR]
FAN FAN
CN005
[TOP COVER]
FAN FAN
CN004
[BASE3]
FAN FAN
CN003
[BASE2]
FAN FAN
CN002
[BASE1]
FAN FAN
CN001
CN06
CN07
HOUR METER
CN010
CN14A
(CN14B)
VACUUM
PUMP
CN04B
CN04A
CN03
CN01
POWER
UNIT
100V
100V
34V
220V
TF1
TB2
MTC PWR(R)
MTS PWR(L)
AC INPUT
UNIT
CN001
POWER ON LIGHT
TB1
NFB
[CTRL UNIT]
XSERVO
AMP
MR-J3-70B-RJ024
TB1
INPUT
1
2
3
4
5
7
8
10
9
11
12
13
15
14
16
17
18
19
20
21
22
24
25
25
25 25 25
25
31 32 33 34
35
36
37
38
39
40
41
42
43
44
46
47 48
49
51 52
53
54
55
58
59
60
61
62
63
64
65
66
67
68
69
70
71
72
73
74
75
76
77
78
79
80
81
82
83
84 85
86
87
88
89 90
91
92
93 94
97
98
99
100
101 27
28
29
30
102
26
50 50
78
99 99 99
26 26 26 26 26 102 102102 102 102 102 102
23
COPLA MONITOR
SWITCH BOARD
4-5A
CN4
CN3
CN3
CN2
CP
CN1
COPLA-POWER
COPLA-PS
1-1A
4-5C
PS-ON
ATX13
1-4B
MAIN SW
CPCI
BACK
BOARD
BATTERY
ATX-POWER
CN251
CN063
45
57
56
95
96
106
104
108
103
109
107
105
6

- 188 -
NOTE( 注記 ) #01....TYPE XL XL 仕様
REF.NO NOTE PART NO D E S C R I P T I O N
品 名
Qty
1 400-92410 BREAKER INPUT CABLE ASM
ブレーカ入力ケーブル組
1
2 400-92412 POWER ON LAMP RELAY CABLE ASM
パワーオンランプ中継ケーブル組
1
3 401-06608 POWER LAMP 200V CABLE ASM
パワーランプ200V束線組
1
4 401-06609 POWER LAMP 400V CABLE ASM
パワーランプ400V束線組
1
5 400-92411 BREAKER OUT CABLE ASM
ブレーカ出力ケーブル組
1
6 400-92439 MTC PWR WIRE L ASM
MTC 電源 L ケーブル組
1
7 400-02063 MTC POWER WIRE R ASM
MTC(R)電源ケーブル組
1
8 400-94708 AC INPUT UNIT
AC_インプットユニット
1
9 400-92413 MAIN SW OUTPUT CABLE ASM
メインスイッチ出力ケーブル組
1
10 400-02056 INPUT UNIT FG CABLE ASM
インプットユニットFGケーブル組
1
11 400-92414 TF INPUT CABLE ASM
トランス入力ケーブル組
1
12 400-92664 TF INPUT DELTA CABLE ASM
トランス入力デルタ結線ケーブル組
1
13 400-94736 POWER UNIT
電源ユニット
1
14 400-71184 TRANSFOMER
トランス
1
15 400-92415 TF FG CABLE ASM
トランスFGケーブル組
1
16 400-92417 TF 220V OUTPUT CABLE ASM
TF220V出力ケーブル組
1
17 400-92418 TF 34V OUTPUT CABLE ASM
TF34V出力ケーブル組
1
18 400-95136 TF 100VA OUTPUT CABLE ASM
TF100VA出力ケーブル組
1
19 400-95137 TF 100VB OUTPUT CABLE ASM
TF100VB出力ケーブル組
1
20 400-95135 VAC PUMP POWER CABLE ASM
バキュームポンプ電源ケーブル組
1
21 400-76121 VACUUM PUMP
バキュームポンプ
1
22 400-92424 VACUUM PUMP FG CABLE ASM
バキュームポンプFGケーブル組
1
23 HB-0006400-00 HOUR METER
アワーメーター
1
24 400-99144 HOUR METER ASM
アワーメータ組
1
25 400-92440 BASIC FAN ASM
ファン組
18
26 400-44533 SERVO MOTOR 10W
サーボモータ10W
8
27 400-44541 OPTICAL FIBER CABLE 0.15M
光ファイバケーブル0.15M
1
28 400-92461 LZT PWR RELAY CABLE ASM
LZT パワーリレーケーブル組
1
29 400-44541 OPTICAL FIBER CABLE 0.15M
光ファイバケーブル0.15M
1
30 400-44541 OPTICAL FIBER CABLE 0.15M
光ファイバケーブル0.15M
1
31 400-92441 FAN CABLE ASM_1
ファンケーブル組1
1
32 400-92442 FAN CABLE ASM_2
ファンケーブル組2
1
33 400-92443 FAN CABLE ASM_3
ファンケーブル組3
1
34 400-92444 FAN CABLE ASM_4
ファンケーブル組4
1
35 400-92446 FAN CABLE RELAY ASM_5
ファンケーブル中継組5
1
36 400-92445 FAN CABLE ASM_5
ファンケーブル組5
1
37 400-97602 FAN CABLE ASM_7
ファンケーブル組7
1
38 400-97601 FAN CABLE ASM_6
ファンケーブル組6
1
39 400-92420 X PWR CABLE ASM
X電源ケーブル組
1
40 400-92436 X MOTOR RB CABLE ASM
X 回生抵抗 ケーブル組
1
41 400-92421 YL PWR CABLE ASM
YL電源ケーブル組
1
42 400-92437 YL MOTOR RB CABLE ASM
YL 回生抵抗 ケーブル組
1
43 400-92422 YR PWR CABLE ASM
YR電源ケーブル組
1
44 400-92438 YR MOTOR RB CABLE ASM
YR 回生抵抗 ケーブル組
1
45 400-47893 ATX PWR CABLE ASM
ATX電源ケーブル組
1
46 400-44538 SERVO AMP 750W
X軸サーボアンプ750W
1
47 400-92416 DRV FG CABLE ASM
ドライバFGケーブル組
1
48 400-54885 REGENERATIVE RESISTOR
回生抵抗 RB−12
1
49 400-44541 OPTICAL FIBER CABLE 0.15M
光ファイバケーブル0.15M
1
50 400-44539 SERVO AMP 2000W
Y軸サーボアンプ2000W
2
51 400-92416 DRV FG CABLE ASM
ドライバFGケーブル組
1
52 400-92658 REGENERATIVE REGISTOR
回生抵抗
1
53 400-44541 OPTICAL FIBER CABLE 0.15M
光ファイバケーブル0.15M
1
54 400-92416 DRV FG CABLE ASM
ドライバFGケーブル組
1
55 400-92658 REGENERATIVE REGISTOR
回生抵抗
1
56 400-47894 ATX PWR RLY CABLE ASM
ATX電源中継ケーブル組
1
57 400-48007 BATTERY UNIT
バッテリユニット
1
58 400-92447 OPTICAL FIBER CABLE 2.4M
光ファイバーケーブル 2.4M
1
59 400-45395 XL ENC CABLE ASM
XL ENCケーブル組
1
60 400-92657 XL MTR CABLE ASM
XL モーターケーブル組
1
61 400-44540 16AXIS 2CH SERVO CONTROLLER
16軸 2CHポジションボード
1
62 400-92450 Y BEAR CABLES ASM
Y ベアケーブル組
1
63
#01
400-92638 Y BEAR CABLES ASM XL
Y ベアケーブル組 XL
1
64 400-47930 POS BOARD1 1CH CABLE ASM
ポジションボード1 1CHケーブル組
1
65 400-97614 XY-RELAY POS RELAY CABLE ASM
XY−RELAY ポジション中継ケーブル組
1
66 400-71676 XY RELAY PCB ASM
XYリレー基板組
1
67 400-92448 OPTICAL FIBER CABLE 6.5M
光ファイバーケーブル 6.5M
1
68 400-44545 X MOTOR ENCODER CABLE
X軸エンコーダ中継ケーブル
1
69 400-44546 X MTR PWR CABLE
X MTR パワーケーブル
1
70 400-68914 SERVO MOTOR 750W
サーボモーター 750W
1
71 400-97581 X ENC RELAY CABLE ASM
X ENC リレーケーブル組
1
72 400-44531 MAGNETIC SCALE X SENSOR UNIT
マグネチックスケールXセンサユニット
1
73 400-92449 XY BEAR CABLES ASM
XY ベアケーブル組
1
74
#01
400-92637 XY BEAR CABLES ASM XL
XY ベアケーブル組 XL
1
75 400-97578 X LINEAR SENSOR CABLE ASM
X リニアセンサケーブル組
1
76 400-92451 YL ENCODER CABLE ASM
YLエンコーダケーブル組
1
77 400-92453 YL MOTOR CABLE ASM
YLモーターケーブル組
1
78 400-76136 SARVO MOTOR 1500W
サーボモータ1500W
2
79 400-97582 YL ENC RELAY CABLE ASM
YL ENCリレーケーブル組
1
80 400-44532 MAGNETIC SCALE Y SENOR UNIT
マグネチックスケールYセンサユニット
1
81 400-02171 YL ORG SENSOR ASM
YL原点センサ組
1
82 400-92450 Y BEAR CABLES ASM
Y ベアケーブル組
1
83
#01
400-92638 Y BEAR CABLES ASM XL
Y ベアケーブル組 XL
1
84 400-97579 YL LINEAR SENSOR CABLE ASM
YL リニアセンサケーブル組
1
85 400-97584 YL ORG SENSOR CABLE ASM
YL ORGセンサケーブル組
1
86 400-92452 YR ENCODER CABLE ASM
YRエンコーダケーブル組
1
87 400-92454 YR MOTOR CABLE ASM
YRモーターケーブル組
1
88 400-97583 YR ENC RELAY CABLE ASM
YR ENCリレーケーブル組
1
89 400-44532 MAGNETIC SCALE Y SENOR UNIT
マグネチックスケールYセンサユニット
1
90 400-02172 YR ORG SENSOR ASM
YR原点センサ組
1
91 400-92450 Y BEAR CABLES ASM
Y ベアケーブル組
1
92
#01
400-92638 Y BEAR CABLES ASM XL
Y ベアケーブル組 XL
1
93 400-97580 YR LINEAR SENSOR CABLE ASM
YR リニアセンサケーブル組
1
94 400-97585 YR ORG SENSOR CABLE ASM
YR ORGセンサケーブル組
1
95 400-48006 ATX PSU
ATX電源
1
96 400-92435 CPCI POWER CABLE ASM
CPCIパワーケーブル組
1
97 400-95130 MAGNETIC SCALE PCB ASM
マグネスケール基板組
1
98 400-97586 MAGNE SCALE PCB PWR CABLE ASM
マグネスケール PCB パワーケーブル組
1
99 400-44535 4AXIS SERVO AMP
4軸一体型サーボアンプ
4
100 400-92449 XY BEAR CABLES ASM
XY ベアケーブル組
1
101
#01
400-92637 XY BEAR CABLES ASM XL
XY ベアケーブル組 XL
1
102 400-44534 SERVO MOTOR 30W
サーボモータ30W
6
103 400-97430 COPLA INPUT RELAY CABLE ASM
コプラ入力リレーケーブル組
1
104 401-05684 2.00C 0367A03 A INSTALL ASM
2.00C 0367A03 インストール組
1
105 400-97432 COPLA CPU CP CABLE ASM
コプラCPU CPケーブル組
1
106 400-97434 COPLA MONITOR SWITCH BOARD
コプラモニタ切換えボード
1
107 400-97428 COPLA CPU POWER CABLE ASM
コプラCPU電源ケーブル組
1
108 400-97433 COPLA CPU GND CABLE ASM
コプラCPU GNDケーブル組
1
109 HX-0057700-00 POWER SUPPLY
電源
1

- 189 -
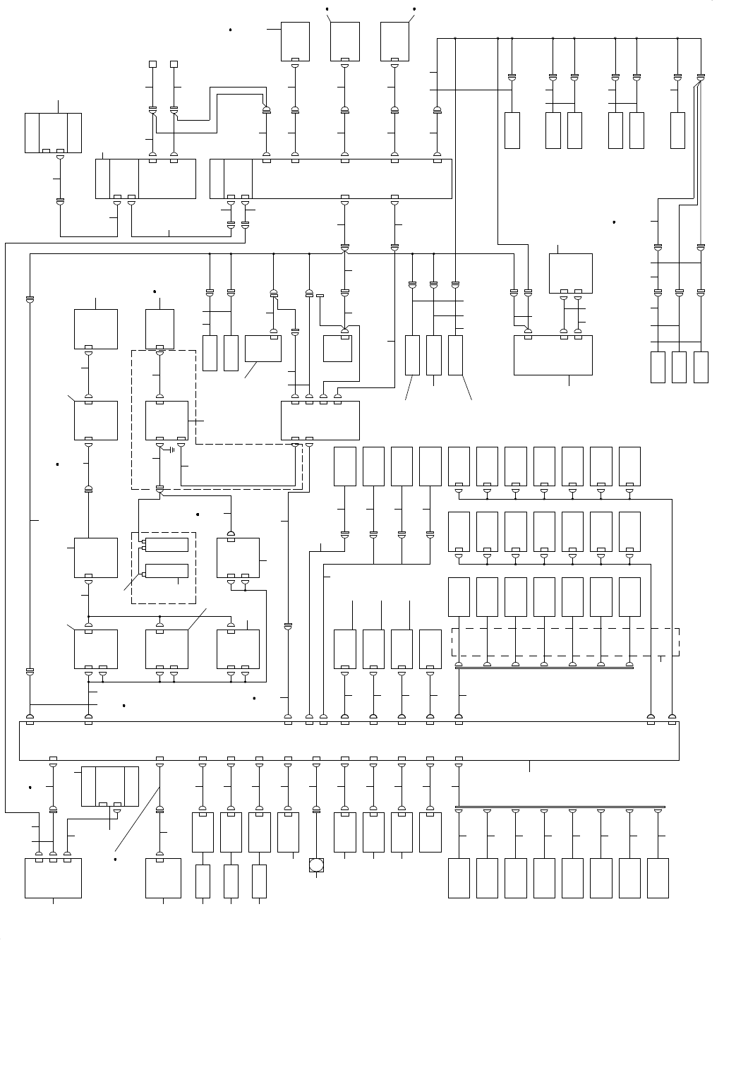
95.SYSTEM DIAGRAM(2)
SYSTEM DIAGRAM(2)
NOZZLE
UP
SV ASM
NOZZLE
DOWN
SENSOR IC
NOZZLE
DOWN
SENSOR L
NOZZLE
DOWN
SENSOR R
FAN
Z7 BLW SVZ7 VAC SV
Z6 BLW SVZ6 VAC SV
Z5 BLW SVZ5 VAC SV
Z4 BLW SVZ4 VAC SV
Z3 BLW SVZ3 VAC SV
Z2 BLW SVZ2 VAC SV
Z1 BLW SVZ1 VAC SV
Z7
PRESSURE
SENSOR
Z6
PRESSURE
SENSOR
Z5
PRESSURE
SENSOR
Z4
PRESSURE
SENSOR
Z3
PRESSURE
SENSOR
Z2
PRESSURE
SENSOR
Z1
PRESSURE
SENSOR
T7 SLOW
DOWN
SENSOR
Z7 SLOW
DOWN
SENSOR
Z6 SLOW
DOWN
SENSOR
Z5 SLOW
DOWN
SENSOR
Z4 SLOW
DOWN
SENSOR
Z3 SLOW
DOWN
SENSOR
Z2 SLOW
DOWN
SENSOR
Z1 SLOW
DOWN
SENSOR
OCC A
LIGHT
PCB ASM
OCC A
LIGHT
PCB ASM
OCC A
LIGHT
PCB ASM
OCC A
LIGHT
PCB ASM
OCC C
LIGHT
PCB ASM
OCC C
LIGHT
PCB ASM
OCC
CAMERA
OCC
CAMERA
ES F
NZ DWN2
NZ DWN1
NZ DWN3
CN19
XY10
CN30
CN28
CN16
CN32
CN12
TEMPERATURE
SENSOR
PWB ASM
CN23
CN26
CN25
BR1
CN24
BR2
CN27
LIGHT-A2 CN8 LIGHT-A2CN11
LIGHT-A1 CN7 LIGHT-A1CN10
LIGHT-C CN 6 LIGHT-CCN9
OCCL CN31 OCCRCN1
3-3B
4-2C
ETHER
SLAVE
PCB
EN1
EN2
LIGHT
CTRL PCB
CN813
EN1
CDS AMP
CN20
CDS
FIBER
B/M AMP
CN14
B/M
FIBER
HMS AMP
CN32
HMS
HEADR
1-3B
FMLA
4-1D
CN2
CN478
AC3
IP-X7
PCB
2-4A
2-5B
COM1
CPU
BOARD
4-4C
CH1
IEEE1394
BOARD
CH1
CN245
LNC60
CH2
IEEE1394a
REPEATER
XY02
XY01
XY08
3-4B
CN14
OPERATION
PCB (R)
3-4A
CN14
OPERATION
PCB (F)
4-4A
COM2
CPU
BOARD
CN9
CN7
CN33
CN901
ION PWR
IONIZER
IONIZER
CN201
CN13
CN20CN064
CN26
CN17
POWER
UNIT
CN15
CN127
CN131
CN130
CN132
CN130
CN131
X NEAR
SENSOR
X +LIMIT
SENSOR
X -LIMIT
SENSOR
CN430
CN431
CN139
CN143
CN138
CN137
FEEDER DET
SENS(EMI)
FEEDER DET
SENS(REC)
Y +LIMIT
SENSOR
Y NEAR
SENSOR
Y ++LINIT
SENSOR
Y -LIMIT
SENSOR
XY04
CN2
CN064
CNP2
CNP1
SAFE IO
HEAD IO
MTC I/F
MTS I/F
I/F R
I/F L
CN2
CN1
XY05
CN34
XY03
3-2A
ETHER
SLAVE
PCB
EN1
EN2
FEEDER
PCB
4-2A
ETHER
SLAVE
PCB
EN1
EN2
BASE I/O
PCB
ETHER
SLAVE
PCB
EN1
EN2
AIR PRESS
METER (-)
AIR PRESS
METER (+)
SAFTY
UNIT
(EN)
1-3A
CN16
XY-RELAY
PCB
J8
ETHER
MAIN PCB
CN848
COMJ4
SCM3
PCB
CN1
LNC60
1-5D1-5C
1-5B
1-5A
CN4D
CN5CN4C
4AXIS SERVO
AMP(4)
CN4D
CN5CN4B
4AXIS SERVO
AMP(3)
CN4D
CN5CN4B
4AXIS SERVO
AMP(2)
CN4D
CN19 CN5CN4B
4AXIS SERVO
AMP(1)
HEAD MAIN PCB
EN1
EN2
EN3
1
2
4
3
5
6
7
8
913
14
15 17
19
21
23 25 27
16 18 20 22 24 26 28 29 31
30 32 33 34 35 36 37 38
10
11
12
40
41
43
44
45
46
47
48
49
50
53
54
55
56
57
58
59
60
133
61
62
63
64
65
66
67
120
68
69
70
72
73 74 75 76 77
78
79 80 81 82
85
86
87
88 89
91 92
93
94
95
96
98
99
100
101
102 103 104
105
106
107
108
109
110
111
112
113
114
115
116
117
83
71
23 25 27
44
44
44
90
XYEN2
XYEN2
121 122
51
52
PILOT LAMP
PILOT LAMP
COPLA
LASER KEY
1-3D
4-5A
COPLA
SENSOR HEAD
CN09
CN13
COPLA LA
LED R
LED F
CN12
SCALE01
SCALE02
MAGNE
SCALE PCB
97
119
118
126131
132131
124
125
127
39
123
130
129
128
84
42
60 133