KE-3020_KE-3020R-Rev06 - 第198页
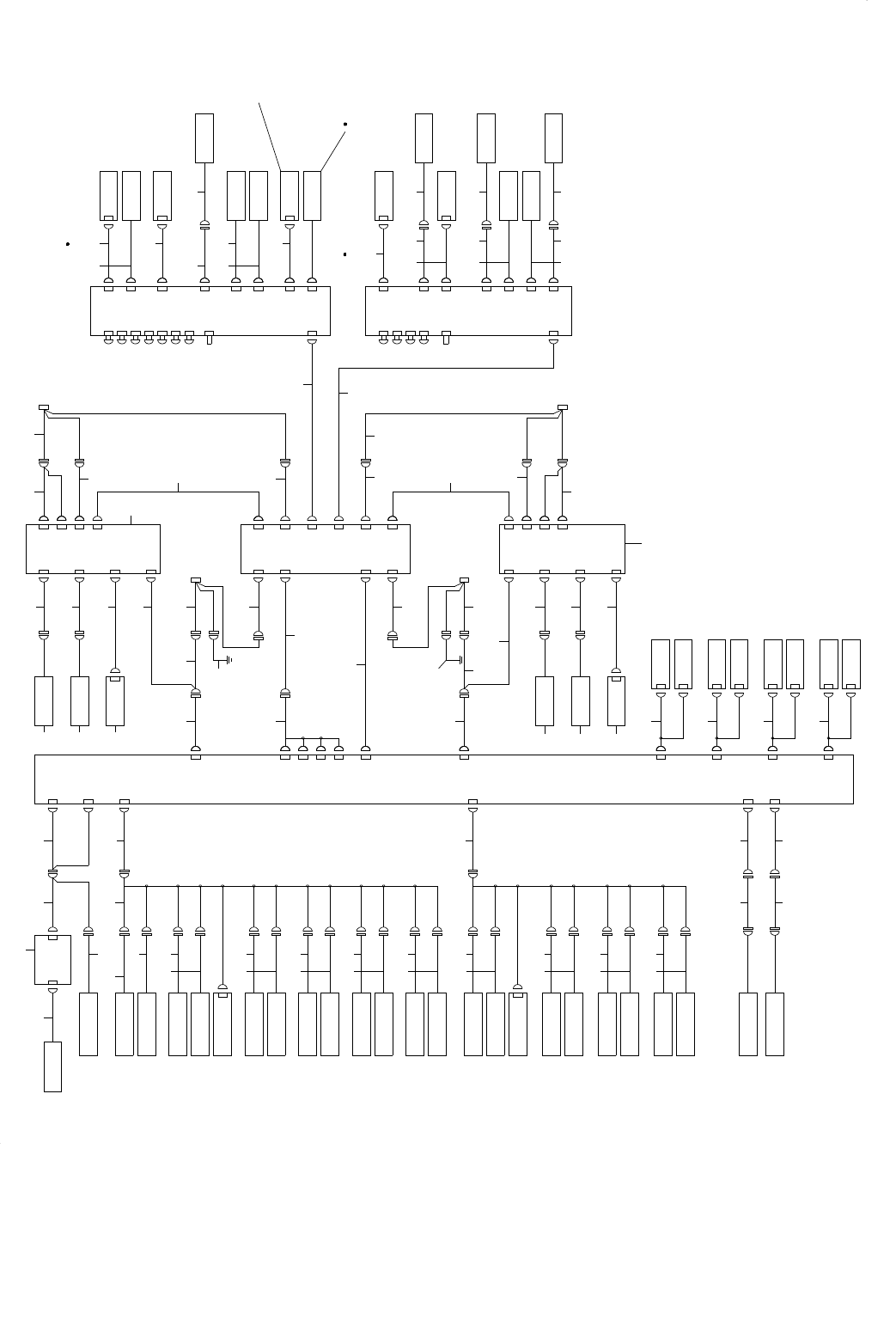
- 191 - 96. SYSTEM DIAGRAM(3) SYSTEM DIAGRA M(3) SIGNAL LIGHT KEY CHANGE SW FEEDER SW(R) (NON-STOP OPERATION) NON -STOP SIGNAL LIG HT(R) COVER(R) LO CK SV COVER O PEN SW(R) EMG SW _R HOD BOX MOUSE /KEYBOARD SELECTOR KEY …

- 190 -
NOTE( 注記 ) #01....FOR EN EN 用
#02....TYPE XL XL 仕様
#03....FOR KE-3020R KE −3020 R 用
#04....UNTIL MACHINE REV.C マシン Rev.C まで
#05....AFTER MACHINE REV.D マシン Rev.D 以降
REF.NO NOTE PART NO D E S C R I P T I O N
品 名
Qty
1 401-49647 ETHER-MAIN PCB ASM
イーサメイン基板組
1
2 400-92626 BASE-IO ENC RLY CABLE ASM
BASE−IO ENC 中継ケーブル組
1
3 400-92612 ETHER HEAD CABLE ASM
イーサケーブル HEAD組
1
4 400-92613 ETHER LIGHT CABLE ASM
イーサケーブル LIGHT組
1
5 400-92449 XY BEAR CABLES ASM
XY ベアケーブル組
1
6
#02
400-92637 XY BEAR CABLES ASM XL
XY ベアケーブル組 XL
1
7 400-66579 LIGHT CTRL PCB ASM
ライトコントロール基板組
1
8 400-47557 ETHER-SLAVE PCB ASM
ETHER−SLAVE基板組
1
9 400-71300 IPX7 ASM
IPX7組図
1
10 400-47942 OCC CABLE LF ASM
OCCケーブルLF組
1
11 400-92449 XY BEAR CABLES ASM
XY ベアケーブル組
1
12
#02
400-92637 XY BEAR CABLES ASM XL
XY ベアケーブル組 XL
1
13 400-92616 SENSOR
レーザセンサヘッド
1
14 400-92615 HIGHT SENSOR UNIT ASM
HMSアンプケーブル組
1
15 HD-0013100-30 FIBER UNIT
ファイバユニット
1
16 400-47981 BAD MARK FIBER AMP ASM
バッドマークファイバアンプ組
1
17
#03
HD-0026000-10 SENSOR
センサ
1
18
#03
400-45484 NOZZLE SENSOR AMP ASM
ノズルセンサアンプ組
1
19 400-29824 TEMPERATURE SENSOR PCB ASM
温度センサ基板組
1
20 400-92499 BASE TEMP CABLE ASM
ベース温度ケーブル組
1
21 400-92500 HEAD FAN CABLE ASM
ヘッド冷却ファンケーブル組
1
22 400-92500 HEAD FAN CABLE ASM
ヘッド冷却ファンケーブル組
1
23 400-48028 OCC CAMERA
OCCカメラ
2
24 400-92466 OCC CAMERA L CABLE ASM
OCCカメラLケーブル組
1
25 400-47512 OCC C LIGHT PCB ASM
OCC C ライト基板組
2
26 400-92468 OCC C LIGHT CABLE ASM
OCC C ライトケーブル組
1
27 400-47508 OCC A LIGHT PCB ASM
OCC A ライト基板組
2
28 400-92469 OCC A1 LIGHT CABLE ASM
OCC A1 ライトケーブル組
1
29 400-92470 OCC A2 LIGHT CABLE ASM
OCC A2 ライトケーブル組
1
30 400-92484 Z1 SLOW DOWN SENSOR ASM
Z1スローダウンセンサケーブル組
1
31 400-92476 SLOW DOWN SENSOR RELAY CABLE ASM
スローダウンセンサケーブル組
1
32 400-92485 Z2 SLOW DOWN SENSOR ASM
Z2スローダウンセンサケーブル組
1
33 400-92486 Z3 SLOW DOWN SENSOR ASM
Z3スローダウンセンサケーブル組
1
34 400-92487 Z4 SLOW DOWN SENSOR ASM
Z4スローダウンセンサケーブル組
1
35 400-92488 Z5 SLOW DOWN SENSOR ASM
Z5スローダウンセンサケーブル組
1
36 400-92489 Z6 SLOW DOWN SENSOR ASM
Z6スローダウンセンサケーブル組
1
37 400-92490 Z7 SLOW DOWN SENSOR ASM
Z7スローダウンセンサケーブル組
1
38 400-92491 T7 SLOW DOWN SENSOR ASM
T7スローダウンセンサケーブル組
1
39 400-66569 HEAD MAIN PCB ASM
ヘッドメイン基板組
1
40 400-92449 XY BEAR CABLES ASM
XY ベアケーブル組
1
41
#02
400-92637 XY BEAR CABLES ASM XL
XY ベアケーブル組 XL
1
42 400-92474 HEAD I/O CABLE ASM
ヘッド I/O ケーブル組
1
43 400-92498 Z-THETA SIGNAL CABLE ASM
Z−θ信号ケーブル組
1
44 400-44535 4AXIS SERVO AMP
4軸一体型サーボアンプ
4
45 400-80203 LNC60 I/F CABLE ASM
LNC60 I/Fケーブル組
1
46 400-45547 LNC60
レーザセンサ
1
47
#03
E9345-721-0A0 CABLE ASM.
LAセンサー接続ケーブル組
1
48
#03
400-03264 FMLA SENSOR
FMLA センサ
1
49 400-92449 XY BEAR CABLES ASM
XY ベアケーブル組
1
50
#02
400-92637 XY BEAR CABLES ASM XL
XY ベアケーブル組 XL
1
51 400-44517 1394 ROBOT CABLE ASM
1394ロボットケーブル組
1
52
#02
400-95138 1394 ROBOT CABLE ASM
1394ロボットケーブル組
1
53 400-44518 IEEE1394 REPEATER BOARD
IEEE1394リピータボード
1
54
#03
400-92462 LA SENSOR RELAY CABLE ASM
LAセンサ中継ケーブル組
1
55
#03
400-92463 SCM3 PCB PWR CABLE ASM
SCM3電源ケーブル組
1
56
#03
400-92460 SCM3 PCB
SCM3 基板
1
57 400-44516 1394 RELAY CABLE ASM
1394中継ケーブル組
1
58 400-48003 IEEE1394 BOARD
IEEE1394ボード
1
59
#03
400-92464 FMLA SERIAL CABLE ASM
FMLAシリアルケーブル組
1
60
#04
400-44475 CPU BOARD
CPUボード
1
61 400-48168 AIR PRESSURE SW ASM
正圧センサー組
1
62 400-47987 VACUUM PRESSURE SW ASM
負圧センサー 組
1
63 400-97626 IONIZER CABLE ASM
イオナイザケーブル組
1
64 400-97627 IONIZER PWR CABLE ASM
イオナイザ電源ケーブル組
1
65 400-92665 PWR UNIT I/O CABLE ASM
電源ユニットI/Oケーブル組
1
66 400-92670 SAFETY U 901 CABLE ASM(EN)
安全ユニット 901 ケーブル組(EN)
1
67 400-97629 XY-RELAY I/O CABLE ASM
XY−RELAY I/O ケーブル組
1
68 400-92449 XY BEAR CABLES ASM
XY ベアケーブル組
1
69
#02
400-92637 XY BEAR CABLES ASM XL
XY ベアケーブル組 XL
1
70 400-92465 HEAD MAIN PWR CABLE ASM
ヘッドメイン電源ケーブル組
1
71 400-92493 NOZZLE UP SV ASM
ノズルアップケーブル組
1
72 400-92494 NOZZLE DOWN CABLE ASM
ノズルダウンケーブル組
1
73 400-92467 OCC CAMERA R CABLE ASM
OCCカメラRケーブル組
1
74 400-92471 OCC C LIGHT CABLE ASM
OCC C ライトケーブル組
1
75 400-92472 OCC A1 LIGHT CABLE ASM
OCC A1 ライトケーブル組
1
76 400-92473 OCC A2 LIGHT CABLE ASM
OCC A2 ライトケーブル組
1
77 400-92475 EJECTOR RELAY CABLE ASM
エジェクタ中継ケーブル組
1
78 400-92492 VACUUM SV CABLE ASM 3020
バキュームSVケーブル組3020
1
79 400-92493 NOZZLE UP SV ASM
ノズルアップケーブル組
1
80 400-92497 NOZZLE DOWN SENS IC ASM
ノズルダウンセンサ IC ケーブル組
1
81 400-92495 NOZZLE DOWN SENS L ASM
ノズルダウンセンサ L ケーブル組
1
82 400-92496 NOZZLE DOWN SENS R ASM
ノズルダウンセンサ R ケーブル組
1
83 400-47954 ETHER CABLE FEEDER LR-RF ASM
イーサ フィーダ LR−RFケーブル組
1
84 400-47560 FEEDER PCB ASM
フィーダ基板組
1
85 400-92611 ETHER CABLE BASE FEEDER ASM
イーサケーブル ベースフィーダ組
1
86 400-71680 BASE IO PCB ASM
ベースIO基板組
1
87 400-95125 MTC MTS I/F CABLE ASM
MTC MTS I/F ケーブル組
1
88 400-95126 MTC MTS I/F BR CABLE ASM
MTC MTS I/F BR ケーブル組
1
89 400-95126 MTC MTS I/F BR CABLE ASM
MTC MTS I/F BR ケーブル組
1
90 400-92610 ETHER CABL XY BASE ASM
イーサケーブル XY ベース組
1
91 400-95124 XY MTC MTS CABLE ASM
XY MTC MTS ケーブル組
1
92 400-97618 XY-RELAY HOD 232C RELAY CABLE ASM
XY−RELAY HOD 232C中継ケーブル組
1
93 400-97623 XY-RELAY HOD 232C CABLE ASM
XY−RELAY HOD 232Cケーブル組
1
94 400-97616 XY-RELAY I/O REALY CABLE ASM
XY−RELAY I/O中継ケーブル組
1
95 400-97619 XY-RELAY OPERATION RELAY CABLE ASM
XY−RELAYオペレーション中継ケーブル組
1
96 400-92581 OPERATION RLY CABLE F ASM
オペレーションリレーケーブル組
1
97 400-92433 XY-RELAY PWR CABLE ASM
XY−RELAY 電源ケーブル組
1
98 400-97617 XY-RELAY PWR RELAY CABLE ASM
XY−RELAY 電源中継ケーブル組
1
99 400-97620 XY-RELAY OPERATION RELAY CABLE ASM
XY−RELAYオペレーション中継ケーブル組
1
100 400-92582 OPERATION RLY CABLE R ASM
オペレーションリレーケーブル組
1
101 400-92408 OPERATION PCB FRONT10 ASM
オペレーション基板フロント10組
1
102
#01
400-92482 OPERATION PCB FRONT10 ASM(EN)
オペレーション基板フロント10組(EN)
1
103 400-92481 OPERATION PCB REAR10 ASM
オペレーション基板リア10組
1
104
#01
400-92483 OPERATION PCB REAR10 ASM(EN)
オペレーション基板リア10組(EN)
1
105 400-97615 XY-RELAY SENSOR RELAY CABLE ASM
XY−RELAY センサ中継ケーブル組
1
106 400-95134 XY-RELAY SENSOR CABLE ASM
XY−RELAY センサケーブル組
1
107 400-92477 Y- LMT SENSOR ASM
Yマイナスリミットセンサ組
1
108 400-92479 Y++ LMT SENSOR ASM
Yプラスプラスリミットセンサ組
1
109 400-92480 Y NEAR SENSOR ASM
Y近傍センサ組
1
110 400-92478 Y+ LMT SENSOR ASM
Yプラスリミットセンサ組
1
111 400-92524 FEEDER DETECT SENSOR(RECEIVING)
フィーダ検出センサ受光組
1
112 400-92523 FEEDER DETECT SENSOR(EMISSION)
フィーダ検出センサ投光組
1
113 400-02228 X MINUS LMT SENSOR ASM
X軸マイナスリミットセンサ組
1
114 400-92459 X NEG LMT SENSOR RELAY CABLE ASM
X軸マイナスリミットセンサ組
1
115 400-92450 Y BEAR CABLES ASM
Y ベアケーブル組
1
116
#02
400-92638 Y BEAR CABLES ASM XL
Y ベアケーブル組 XL
1
117 400-02227 X PLUS LMT SENSOR ASM
X軸プラスリミットセンサ組
1
118 400-02229 X ORG RANGE SENSOR ASM
X軸原点周囲センサ組
1
119 400-92459 X NEG LMT SENSOR RELAY CABLE ASM
X軸マイナスリミットセンサ組
1
120 400-93724 IONIZER
イオナイザ
1
121 400-97621 ETHER CABL XY BASE RELAY ASM
イーサケーブル XYベース中継組
1
122 400-97622 ETHER CABLE MAIN-XY RELAY ASM
イーサケーブル MAIN−XY中継組
1
123 400-97422 COPLANARITY SENSOR
コプラナリティセンサー
1
124 400-97424 COPLA POWER CABLE ASM
コプラ電源ケーブル組
1
125 400-97425 COPLA ENCODER CABLE ASM
コプラエンコーダケーブル組
1
126 400-95130 MAGNETIC SCALE PCB ASM
マグネスケール基板組
1
127 400-99905 COPLA TRG CABLE ASM
コプラトリガケーブル組
1
128 400-99904 KEY SWITCH CABLE ASM
キーSWケーブル組
1
129 400-99907 PILOT LAMP CABLE R ASM
パイロットランプケーブルR組
1
130 400-99906 PILOT LAMP CABLE F ASM
パイロットランプケーブルF組
1
131 400-99903 PILOT LAMP
パイロットランプ
2
132 400-99902 KEY SWITCH
キースイッチ
1
133
#05
401-13723 CPU BOARD
CPUボード
1

- 191 -
96.SYSTEM DIAGRAM(3)
SYSTEM DIAGRAM(3)
SIGNAL LIGHT
KEY CHANGE SW
FEEDER SW(R)
(NON-STOP
OPERATION)
NON-STOP
SIGNAL
LIGHT(R)
COVER(R) LOCK SV
COVER OPEN SW(R)
EMG SW_R
HOD BOX
MOUSE
/KEYBOARD
SELECTOR
KEY CHANGE SW
FEEDER SW(F)
(NON-STOP
OPERATION)
NON-STOP
SIGNAL
LIGHT(F)
COVER(F) LOCK SV
COVER OPEN SW(F)
EMG SW_F
LED
PCB(R-LL)
LED
PCB(R-LR)
LED
PCB(R-RL)
LED
PCB(R-RR)
LED
PCB(F-RR)
LED
PCB(F-RL)
LED
PCB(F-LR)
LED
PCB(F-LL)
M-E BANK SW
DRIVE CYLINDER
ASSY
DRIVE CYLINDER
ASSY
M-E BANK SW
DRIVE CYLINDER
ASSY
DRIVE CYLINDER
ASSY
ECUTTER(R)
ECUTTER(F)
CAL S.V
CAL
PCB
CAL VACUUM
SENSOR
ELEC FEED FLOAT
SENS(R)(EMI)
FEEDER FLOAT
SENS(RR)(EMI)
FEEDER FLOAT
SENS(RF)(EMI)
DRIVE CYL
SENSOR R ASM
ELEC FEED FLOAT
SENS(R)(REC)
ELEC FEED DET
SENS(R)(REC)
BANK UP SW
(R)
FEEDER FLOAT
SENS(RR)(REC)
FEEDER FLOAT
SENS(RF)(REC)
ELEC FEED DET
SENSOR(F)(EMI)
ELEC FEED FLOAT
SENS(F)(EMI)
FEEDER FLOAT
SENS(FR)(EMI)
FEEDER FLOAT
SENS(FF)(EMI)
ATC S.V
DRIVE CYL
SENSOR F ASM
ELEC FEED FLOAT
SENS(F)(REC)
ELEC FEED DET
SENS(F)(REC)
BANK UP SW
(F)
FEEDER FLOAT
SENS(FR)(REC)
FEEDER FLOAT
SENS(FF)(REC)
ATC CLOSE
SENS
ATC OPEN
SENS
CN7
MNLT
CN24
CN7
CN15
CN8
CN23
CN22
CN12
CN1
SW5
SW4
SW2
2-5C
SW1
OPERATION
PCB (R)
CN13
4-5A
MNLT
CN24
CN7
CN15
CN8
CN21
CN23
CN22
CN12
CN1
SW7
SW6
SW5
SW4
SW3
SW2
CN31
CN30
2-5C
SW1
OPERATION
PCB (F)
CN13
CN18
CN16
CN17
CN15
M-BANK(R)
CN1
CN2
CN7
CN8
CN5
CN6
CN3
BK-RR
CN10
BK-RL
CN9
BANK
PCB (F)
CN2
CN3
CN66
CN25
CN3
CN65
CN7
CN24
M-BANK(F)
CN2
CN1
CN8
CN5
CN6
CN3
BK-FR
CN10
BK-FL
CN9
CN4
CN4
CN370
CN353
EBANK(R)
CN70
CN351
2-5A
CN23
CN69
CN1
E-CUTTER
CN24
CN354
E-CUTTER
CN23
CN354
CN353
4-4A
1-3B
POWER
UNIT
BANK
PCB (F)
CN351
CN67
CN31
CN30
CN28
CALR
CN27
CN1CN2 CN20
CN669
CALF
CN5
CN424
CN423
CN420
CN450
CN425
CN426
CN429
CN422
CN421 CN21
CN21
CN416
CN415
CN411
CN412
ATC
CN451
CN414
CN417
CN418
CN410
CN413
CN403
CN402
EBANK(F)CN370CN3
CN3
CN2
FEEDER
PCB
CN19
CN19
1
2
3
4
5
6
7
8
9
21 31
30 32
33
34 35 36
37 38 39 40
10
11
12
13
14
15
16
17
18
19
20
22
23
24
25
26
27
28
42
43
45
44
46
47
48
49
50
51
52
53
54
55
56
57
58
59
60
61
62
63
64 65 66
67 68 69
70
71
72 73 74 75
41
76
77
78
8381
82
79
80
84
86
87
85
88
89
90
91
92
93
94
95
29
97
96
41
99
98

- 192 -
NOTE( 注記 ) #01....FOR EN EN 用
REF.NO NOTE PART NO D E S C R I P T I O N
品 名
Qty
1 400-02125 CAL VCUM SV ASM
CAL VCUM SV組
1
2 400-07376 CALBLOCK PCB ASM
CALブロック基板組
1
3 400-92504 CAL BLOCK CABLE ASM
CALブロックケーブル組
1
4 400-47483 FEEDER CAL(F) CABLE ASM
CAL(F)ケーブル組
1
5 400-02126 CAL VACUUM SENSOR ASSY
CALバキュームセンサ組
1
6 400-92508 ATC OPEN SENS ASM
ATCオープンセンサケーブル組
1
7 400-92506 FEEDER SENS CABLE F ASM
フィーダセンサケーブル組(F)
1
8 400-48176 FEEDER SENS RELAY(F) CABLE ASM
フィーダセンサ中継ケーブル(F)組
1
9 400-92509 ATC CLOSE SENS ASM
ATCクローズセンサケーブル組
1
10 400-92516 FD-FLOAT(FF)RECEIVE SENS ASM
フィーダ浮きセンサ(FF)受光組
1
11 400-92518 FD-FLOAT(FR)RECEIVE SENS ASM
フィーダ浮きセンサ(FR)受光組
1
12 400-92530 E-FD-DETECT(F)RECEIVE SENS ASM
電動フィーダ検知センサ(F)受光組
1
13 400-92526 E-FD-FLOAT(F)RECEIVE SENS ASM
電動フィーダ浮きセンサ(F)受光組
1
14 400-92513 DRIVE CYL SENSOR F ASM
ドライブシリンダセンサ F ケーブル組
1
15 400-92510 ATC SV CABLE ASM
ATC ソレノイドバルブケーブル組
1
16 400-92515 FD-FLOAT(FF)EMISSIN SENS ASM
フィーダ浮きセンサ(FF)投光組
1
17 400-92517 FD-FLOAT(FR)EMISSIN SENS ASM
フィーダ浮きセンサ(FR)投光組
1
18 400-92525 E-FD-FLOAT(F)EMISSIN SENS ASM
電動フィーダ浮きセンサ(F)投光組
1
19 400-92529 E-FD-DETECT(F)EMISSIN SENS ASM
電動フィーダ検知センサ(F)投光組
1
20 400-92520 FD-FLOAT(RF)RECEIVE SENS ASM
フィーダ浮きセンサ(RF)受光組
1
21 400-48177 FEEDER SENS RELAY(R) CABLE ASM
フィーダセンサ中継ケーブル(R)組
1
22 400-92522 FD-FLOAT(RR)RECEIVE SENS ASM
フィーダ浮きセンサ(RR)受光組
1
23 400-97588 REFLEX ARRAY SENSOR ASM
反射型アレイセンサ組
1
24 400-92528 E-FD-FLOAT(R)RECEIVE SENS ASM
電動フィーダ浮きセンサ(R)受光組
1
25 400-92514 DRIVE CYL SENSOR R ASM
ドライブシリンダセンサ R ケーブル組
1
26 400-92519 FD-FLOAT(RF)EMISSIN SENS ASM
フィーダ浮きセンサ(RF)投光組
1
27 400-92521 FD-FLOAT(RR)EMISSIN SENS ASM
フィーダ浮きセンサ(RR)投光組
1
28 400-92527 E-FD-FLOAT(R)EMISSIN SENS ASM
電動フィーダ浮きセンサ(R)投光組
1
29 400-48045 SIGNAL TOWER LIGHT ASM
シグナルタワーライト組
1
30 400-92640 AUTO TAPE CUTTER CABLE ASM2
オートテープカッターケーブル組2
1
31 400-92639 AUTO TAPE CUTTER CABLE ASM1
オートテープカッターケーブル組1
1
32 400-92640 AUTO TAPE CUTTER CABLE ASM2
オートテープカッターケーブル組2
1
33 400-92659 AUTO TAPE CUTTER CABLE ASM7
オートテープカッターケーブル組7
1
34 400-00574 DRIVE CYLINDER ASSY
ドライブシリンダ組
1
35 400-00574 DRIVE CYLINDER ASSY
ドライブシリンダ組
1
36 400-92511 SWITCH D3DC-3
スイッチD3DC−3
1
37 400-02244 BANK FR CABLE ASM
バンクFRケーブル組
1
38 400-02243 BANK FL CABLE ASM
バンクFLケーブル組
1
39 400-92604 M BANK SWITCH F CABLE ASM
メカバンクスイッチ F ケーブル組
1
40 401-10583 FEEDER IF F CABLE ASM
フィーダ IF Fケーブル組
1
41 400-66568 BANK PCB ASM
バンク基板組
2
42 400-92600 MECH BANK CONNECTOR F CABLE ASM
メカバンクコネクタ F ケーブル組
1
43 400-92599 MECH BANK CABLE ASM
メカバンクケーブル組
1
44 400-92602 M BANK DC PWR CABLE F ASM
メカバンクDC電源 F ケーブル組
1
45 400-92601 BANK PWR CABLE F ASM
バンク電源 F ケーブル組
1
46 400-47481 FEEDER IF RELAY(F) CABLE ASM
フィーダ IF中継ケーブル(F)組
1
47 401-11734 ELEC BANK RELAY WIRE ASM
ELEC バンク中継ワイヤ組
1
48 400-84838 ELEC BANK FG WIRE ASM
ELEC バンク FG ワイヤ組
1
49 400-97590 ETF(F) PWR CABLE ASM
ETF(F)パワーケ−ブル組
1
50 400-47484 FEEDER CAL(R) CABLE ASM
CAL(R)ケーブル組
1
51 400-92505 FEEDER XY EMG CABLE ASM
フィーダ XY EMGケ−ブル組
1
52 400-92501 FEEDER PWR CABLE (F) ASM
フィーダ電源ケーブル組(F)
1
53 400-97591 ETF(R) PWR CABLE ASM
ETF(R)パワーケ−ブル組
1
54 400-92603 M BANK AC PWR CABLE F ASM
メカバンクAC電源 F ケーブル組
1
55 400-92579 OPERATION PWR CABLE(F)ASM
オペレーション電源ケーブル組(F)
1
56 400-92580 OPERATION PWR CABLE(R)ASM
オペレーション電源ケーブル組(R)
1
57 400-92608 M BANK AC PWR CABLE R ASM
メカバンクAC電源 R ケーブル組
1
58 400-92599 MECH BANK CABLE ASM
メカバンクケーブル組
1
59 400-92606 BANK PWR CABLE R ASM
バンク電源 R ケーブル組
1
60 400-47482 FEEDER IF RELAY(R) CABLE ASM
フィーダ IF中継ケーブル(R)組
1
61 400-84838 ELEC BANK FG WIRE ASM
ELEC バンク FG ワイヤ組
1
62 401-11734 ELEC BANK RELAY WIRE ASM
ELEC バンク中継ワイヤ組
1
63 401-10584 FEEDER IF R CABLE ASM
フィーダ IF Rケーブル組
1
64 400-00574 DRIVE CYLINDER ASSY
ドライブシリンダ組
1
65 400-00574 DRIVE CYLINDER ASSY
ドライブシリンダ組
1
66 400-92511 SWITCH D3DC-3
スイッチD3DC−3
1
67 400-02245 BANK RL CABLE ASM
バンクRLケーブル組
1
68 400-02246 BANK RR CABLE ASM
バンクRRケーブル組
1
69 400-92609 M BANK SWITCH R CABLE ASM
メカバンクスイッチRケーブル組
1
70 400-92607 M BANK DC PWR CABLE R ASM
メカバンクDC電源Rケーブル組
1
71 400-92605 MECH BANK CONNECTOR R CABLE AS
メカバンクコネクタRケーブル組
1
72 400-92533 FPI LED CABLE(FL)ASM
FPI レッド FL ケーブル組
1
73 400-92534 FPI LED CABLE(FR)ASM
FPI レッド FR ケーブル組
1
74 400-92535 FPI LED CABLE(RL)ASM
FPI レッド RL ケーブル組
1
75 400-92536 FPI LED CABLE(RR)ASM
FPI レッド RR ケーブル組
1
76 400-92833 EMG SW(F) ASM
非常停止スイッチ(F)組
1
77
#01
400-92645 EM SW F CABLE ASM (EN)
EMGスイッチ F ケーブル組 EN
1
78 400-02254 COVER OPEN SWITCH CABLE ASM
カバーオープンSW
1
79 400-92587 COVER LOCK SV ASM
カバーロック SV組
1
80 400-92584 MINI SIGNAL RLY CABLE F ASM
ミニパトリレーケーブル組(F)
1
81 400-48035 L_FEEDER SW ASM
レフトフィーダSW組
1
82 400-48036 CONSOLE SW ASM
コンソールSW組
1
83 400-47823 CONSOLE SELECT CABLE ASM
コンソール切換えケーブル組
1
84 400-48055 MINI PATLITE ASM
ミニパトライト組
1
85 400-03281 MOUSE/KEYBOARD SELECTOR
マウス/キーボード切換器
1
86 E9649-729-000 HOD ASM.
HOD組
1
87
#01
E9662-729-000 HOD (EN)
HOD(EN)
1
88 400-92860 EMG SW(R) ASM
非常停止スイッチ(R)組
1
89
#01
400-92646 EM SW R CABLE ASM (EN)
EMGスイッチ R ケーブル組 EN
1
90 400-97605 COVER OPEN RELAY CABLE ASM
カバーオープン中継ケーブル組
1
91 400-02254 COVER OPEN SWITCH CABLE ASM
カバーオープンSW
1
92 400-92587 COVER LOCK SV ASM
カバーロック SV組
1
93 400-92585 MINI SIGNAL RLY CABLE R ASM
ミニパトリレーケーブル組(R)
1
94 400-48055 MINI PATLITE ASM
ミニパトライト組
1
95 400-48035 L_FEEDER SW ASM
レフトフィーダSW組
1
96 400-48036 CONSOLE SW ASM
コンソールSW組
1
97 400-92586 SIGNAL LIGHT RLY CABLE ASM
シグナルライトリレーケーブル組
1
98 401-07942 FEEDER IF RELAY-04 CABLE ASM
フィーダIF RELAY−04ケーブル組
1
99 401-07941 FEEDER IF RELAY-03 CABLE ASM
フィーダIF RELAY−03ケーブル組
1