5OM-1841-001w_F8S - 第121页

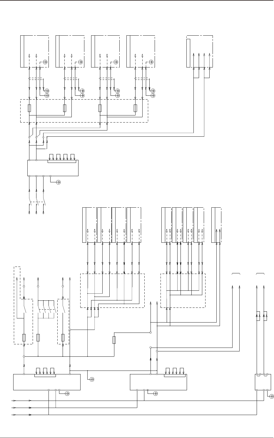
5OM-1841 4-1-15 1605-001 󱮽󱈋󲶾 10 K28 A2 A1 X2742 :9 :9 X2741 :10 X2742 :10 X2741 X2705 :4 :3 X2704 :4 X2704 :3 4 5 E2 E1 S132F S132B E1 E2 K65a 5 4 K27 12 1 H101 POWER ON LED H201 POWER ON LED K31 3 4 5 8 10 9 K1 K2…

100%1 / 157
5OM-1841
4-1-141605-001
 󱈋󰭦󲶾
10D
48D
L120
L220
F13(5A)
F14(5A)
48D3A
48D3B
48D
48D
U27
U27:X2715,X2717
24B
10
X2711
:3
:1
FG
(L)
(N)
DC24V
24A2
24A1
24A0
K1A
3 4
F1(3.15A)
13 14
F2(6.3A)
23 24
K25
8 6
F5(3.15A)
Power Input Circuit
Safety Circuit Power
24A3
DC Load Power Source
K1B
33 34
43 44
24A30
U27
10D
10D
:A1
X2712
:B1
X2713
24A20
XG0
:1 :2
Transfer Unit
:A1
X131P1
:A2
X231P1
(Robot Cable)
:A1
:A2
:A3/B5
(Robot Cable)
24A0
XG1
XG1
XG2
10
24A
FG
(L)
(N)
DC24V
24B(+)
10B(-)
X2701
:3
U27
X2701
:6
X2701
:7
F7(6.3A)
Power Unit for Each Sensor,Satellite PCB U01,
24A6
24A6
10
XG1
G3
G1
F15(5A)
48D3C
10D
X2718
:A1
:A2
(Robot Cable)
F16(5A)
48D3D
10D
X2719
:A1
:A2
(Robot Cable)
:4
:2
X2721
:3
:4
:1
:2
X2712
:B2
:A2
X2713
X2718
X2719
U27
24A
Head 11(Stage1B)
X131P1
:B2
X231P1
:B2
10
:B1:B1
24A
Head 12(Stage1F)
X131P1
:B2
X231P1
:B2
10
:B1:B1
24A
Head 21(Stage2B)
X131P1
:B2
X231P1
:B2
10
:B1:B1
24A
Head 22(Stage2F)
X131P1
:B2
X231P1
:B2
10
:B1:B1
X2701
:4
:B2
:A2
:B2
:A2
:B2
:A2
:A1
:B1
:A1
:B1
:A1
:B1
X2722
:2
:1
X2712
U27
24A6
Head 11(Stage1B)
X131P1
:B4
X231P1
:B4
10
:B3:B3
:B3
:A3
X2713
24A6
Head 12(Stage1F)
X131P1
:B4
X231P1
:B4
10
:B3:B3
:B3
:A3
X2718
24A6
Head 21(Stage2B)
X131P1
:B4
X231P1
:B4
10
:B3:B3
:B3
:A3
X2719
24A6
Head 22(Stage2F)
X131P1
:B4
X231P1
:B4
10
:B3:B3
:B3
:A3
CN1
X231P1
X231P1
X231P1
:A1
:A2
:A3/B5
:A4/A5
:A1
:A2
:A1
:A2
:A1
:A2
X131P1
X131P1
X131P1
24A(+)
10A(-)
DC Load Power Source
(Operational system)
(I/O Output)
CN1
8
7
4
3
2
1
-RC
+RC
-S
-V
+S
+V
8
7
4
3
2
1
-RC
+RC
-S
-V
+S
+V
+
-
L1
L2
FG
DC48V
G2
L120
K10
1 2
3 4
5 6
L250
L150
CN01
L220
L320
L3
L350
XG0
:4
:5
:6
8
7
4
3
2
1
REF
PV
-S
-V
+S
+V
10
9
TOG
CNT
48H
10H
Lighting Control Board U95
XG7
:A2
:A1
:3
L320
14AWG
14AWG
14AWG
14AWG
18AWG
18AWG
18AWG
18AWG
18AWG 18AWG
:B1
:B2
Transfer Driver Control Power Unit
10H
48H
(L)
(N)
FG
DC48V
G7
+
-
Multi-Axis Board Control Power Unit
Head Valve PCB U04
Image Distribution PCB U165,AELINK Communication Power Unit
Transfer Satellite PCB U08,U14
Head Satellite PCB U02
(Slip Ring)
Line Sensor PCB U03
Feeder Satellite PCB U69
Feeder Power (Power Distribution PCB U68)
Head 11(Stage1B)
Head 12(Stage1F)
Head 21(Stage2B)
Head 22(Stage2F)
:4
:5
10D
:1
10D
:2
24A6
Transfer Unit
N-X1210
:6
10
:3
N-X1210
[03-1A]
[03-5A] [10-4A]
[03-1A,5C]
[10-4A] [C6-3A]
[B1-1B]
[10-2A] [40-2G] [44-5E]
[C2-4C] [C3-2D] [C6-3A]
[30-1B/3B]
[50-6B]
[01-2D]
[01-2D]
[B1-1B]
[B1-3B]
[B1-1B]
[B1-3B]
[B1-3B]
[B1-1B]
[B1-3B]
[B1-1B]
[B1-3B]
[B1-1B]
[B1-3B]
[C2-4C]
[C3-2D]
:A3/B5
:A3/B5
:A4/A5
:A3/B5
:A3/B5
:A4/A5
:A3/B5
:A3/B5
:A4/A5
:1
:2
:B1
:A1
:B2
:A2
:3
:4
(Power Supply System IO Output)
5OM-1841
4-1-151605-001
󱮽󱈋󲶾
10
K28
A2
A1
X2742
:9
:9
X2741
:10
X2742
:10
X2741
X2705
:4
:3
X2704
:4
X2704
:3
45
E2E1
S132F
S132B
E1 E2
K65a
5 4
K27
121
H101
POWER ON LED
H201
POWER ON LED
K31
3 4
5
8
10 9
K1 K2
K4K3
JP
4
3
b
a
b
a
Control
CircuitTimer
OFF Delay
K4
K3
K2
K1
54
44
34
24
14
A
B
T22
T21
PET11
T12
T31
T32
13
23
33
43
53
A2A1
X2725
:3
X2728
:4
X27150
:6
:5
X27150
X27150
:3
:4
X27150
:8
X27150
X2704
:2
:2
X2705 X2705
:1
:1
X2704
U27
K2A
22
3
Main Power Input Delay(1sec)
8
1
K1A
4 3
K43
POWER ON PB(B)
POWER ON PB(F)
S101F
S101B
45
K2B
K3
K1A
X2701
:1
56
Cover Lock(B)
Cover Lock(F)
X27150
:7
X2705
10
24A1
2 1
Stop SW(F)
S105F
2 1
405
S105B
2 1
2 1
412
X2725
:1
X2728
:2
K33B
A1 A2
U
Head, Transfer Main Power Input
K10
A1 A2
:2
:1
X2723
K66a
24A024A2
K2B
6 8
24A2
:2
X2701
:5
A1
A2
K1B
10
A1 A2
U
21 22
K10
1 2 3 4 5 6
1
K31
12
6261
:12
X27150
:11
X27150
:16
X27150
98
14 13
X1
1314
X1
X2
S105F
S105B
Linear Motor Main Power Input
T32
Y1
A1
S132B
S132B
T33
T31
K33C
T22
T12
T42
T41
S14
S24
21
1112
3132
D1
D2
D3
D4
W
BK
BR
BL
W
BK
BR
BL
Feeder Cover
Detection(F)
Feeder Cover
Detection(B)
K4
A2X1X2
S44
S54
L1
S151F
S151B
Y
Y
:3
X:S151F
:2
:4
:1
:5
:3
X:S151B
:2
:4
:1
:5
21
24
2
1
X2723
K22
K33C
A1 A2
U
K33A
K33D
A1 A2
U
1
12
K2B
16 13
K2A
:1
X27150
:14
X27150
WHITE
:15
X27150
:13
X27150
:10
X27150
:9
X27150
:2
X27150
X2706
:1
:2
:3
:4
X2707
:1
:2
:3
:4
:5
X2709
:6
:7
:8
:2
X2709
:9
X2709
:1
X2709
:11
:10
:4
:3
:1
:2
X2742
:6
X2709
X2709
X2742
X2742
:5
X2742
S132F
S132F
1112
3132
:1
:2
X2741
:6
X2741
X2741
:5
X2741
X2728
:1
:2
X2725
X2728
:3
:4
X2725
24B Power Supply Remote Control
CPU Power Input
Power ON LED Change
22
K33D
2122
K33B
2221
K33A
2221
JP4
1
2
JP10
2
1
JP3
1
2
4 3
JP9
1
2
K2B
X2
WHITE
JP5
1
2
3
JP6
1
2
3
[02-3A] [02-3A]
[02-3B] [02-3A] [02-3B]
[02-3A]
X0125-5
:5
X2761
U01(UC18)
:3
X27153
:3
X27154
:3
X27154
X0125-6
U01(UC18)
Multistep Tray(1)
Multistep Tray(2)
[02-3B]
[11-2C]
Linear Motor Main Power Input
Emergency
Stop SW(B
)
Emergency
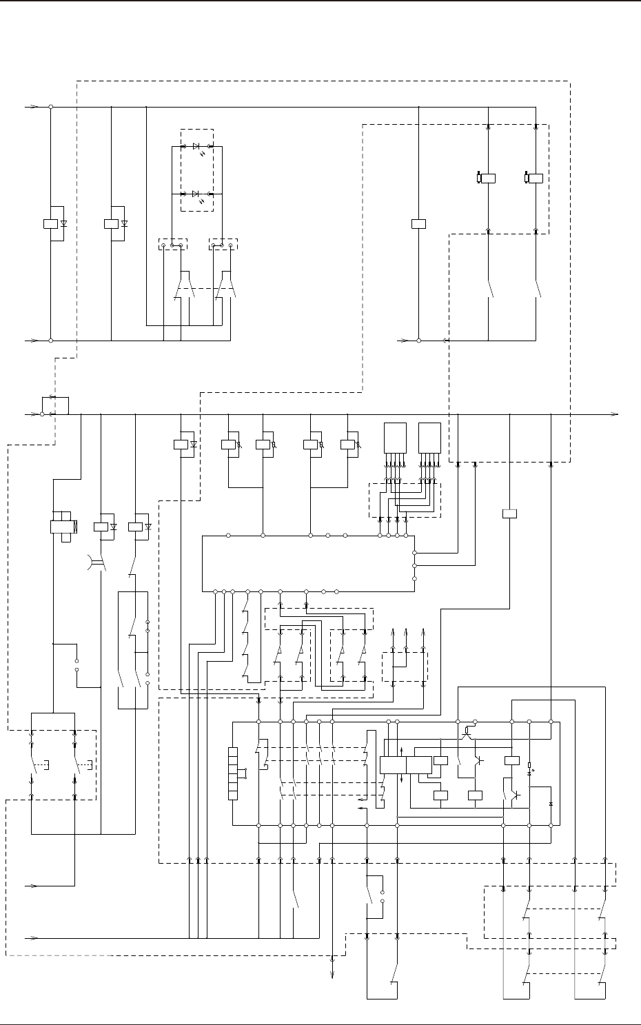
5OM-1841
4-1-161605-001
󰐐  󲶾
A Lane Work Request TRO(Input Machine)
1
2
3
4
18
19
20
21
9
10
11
12
13
14
15
16
17
5
6
8
22
23
24
7
GND(B)
Di
A Lane Work Input TRI(Input Machine)
B Lane Work Request TRO(Input Machine)
B Lane Work Input TRI(Input Machine)
A Lane BOARD_END(Input Machine) OP
B Lane BOARD_END(Input Machine) OP
A Lane BOARD_END(Output Machine) OP
B Lane Work Request TRI(Output Machine)
A Lane Work Input TRO(Input Machine)
B Lane Work Input TRO(Input Machine)
A Lane Work Request TRI(Output Machine)
B Lane BOARD_END(Output Machine) OP
Front/Rear IF
1
2
3
4
5
6
7
8
11
13
14
15
16
17
18
19
20
GND(B)
24V(B)
Di
GND(B)
24V(B)
Di
GND(B)
Di
GND(B)
Di
GND(B)
24V(B)
Di
24V(A)
Do
24V(A)
Do
Lightning Surge Error
Feeder Base Power Supply (B1)
Feeder Base Power Supply (B2)
Vacuum Pump Breaker OFF
Left Panel Under the Base
NC
:1
X20126
K75
A2A1
:2
K77
A2A1
24A3
[02-5B]
Q205
1413
:8
:7
F201
F202
F203
X10126
:1
:2
:1
:2
1
2
3
4
GND(B)
1
2
3
4
5
6
10
24A6
10
24A6
[02-3A/3B]
[02-2C]
10
24A3
10
10
24A1
24A3
24V(A)24V(B)
24V(B)
24V(A)
24V(A)
GND(B)
GND(A)
GND(A)
GND(A)
X1
X2
CN26
CN28
24A3
24A3
Main Machine Left(B)
1
2
4
24V(A)
Do
Main Machine Left(F)
CN30
GND(A)
Di
10
10
10
10
10
10
1
2
4
24V(A)
Do
CN32
GND(A)
Di
X0126
X0128
X01X1
X01X2
U01
IO P.C.B
X0128A-F:1
:2
X0128B-F:1
:2
X0128BE-R:1
:2
X0128BED:1
:2
X0128E:1
:3
:4
:3
:4
:3
:4
:3
:4
X0128BE-F:1
:2
:2
X0128A-R:1
:2
X0128B-R:1
:2
Di
Di
Di
GND(B)
Di
RLY4
RLY5
RLY6
RLY7
RLY8
RLY9
Do
Di
GND(B)
Di
GND(B)
OUT1
OUT2
-
BK
O
BL
FCT6-21
Adhesion mistake Part detection (B21) Realistic
Adhesion mistake Part detection (B22) Realistic
10
:1
:2
M
M112-1
BK
Y
R
:2
XM112
:1
:3
24A6
10
H12FAN1
Head 12 FAN Error
:2
M112-1
:1
:3
3
3
X0130
M
M111-1
BK
Y
R
:2
XM111
:1
:3
24A6
10
H11FAN1
:2
M111-1
:1
:3
X0132
M
M121-1
BK
Y
R
:2
XM121
:1
:3
24A6
10
H21FAN1
:2
M121-1
:1
:3
Head 11 FAN Error
Head 21 FAN Error
+
BR
:4
9
24V(B)
24A6
24V(B)
12
:4
24A6
OUT1
OUT2
-
BK
O
BL
FCT6-22
+
BR
M
M111-2
BK
Y
R
H11FAN2
:2
M111-2
:1
:3
M
M121-2
BK
Y
R
H21FAN2
:2
M121-2
:1
:3
M
M112-2
BK
Y
R
H12FAN2
:2
M112-2
:1
:3
:5
:3
:5
:3
:1
:2
:4
:3
BH21
:1
:2
:4
:3
BH22
FCT6
FCT6
:1
:2
X015X
U01-CN51
U01-CN52
:1
:2
X015X