5OM-1841-001w_F8S - 第155页
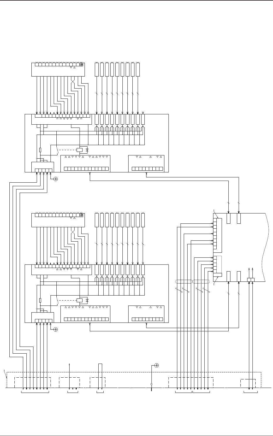
5OM-1841 4-1-49 1605-001 - OUT + BR BK BL B6910 1 2 CN12 X6910 CN10 1 2 3 3 2 1 CN1 1 U69 I/O P .C.B STL T_FB - OUT + BR BK BL B6913 X6913 CN13 1 2 3 3 2 1 CN14 1 2 CN15 Feeder Clamp1 1 2 CN18 1 2 CN19 CN16…

5OM-1841
4-1-481605-001
9
8
5
6
7
Drawer Connector for Feeder
4
1
2
3
+24V
+24v
GND
X01
GND
FG
13
10
11
12
S.GND
TXD
RXD
14
14
14
14
14
14
14
14
14
X03
X05
X07
X09
X11
X13
X15
X17
X19
X68100A
9
8
5
6
7
Feed
Completion of
Feeder
4
1
2
3
+24V
+24V
GND
X21
GND
FG
13
10
11
12
S.GND
TXD
RXD
X6801
X6802 14
X6803 14
X6804 14
X6805 14
X6806 14
X6807 14
X6808 14
X6809 14
X6810 14
X6811 14
X23
X25
X27
X29
X31
X33
X35
X37
X39
X00
X68100B
EXT.Unit Connecting Bundled Connector
X30
24B4A/6A
10
24B4B/6B
:3
:6
:5
:4
:10
:9
:8
:7
B module
(12Pins)
X300B
U69
X6909
FG
/TX
CN8
TX
/RX
RX
I/O P.C.B
STLT_FB
:2
:1
10
24B4/6
:6
:10
:9
:8
:7
:1
:2
:3
:4
C module
/RX
/TX
RX
TX
RTS
TxD
S.GND
RxD
CTS
A module
(3Pins)
:2
79 68
FG
RTS
CN6
CTS
5
S.GND
4 3
TXD
2
RXD
1
50X6901
CN1CN2
50
X6902
Drawer Connector for Feeder
Drawer Connector for Feeder
Drawer Connector for Feeder
Drawer Connector for Feeder
Drawer Connector for Feeder
Drawer Connector for Feeder
Drawer Connector for Feeder
Drawer Connector for Feeder
Drawer Connector for Feeder
Drawer Connector for Feeder
Drawer Connector for Feeder
Drawer Connector for Feeder
Drawer Connector for Feeder
Drawer Connector for Feeder
Drawer Connector for Feeder
Drawer Connector for Feeder
Drawer Connector for Feeder
Drawer Connector for Feeder
Drawer Connector for Feeder
Connector for Feeder Setup
X68101
X68102
X68101
X68102
X6906
X300A
CN4
30
X6904
30X6903
CN3
1
3 2
6
:1
To Valve
C module
:12
:11
DC24V
[30-3C]:(1)
[30-7C]:(2)
Cart Connect Check
[30-2C]:(1)
[30-4C]:(2)
RS232C
[30-2C]:(1)
[30-4C]:(2)
High-Speed IO
DC24V
Hose for Air Pressure
[30-2A]:(1)
[30-4B]:(2)
10
10
10
24B4A/6A
24B4B/6B
B module
(12Pins)
X69X1
X1
GND
1
2
24V
:3
(12Pins)
X300C
(12Pins)
:5
SG
4
SG
4GND
1
2
3
+24V
+24V
GND
9
8
5
6
7
13
10
11
12
S.GND
TXD
RXD
14
15
16FG
X01
X02
X03
X04
X05
OUT1
OUT2
IN1
IN2
IN3
X06
X07
X08
X09
X10
X11
4
3
2
1 GND
+24V
GND
+24V
X100
Connection P.C.B FB
U68
5 FG
47
50
49
48
46
45
5
4
OUT1
OUT2
IN1
IN2
IN3
X01:
X01:
X01:
X01:
X01:
OUT1
X02:
1
3
…
X101
27
30
29
28
4
3
X01:
X01:
X01:
X02:
X10:
X10:
… …
X102
S.GND
TXD
RXD
S.GND
TXD
RXD
1Ω3W
RLY
OUT1
OUT2
IN1
IN2
IN3
X10:
X10:
X10:
X10:
X10:
6
IN3
X09:
…
2
2
1
X10:
S.GND
X09:
RXD
4GND
2
3
+24V
+24V
GND
9
8
5
6
7
13
10
11
12
S.GND
TXD
RXD
14
15
16FG
X01
X02
X03
X04
X05
OUT1
OUT2
IN1
IN2
IN3
X06
X07
X08
X09
X10
X11
4
3
2
1 GND
+24V
GND
+24V
X100
Connection P.C.B FB
U67
5 FG
47
50
49
48
46
45
5
4
OUT1
OUT2
IN1
IN2
IN3
X01:
X01:
X01:
X01:
X01:
OUT1
X02:
1
3
…
X101
27
30
29
28
4
3
X01:
X01:
X01:
X02:
X10:
X10:
… …
X102
S.GND
TXD
RXD
S.GND
TXD
RXD
1Ω3W
RLY
OUT1
OUT2
IN1
IN2
IN3
X10:
X10:
X10:
X10:
X10:
6
IN3
X09:
…
2
2
1
X10:
S.GND
X09:
RXD
X6801
X6802
X6803
X6804
X6805
X6806
X6807
X6808
X6809
X6810
X6811
[30-2C]:(1)
[30-4C]:(2)
[30-2B]:(1)
[30-4B]:(2)
Starting 1
Feed
Starting 2
Preparations
Feed
Completion of
Preparations
Communication
Contact Check
Feed
Completion of
Feeder
Starting 1
Feed
Starting 2
Preparations
Feed
Completion of
Preparations
Communication
Contact Check

5OM-1841
4-1-49
1605-001
-
OUT
+
BR
BK
BL
B6910
1
2
CN12
X6910
CN10
1
2
3
3
2
1
CN11
U69
I/O P.C.B
STLT_FB
-
OUT
+
BR
BK
BL
B6913
X6913
CN13
1
2
3
3
2
1
CN14
1
2
CN15
Feeder Clamp1
1
2
CN18
1
2
CN19
CN16
1
2
3
3
2
1
CN17
Feeder Clamp2
Feeder Clamp1
Y6912
X6912
Feeder Clamp2
Y6913
X6913
:1
X16912
:2
:1
X16913
:2

5OM-1841
4-1-501605-001