5OM-1841-001w_F8S - 第57页
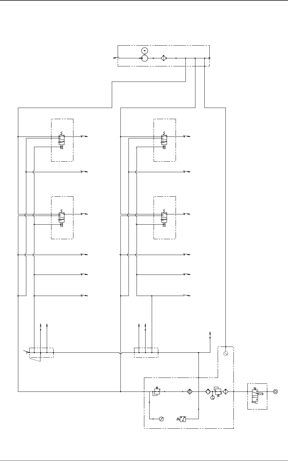
5OM-1841 气路图及实际贴装图 1-1-1 1605-001 A P R Φ 10 (Blue) 300mm Positioning(1) Φ 8 (Blue) 2000mm Head(21) Exhaust Φ8 Cutter(21) Cart Bundled Connector(1) Φ6 40mm Φ8 40mm Φ6 40mm Φ 8 (Blue) 720mm Φ6 770mm Φ6 4…

5OM-1841
1-B1605-001

5OM-1841
气路图及实际贴装图
1-1-1
1605-001
A
P
R
Φ10(Blue)
300mm
Positioning(1)
Φ8(Blue)
2000mm
Head(21)
Exhaust
Φ8
Cutter(21)
Cart Bundled
Connector(1)
Φ6
40mm
Φ8
40mm
Φ6
40mm
Φ8(Blue)
720mm
Φ6
770mm
Φ6
400mm
Φ8(Blue)
400mm
Φ6
70mm
Φ10(Blue)
1200mm
Φ6
400mm
Ø8 (Blue)
400mm
Φ6
2000mm
Φ8(Blue)
2000mm
Φ6
150mm
Φ6
70mm
Φ6
70mm
Φ8(Blue)
70mm
Φ6
70mm
Φ6
100mm
Φ6
150mm
Φ6
100mm
Φ6
150mm
Nozzle Stocker
(12)(22)
Nozzle Stocker
(11)(21)
Φ8
40mm
Φ6
150mm
Φ8
100mm
Φ8
950mm
Φ8
700mm
Φ8
1830mm
Φ8
1630mm
Φ8
2450mm
Transfer
(PCB Z Clamp,PCB Stopper)
φ6 (Blue)
1100mm
Φ10(Blue)
2050mm
Φ6
2000mm
Φ8
500mm
Φ6
800mm
KQ2P-10
Φ8
200mm
Φ8
3200mm
Φ10
400mm
Φ10
150mm
Φ8
200mm
Φ8
2600mm
Φ8
350mm
Φ10
120mm
A
Air/Vacuum Mode Change Valve
P
R
Setup
0.05MPa
0.45MPa
(Φ6)
Setup
0.35MPa
Setup
(Φ6)
(Φ8)
A
P
R
A
P
R
Head(21)
Head(22)
Head(22)
Air/Vacuum Mode Change Valve
Air/Vacuum Mode Change Valve
Air/Vacuum Mode Change Valve
Head(11)
Head(11)
Head(12)
Head(12)
Cutter(12)
Cutter(11)
Cart Bundled
Connector(2)
Cutter(22)
Positioning(2)

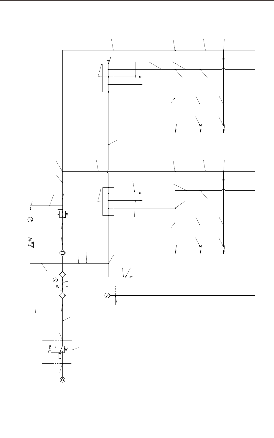
5OM-1841
气路图及实际贴装图
1-1-2
1605-001
KQ2L08-99
Hose Nipple
KQ2H10-02S
12
12
12
12
12
22
Cutter(11)
Positioning(1)
KQ2H06-00
21
KQ2H06-00
21
KQ2H06-00
21
12
12
12
12
12
11
11
11
11
11
11
13
13
13
23
KQ2P-06
Φ6
26
KQ2U06-08
21
KQ2U06-08
Φ8
KQ2U08-00
25
KQ2U06-00
24
Head(12)
KQ2U06-00
24
KQ2U08-00
25
KQ2H06-00
21
26
KQ2U06-08
KQ2U06-08
26
7
KQ2H08-00
KQ2T10-08
KQ2U06-08
KQ2U08-00
7
KQ2H08-00
23
22
25
1
2
26
Φ8
Cutter(12)
Cart Bundled
Connector(1)
Φ6
40mm
Φ8
40mm
Φ6
40mm
Φ6
100mm
Φ6
150mm
Φ6
100mm
Φ6
150mm
(12)(22)
Nozzle Stocker
(11)(21)
Φ8
40mm
Φ8
950mm
Φ8
700mm
Φ8
1830mm
Φ8
1630mm
Φ8
2450mm
Transfer
(PCB Z Clamp,PCB Stopper)
Φ6
2000mm
Φ6
Φ6
800mm
KQ2P-10
KQ2L08-99
Φ8
200mm
Φ8
3200mm
Φ10
400mm
Φ10
1400mm
Φ10
150mm
Φ8
200mm
Φ8
2600mm
Φ8
350mm
Φ10
120mm
KQ2H06-M5
KQ2L10-02S
KQ2L06-01S
KQ2L08-02S
KQ2L08-02S
KQ2H08-02S
KQ2L10-02S
KQ2L06-02S
KQ2H06-M5
Setup
0.05MPa
0.45MPa
(Φ6)
0.35MPa
(Φ6)
(Φ8)
Cutter(21)
Nozzle Stocker
Cutter(21)
Positioning(2)
Cart Bundled
Connector(2)
Head(22)
Setup
Setup