5OM-1841-001w_F8S - 第67页
5OM-1841 气路图及实际贴装图 1-1-1 1 1605-001 (03) (03) (02) (04) (03) (02) (01) Shutter 3 Open/Close Stocker 3 U/D (01) (02) (01) 3 4A 5 2B 1 Shutter 1 Open/Close Stocker 1 U/D Shutter 2 Open/Close Stocker 2 U/D …

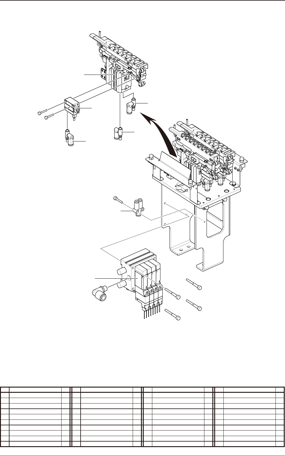
5OM-1841
气路图及实际贴装图
1-1-10
1605-001
8
9
9
7
10
7
No. Name Q’ty No. Name Q’ty No. Name Q’ty No. Name Q’ty
7 Solenoid Valve 2
8 Solenoid Valve 1
9 Cylinder 2
10 Cylinder 1

5OM-1841
气路图及实际贴装图
1-1-11
1605-001
(03) (03)
(02)
(04)
(03)
(02) (01)
Shutter 3 Open/Close
Stocker 3 U/D
(01)
(02) (01)
3
4A
5
2B
1
Shutter 1 Open/Close
Stocker 1 U/D
Shutter 2 Open/Close
Stocker 2 U/D
3
4A
5
2B
1
Nozzle Stocker(For 2-1,2-2 Areas)
Nozzle Stocker Unit
(For 1-1,1-2 Areas)
Standard Stocker
Deformed Stocker(Option)
3
4A
5
2B
1 3
4A
5
2B
1
From Main Body
400mm
950mm
3
3
3
2
9
9
1
1
(03)
(02)
(03)
(02) (01)
(01)
3
2B
1
4A
5
(04)
Stocker 2 U/D
Shutter 2 Open/Close
Shutter 1 Open/Close
Stocker 1 U/D
From Main Body
400mm
950mm
Nozzle Stocker(For 2-1,2-2 Areas)
3
2B
1
4A
5
3
2B
1
4A
5
3
3
2
1
1
Nozzle Stocker Unit
(For 1-1,1-2 Areas)
No. Name Q’ty No. Name Q’ty No. Name Q’ty No. Name Q’ty
1 Tube φ 8 1
2 Tube φ 6 1
3 Tube φ 4 1
9 Union Y 1

5OM-1841
气路图及实际贴装图
1-1-12
1605-001
6
5
7
8
9
7
4
No. Name Q’ty No. Name Q’ty No. Name Q’ty No. Name Q’ty
4 Solenoid Valve 1
5 Cylinder 2
6 Cylinder 2
7 Speed Controller 2
8 Speed Controller 1
9 Union Y 1