NPM-W2S 20161226 - 第125页
Kit Name Rank Q'ty 番号 Part No. キット名 品 番 数量 ランク 頁 Page No. 5 NPM-W2 S:プロダクションモジュラー NPM -W 2S:Production Modular キットリスト 製品品番 Model No. 製品名称 Model Name NM-EJM 5E KIT LIST 1 17 N610156868AA 30 Slot Feeder Cart Drive U n…

5
NPM-W2S:プロダクションモジュラー
NPM-W2S:Production Modular
キットレイアウト
製品品番
Model No.
製品名称
Model Name
NM-EJM5E
KIT LAYOUT
--
U9
( KEJM5ES-00-5 )

Kit Name
RankQ'ty
番号
Part No.
キット名
品 番 数量 ランク
頁
Page
No.
5
NPM-W2S:プロダクションモジュラー
NPM-W2S:Production Modular
キットリスト
製品品番
Model No.
製品名称
Model Name
NM-EJM5E
KIT LIST
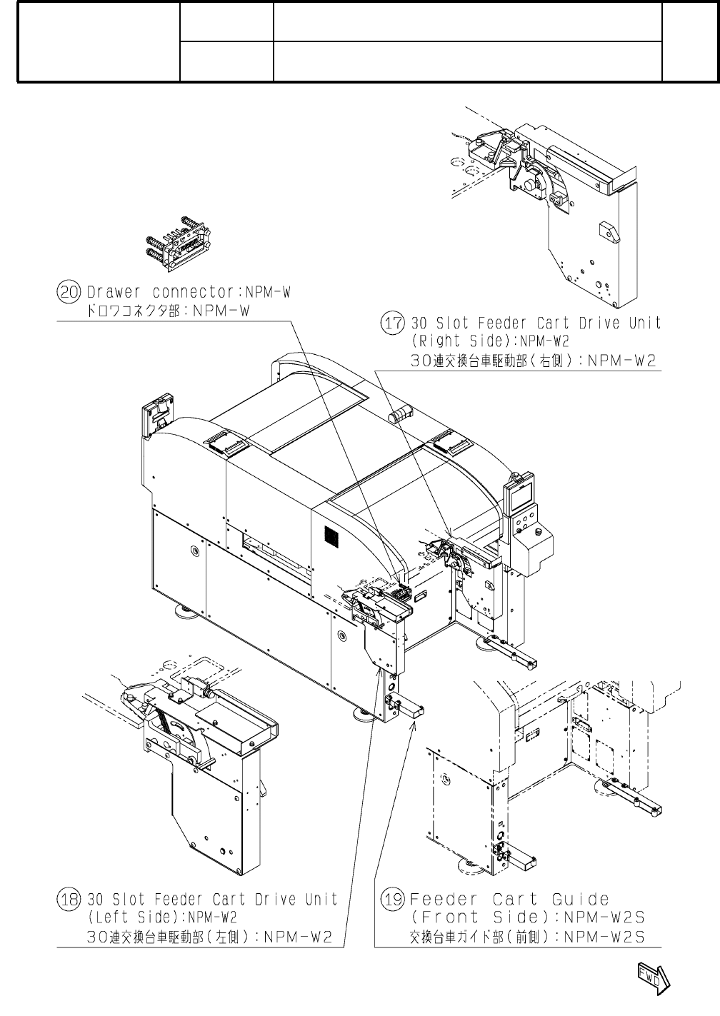
1
17
N610156868AA
30 Slot Feeder Cart Drive Unit(Right Side):NPM-W2
30連交換台車駆動部(右側):NPM-W2
O75
1
18
N610156869AA
30 Slot Feeder Cart Drive Unit(Left Side):NPM-W2
30連交換台車駆動部(左側):NPM-W2
O79
1
19
MTKA014739AA
Feeder Cart Guide(Front Side):NPM-W2S
交換台車ガイド部(前側):NPM-W2S
O83
1
20
N610130153AA
Drawer connector:NPM-W
ドロワコネクタ部:NPM-W
O85
U10
--
( KEJM5ES-00-5 )

6
NPM-W2S:プロダクションモジュラー
NPM-W2S:Production Modular
キットレイアウト
製品品番
Model No.
製品名称
Model Name
NM-EJM5E
KIT LAYOUT
--
U11
( KEJM5ES-00-6 )