P-207-001 - 第11页
MODEL TCM-X100 0212-002 9 ో࿑㧙㧞 UNIT LA YOUT -2 UNIT LA YOUT-2 MISCELLANEOUS PARTS-1 100V POWER SUPPLY SECTION 200V,100V POWER SUPPLY SECTION MISCELLANEOUS PARTS-1 MAIN POWER SUPPLY SECTION SERVICE PANEL SECTION CONTROL …

MODEL TCM-X100
0212-002
8
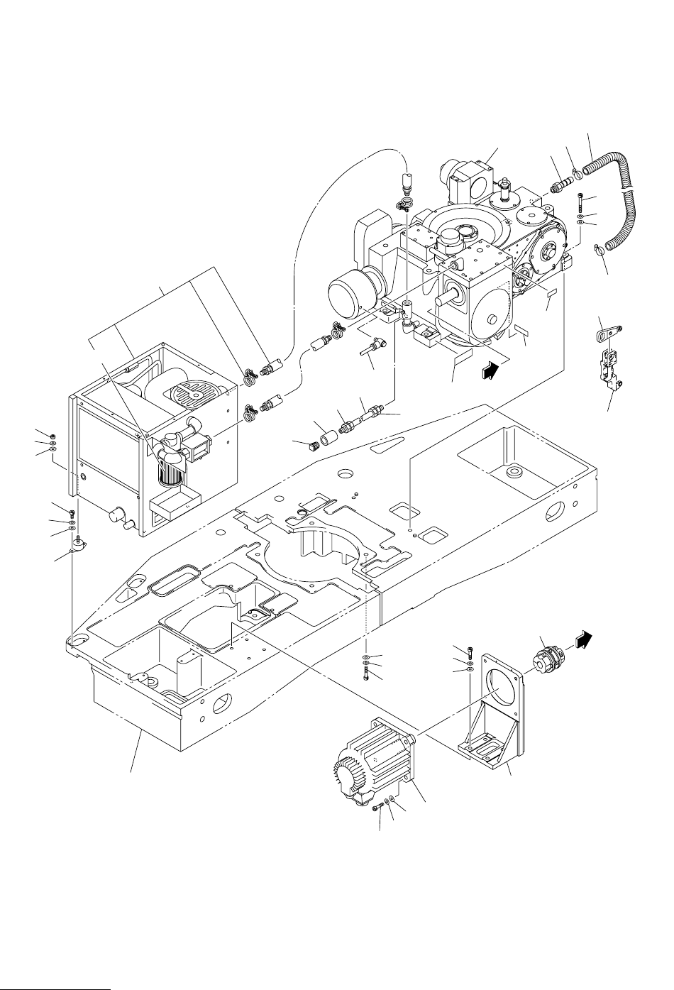
ో࿑㧙㧝 UNIT LAYOUT -1
UNIT LAYOUT-1
R CONVEYOR SECTION
Fig.MA COVER SECTION
Fig.JB
Fig.JC
Fig.JD
Fig.JE
X AXIS,Y AXIS
XY TOP BASE SECTION
XY TABLE SECTION
XY TABLE PIPING,WIRING
Fig.EB RECOGNITION UNIT SECTION
Fig.F TRANSFER SECTION
Fig.EC CUTTER SECTION
Fig.G L CONVEYOR SECTION
Fig.E MIDDLE BASE SECTION
Fig.L MAIN BODY SECTION
Fig.H
Fig.C
FEEDER CARRIAGE SECTION
Fig.D PNEUMATIC SECTION
Fig.KB HEAD DRIVING UNIT
Fig.BB HEAD BLOCK SECTION
Fig.K HEAD DRIVING SECTION
Fig.B TURNTABLE SECTION
Fig.MB
FEEDER CARRIAGE COVER SECTION
Fig.LB
DUST BOX SECTION
Fig.KC CAM SHAFT 3 AXIS SECTION
-1
TCM-X100-002
VIEW "A"
A

MODEL TCM-X100
0212-002
9
ో࿑㧙㧞 UNIT LAYOUT -2
UNIT LAYOUT-2
MISCELLANEOUS PARTS-1
100V POWER SUPPLY SECTION
200V,100V POWER SUPPLY SECTION
MISCELLANEOUS PARTS-1
MAIN POWER SUPPLY SECTION
SERVICE PANEL SECTION
CONTROL BOX SECTION
RELAY SEQUENCE PANEL SECTION
MISCELLANEOUS PARTS-1
Fig.RK
Fig.RH
Fig.RG
Fig.RL
Fig.RL
Fig.RE
Fig.RF
Fig.RL
Fig.RA
Fig.RL MISCELLANEOUS PARTS-1
Fig.RM MISCELLANEOUS PARTS-2
Fig.RC 200V POWER SUPPLY SECTION
-2
TCM-X100-002
Fig.RM MISCELLANEOUS PARTS-2

MODEL TCM-X100
0212-002
10
࠲ࡦ࠹ࡉ࡞ㇱ TURNTABLE SECTION
Fig. B-1
ࠗࡦ࠺࠶࡙ࠢࠬ࠾࠶࠻ޔࠝࠗ࡞ࠢ
Indexing Drive Unit, Oil Cooler
29
1-01
12
11
10
31
32
30
28
27
26
25
23
22
21
See Fig.L-1
Key No.12
See Fig.K-4
Key No.321
20
16
24
19
18
17
7
6
5
A
9
8
13
42
41
2
3
4
43
45
45
44
46
1
A
Fig.B-1
TCM-X200-003
4797A-003
4797L-002
TCM-X300-002
TCM-X100J-002
4797S-002
TCM-X100-002
29-01