P-207-001 - 第13页
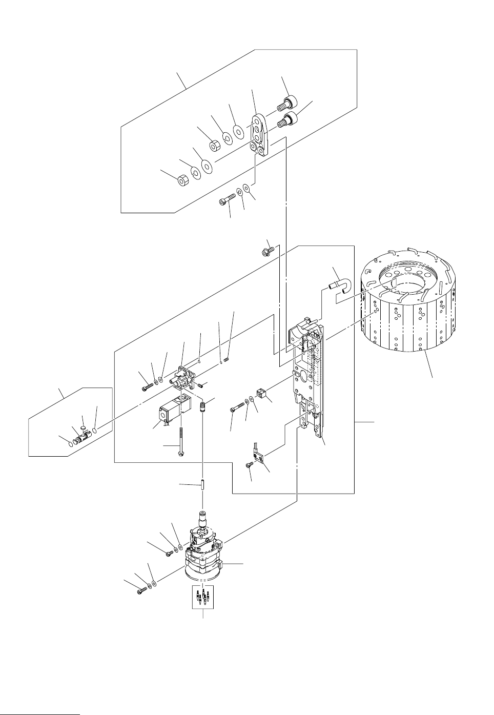
MODEL TCM-X100 0212-002 Key No. P AR T No. P AR T NAME Q’ ty REMARKS NOTE 11 B-1 1 630 1 18 3725 I ND EX IN G DR I VE 1 #18CHS3W0300*030 765B--010-001 1 -01 630 1 1 1 3135 C A M 1 2 4 11 1 41 4 8 0 0 WASHER V 12X24X2.5 4…

MODEL TCM-X100
0212-002
10
࠲ࡦ࠹ࡉ࡞ㇱ TURNTABLE SECTION
Fig. B-1
ࠗࡦ࠺࠶࡙ࠢࠬ࠾࠶࠻ޔࠝࠗ࡞ࠢ
Indexing Drive Unit, Oil Cooler
29
1-01
12
11
10
31
32
30
28
27
26
25
23
22
21
See Fig.L-1
Key No.12
See Fig.K-4
Key No.321
20
16
24
19
18
17
7
6
5
A
9
8
13
42
41
2
3
4
43
45
45
44
46
1
A
Fig.B-1
TCM-X200-003
4797A-003
4797L-002
TCM-X300-002
TCM-X100J-002
4797S-002
TCM-X100-002
29-01

MODEL TCM-X100
0212-002
Key No. PART No. PART NAME Q’ty REMARKS
NOTE
11
B-1
1 630 118 3725 INDEXING DRIVE 1 #18CHS3W0300*030 765B--010-001
1 -01 630 111 3135 CAM 1
2 411 141 4800 WASHER V 12X24X2.5 4 765B--010-002
3 411 141 3308 WASHER SPR 12 4 765B--010-003
4 630 000 8265 BOLT,HEX-SCT 4 765B--010-004
5 411 141 4800 WASHER V 12X24X2.5 4 765B--010-005
6 411 141 3308 WASHER SPR 12 4 765B--010-006
7 630 000 8241 BOLT,HEX-SCT 4 765B--010-007
8 630 004 0845 PIPE FITTINGS 1 765B--010-008
9 630 004 1279 TUBE 1 765B--010-009
10 630 003 7159 PIPE FITTINGS 1 765B--010-010
11 630 003 7937 PIPE FITTINGS 1 765B--010-011
12 630 003 8125 PIPE FITTINGS 1 765B--010-012
13 630 052 1993 PIPE FITTINGS 1 765B--010-013
16 630 099 6173 BRACKET 1 765B--010-016
17 411 141 4701 WASHER V 10X21X2 4 765B--010-017
18 411 141 3209 WASHER SPR 10 4 765B--010-018
19 630 000 8142 BOLT,HEX-SCT 4 765B--010-019
20 630 085 8143 MOTOR,AC-SERVO 1 MSVM1(H),SGMGH-44ACA21
765B--010-020
21 411 141 4701 WASHER V 10X21X2 4 765B--010-021
22 411 141 3209 WASHER SPR 10 4 765B--010-022
23 630 000 8142 BOLT,HEX-SCT 4 765B--010-023
24 630 049 2446 COUPLING 1 765B--010-024
25 630 003 6787 MECH PARTS(RUBBER DAMPER) 4 765B--010-025
26 411 141 4305 WASHER V 6X12.5X1.6 4 765B--010-026
27 411 141 3001 WASHER SPR 6 4 765B--010-027
28 630 000 7879 BOLT,HEX-SCT 4 765B--010-028
29 630 086 9958 UNIT(OIL COOLER) 1 765B--010-029
29 -01 630 098 5573 OIL PARTS 1
30 411 141 4503 WASHER V 8X17X1.6 4 765B--010-030
31 411 141 3100 WASHER SPR 8 4 765B--010-031
32 411 141 0901 NUT HEX 8 4 765B--010-032
41 630 008 2722 NAME PLATE,INDEX 1 765B--010-041
42 630 096 8644 NAME PLATE,PARTS 1 765B--010-042
43 630 004 1026 PIPE FITTINGS 1 765B--010-043
44 630 105 5619 TUBE 1 765B--010-044
45 630 008 0940 TUBE(BAND) 2 765B--010-045
46 630 052 2013 NAME PLATE,PARTS 1 765B--010-046

MODEL TCM-X100
0212-002
12
࠲ࡦ࠹ࡉ࡞ㇱ TURNTABLE SECTION
Fig. B-2
ࡋ࠶࠼ਅ࠾ࠕࠟࠗ࠼࠙ࠚࠗ
Head Leveller Linear Guide Way
VACUUM NOZZLE
(Work Corresponding)
Fig.B-2
See Fig.B-4
Key No.301
See Fig.BB-3
Key No.201
102
102-05
102-01
102-04
102-03
102-02
102-06
101-07
101-03
101-08
103-03
103-01
103-02
103-03
101-09
101-15
101-16
101-10
101-01
101
101-05
101-04
101-11
106
116
105
111
106
105
104
101-04
101-05
101-02
101-13
101-14
101-06
101-12
101-17
102-04
102-03
102-02
115
109
103
114
113
TCM-X200-002
4797A-002
4797L
TCM-X300