P-207-001 - 第163页
MODEL TCM-X100 0107-001 Key No. P AR T No. P AR T NAME Q’ ty REMARKS NOTE 161 K-6 50 1 630 093 6551 C O V E R 1 765K--010-501 50 2 630 093 6544 C O V E R 1 765K--010-502 50 3 630 094 4549 C O V E R 1 765K--010-503 50 4 4…

MODEL TCM-X100
0107-001
160
ࡋ࠶࠼㚟േㇱ HEAD DRIVING SECTION
Fig. K-6 ࡌ࡞࠻ࠞࡃ Belt Cover
Fig.K-6
TCM-X100AL
TCM-X300
4797L
4797A-002
TCM-X200-002
506
505
504
503
502
501
506
505
504
See Fig.B-1
Key No.1
See Fig.L-1
Key No.12
506
505
504

MODEL TCM-X100
0107-001
Key No. PART No. PART NAME Q’ty REMARKS
NOTE
161
K-6
501 630 093 6551 COVER 1 765K--010-501
502 630 093 6544 COVER 1 765K--010-502
503 630 094 4549 COVER 1 765K--010-503
504 411 141 4107 WASHER V 5X10X1 6 765K--010-504
505 411 141 6705 WASHER SPR 5 6 765K--010-505
506 630 000 7756 BOLT,HEX-SCT 6 765K--010-506

MODEL TCM-X100
0107-001
162
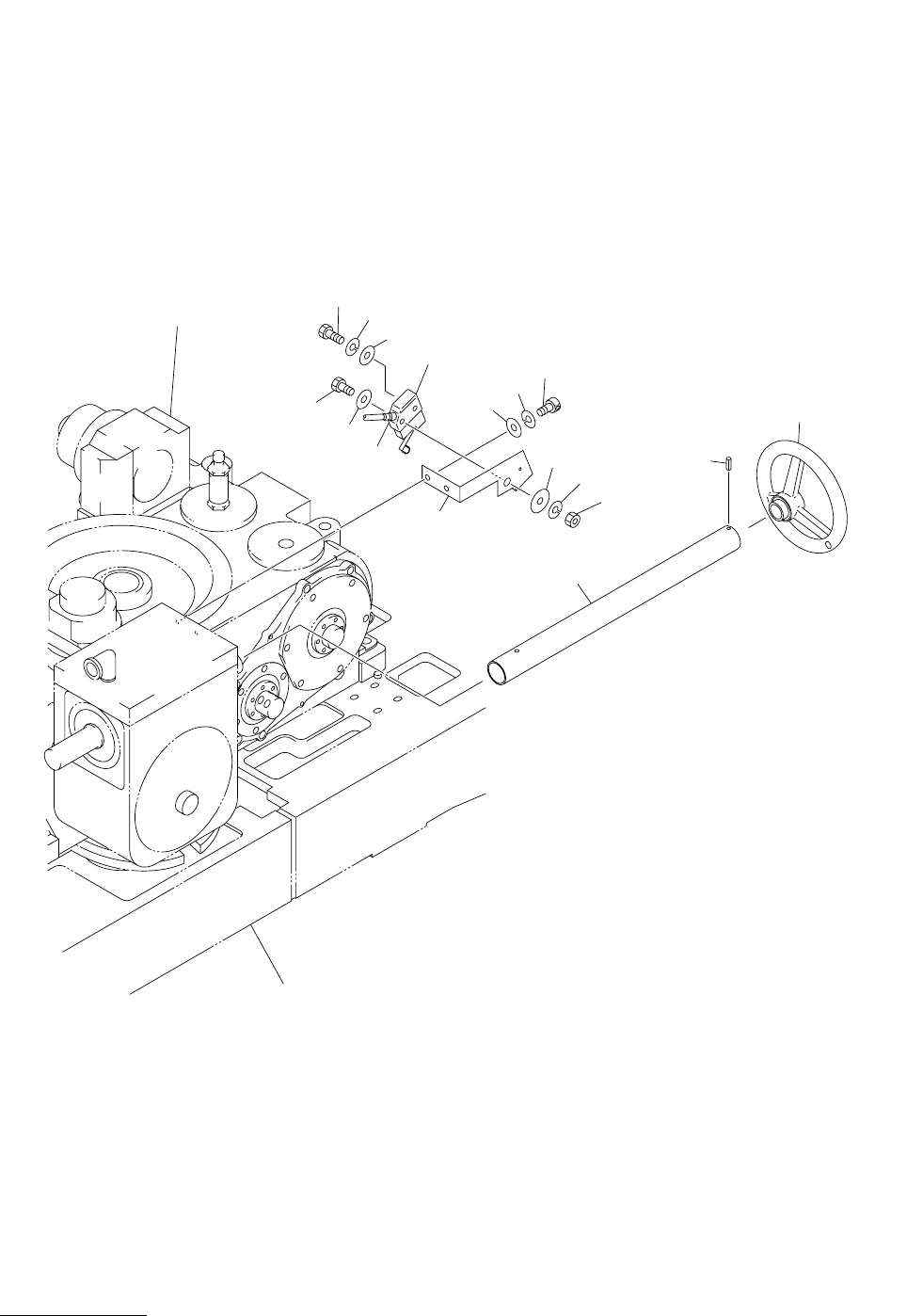
ࡋ࠶࠼㚟േㇱ HEAD DRIVING SECTION
Fig. K-7 ᚻ࿁ߒࡂࡦ࠼࡞ Hand Wheel
Fig.K-7
TCM-X300
4797L
TCM-X100AL
4797A-002
TCM-X200-002
609
608
607
603
606
605
604
610
607
602
See Fig.B-1
Key No.1
See Fig.L-1
Key No.12
611
601
612
613
617
615
616