P-207-001 - 第186页
MODEL TCM-X100 0212-002 184 ᧄㇱ MAIN BODY SECTION Fig. L-1 ᧄࡌࠬ Body Base Fig.L-1 TCM-X100-002 9 5 4 8 2 6 5 4 7 1 6 25 27 28 29 5 4 8 2 6 5 4 7 1 6 5 4 6 7 35 5 4 6 7 1 5 4 19 20 6 7 35 5 4 7 3 6 5 4 7 35 6 45 11 10 18…

MODEL TCM-X100
0107-001
Key No. PART No. PART NAME Q’ty REMARKS
NOTE
183
KC-5
401 630 103 1941 BASE 2 765KC-010-401
402 630 001 1272 BEARING,RADIAL 4 765KC-010-402
403 630 055 2881 SHAFT 2 765KC-010-403
404 630 086 6285 LEVER 2 765KC-010-404
405 630 100 7205 CYLINDER 1 YSV17 765KC-010-405
406 630 004 0845 PIPE FITTINGS 1 765KC-010-406
407 630 004 1279 TUBE 1 765KC-010-407
408 630 003 7159 PIPE FITTINGS 1 765KC-010-408
409 630 003 7937 PIPE FITTINGS 1 765KC-010-409
410 630 003 8125 PIPE FITTINGS 1 765KC-010-410
411 411 051 1708 SCR TRS 4X6 8 765KC-010-411
412 630 000 8944 SET SCREW 2 765KC-010-412
413 630 000 7770 BOLT,HEX-SCT 8 765KC-010-413
414 411 141 6705 WASHER SPR 5 8 765KC-010-414
415 411 142 3406 WASHER F 5X10X1 8 765KC-010-415
416 630 100 7212 CYLINDER 1 YSV18 765KC-010-416

MODEL TCM-X100
0212-002
184
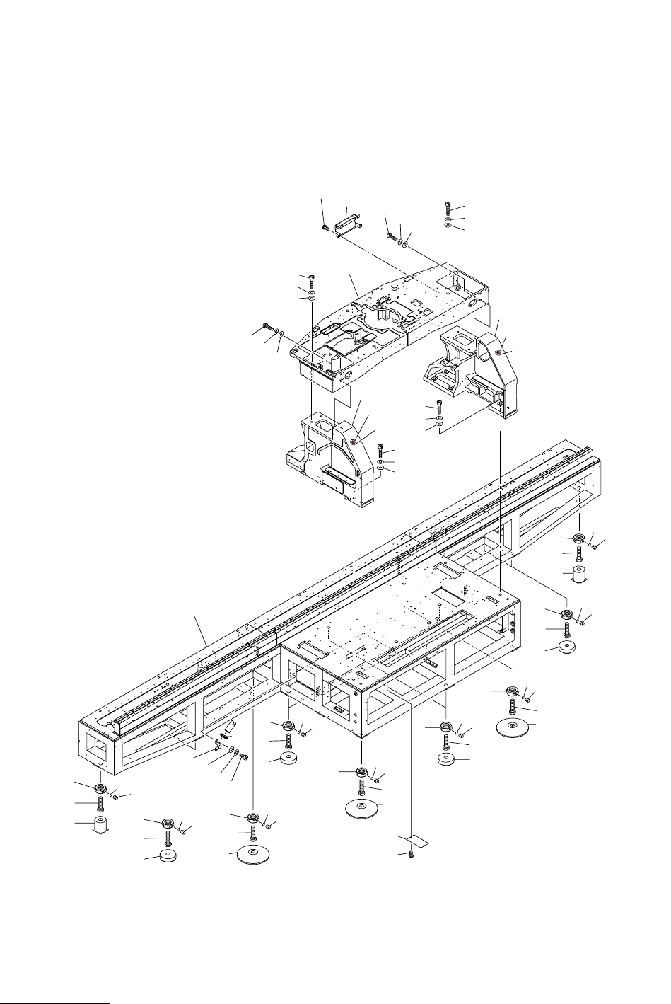
ᧄㇱ MAIN BODY SECTION
Fig. L-1 ᧄࡌࠬ Body Base
Fig.L-1
TCM-X100-002
9
5
4
8
2
6
5
4
7
1
6
25
27
28
29
5
4
8
2
6
5
4
7
1
6
5
4
6
7
35
5
4
6
7
1
5
4
19
20
6
7
35
5
4
7
3
6
5
4
7
35
6
45
11
10
18
17
16
13
14
15
13
18
17
16
12
39
40
14
15
15
14
13
15
14
13
52
51
52
51

MODEL TCM-X100
0212-002
Key No. PART No. PART NAME Q’ty REMARKS
NOTE
185
L-1
1 630 048 9910 BLOCK,LOCATE 6 765L--010-001
2 630 048 9637 BLOCK,LOCATE 2 765L--010-002
3 630 048 9927 BLOCK,LOCATE 2 765L--010-003
4 630 042 5697 NUT 14 765L--010-004
5 630 041 6770 COLLAR 14 765L--010-005
6 630 000 8975 SET SCREW 14 765L--010-006
7 630 042 5673 BOLT,HEX 12 765L--010-007
8 630 042 5680 BOLT,HEX 2 765L--010-008
9 630 115 8846 FRAME 1 765L--010-009
10 630 116 8357 FRAME(L) 1 765L--010-010
11 630 116 8364 FRAME(R) 1 765L--010-011
12 630 118 2063 FRAME(HEAD) 1 765L--010-012
13 411 141 5401 WASHER V 20X37X3 20 765L--010-013
14 411 141 6804 WASHER SPR 20 20 765L--010-014
15 630 009 5814 BOLT,HEX-SCT 20 765L--010-015
16 411 141 5203 WASHER V 16X30X3 2 765L--010-016
17 411 141 3407 WASHER SPR 16 2 765L--010-017
18 630 083 4253 BOLT,HEX-SCT 2 765L--010-018
19 630 089 2314 PLATE 1 765L--010-019
20 411 113 9109 SCR TRS 5X10 2 765L--010-020
25 630 118 8348 BRACKET(BAND) 1 765L--010-025
27 411 141 4107 WASHER V 5X10X1 2 765L--010-027
28 411 141 6705 WASHER SPR 5 2 765L--010-028
29 630 000 7756 BOLT,HEX-SCT 2 765L--010-029
35 630 089 2475 BLOCK,LOCATE 4 765L--010-035
39 630 097 5413 COVER 1 765L--010-039
40 411 113 9109 SCR TRS 5X10 4 765L--010-040
51 630 093 6445 ASSY,SWITCH,BUTTON 2 SPB5,SPB6 765L--010-051
52 630 064 6320 NAME PLATE,NOTICE 2 765L--010-052