P-207-001 - 第67页
MODEL TCM-X100 0107-001 Key No. P AR T No. P AR T NAME Q’ ty REMARKS NOTE 65 F-1 1 630 053 5068 BRAC KET (L ) 1 765F--010-001 2 630 001 0237 WA SH ER 2 765F--010-002 3 41 1 141 3001 WA SHE R S PR 6 2 765F--010-003 4 630 …

MODEL TCM-X100
0107-001
64
࠻ࡦࠬࡈࠔㇱ TRANSFER SECTION
Fig. F-1 ၮ᧼⒖タῪਅࠪࡦ࠳ Transfer Claw Leveller Cylinder
30
31
32
44
43
42
40
41
13
14
12
See Fig.F-2
Key No.106
15
16
17
18
22
23
21
19
11
24
26
27
25
28
29
20
3
2
4
1
36
37
38
39
33
34
35
Fig.F-1
TCM-X100J
TCM-X100AL

MODEL TCM-X100
0107-001
Key No. PART No. PART NAME Q’ty REMARKS
NOTE
65
F-1
1 630 053 5068 BRACKET(L) 1 765F--010-001
2 630 001 0237 WASHER 2 765F--010-002
3 411 141 3001 WASHER SPR 6 2 765F--010-003
4 630 000 7916 BOLT,HEX-SCT 2 765F--010-004
11 630 048 8968 LEVER 1 765F--010-011
12 411 141 4305 WASHER V 6X12.5X1.6 1 765F--010-012
13 411 141 3001 WASHER SPR 6 1 765F--010-013
14 630 000 7909 BOLT,HEX-SCT 1 765F--010-014
15 630 102 8040 PLATE(SHADE C) 1 765F--010-015
16 411 141 4008 WASHER V 4X9X0.8 2 765F--010-016
17 411 141 2905 WASHER SPR 4 2 765F--010-017
18 630 000 7619 BOLT,HEX-SCT 2 765F--010-018
19 411 054 8506 NUT HEX 4 1 765F--010-019
20 411 113 2209 SCR PAN 4X16 1 765F--010-020
21 411 054 8506 NUT HEX 4 1 765F--010-021
22 411 003 0001 SCR PAN 4X12 1 765F--010-022
23 630 001 8899 SPRING,TENSION 1 765F--010-023
24 630 003 4950 CYLINDER 1 BPS1 765F--010-024
25 630 003 5193 AIR LINE EQPT 2 765F--010-025
26 630 048 8982 BLOCK(CYL) 1 765F--010-026
27 411 141 4305 WASHER V 6X12.5X1.6 2 765F--010-027
28 411 141 3001 WASHER SPR 6 2 765F--010-028
29 630 000 7886 BOLT,HEX-SCT 2 765F--010-029
30 630 048 8975 BLOCK(STOPPER) 1 765F--010-030
31 411 141 0703 NUT HEX 6 1 765F--010-031
32 630 042 2108 BOLT,HEX 1 765F--010-032
33 411 141 4305 WASHER V 6X12.5X1.6 2 765F--010-033
34 411 141 3001 WASHER SPR 6 2 765F--010-034
35 630 000 7954 BOLT,HEX-SCT 2 765F--010-035
36 630 066 5031 BRACKET(PHOTO) 1 765F--010-036
37 411 141 4008 WASHER V 4X9X0.8 2 765F--010-037
38 411 141 2905 WASHER SPR 4 2 765F--010-038
39 630 000 7602 BOLT,HEX-SCT 2 765F--010-039
40 630 004 1798 SENSOR,PHOTO 1 BPH40 765F--010-040
41 630 000 0269 SENSOR,PHOTO(CONNECTOR) 1 765F--010-041
42 411 119 1909 WASHER V 3X7X0.5 2 765F--010-042
43 411 086 4408 WASHER SPR 3 2 765F--010-043
44 411 041 8908 SCR PAN 3X6 2 765F--010-044

MODEL TCM-X100
0107-001
66
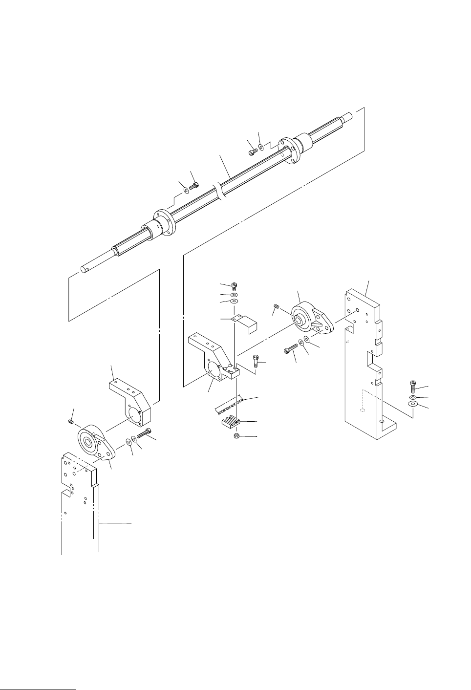
࠻ࡦࠬࡈࠔㇱ TRANSFER SECTION
Fig. F-2 ࠬࡊࠗࡦゲ Spline Shaft
Fig.F-2
TCM-X100AL
108
106
108
107
107
105
104
103
116
101
114
113
117
118
119
125
122
See Fig.F-1
Key No.1
126
124
123
110
109
111
102
121
112
120
115
See Fig.F-6
Key No.527