TR6DNR_维修调整 - 第19页
维修调整要领书 3-4 3- 3. 电路保护器的更换 拆下 A 部的螺丝后即可连同托架向身前拉出。 请按照下表更换为相同额定值的部件。 名称 额定 货号 适用 CP1 3A HA005240000 主电源 CP2 10A HA00524000C 主侧(下段)伺服驱动器 CP3 10A HA00524000C 副侧(上段)伺服驱动器 CP4 5A HA00524000A X 轴脉冲驱动器 CP5 5A HA00524000A Y 轴脉冲驱…

维修调整要领书
3-3
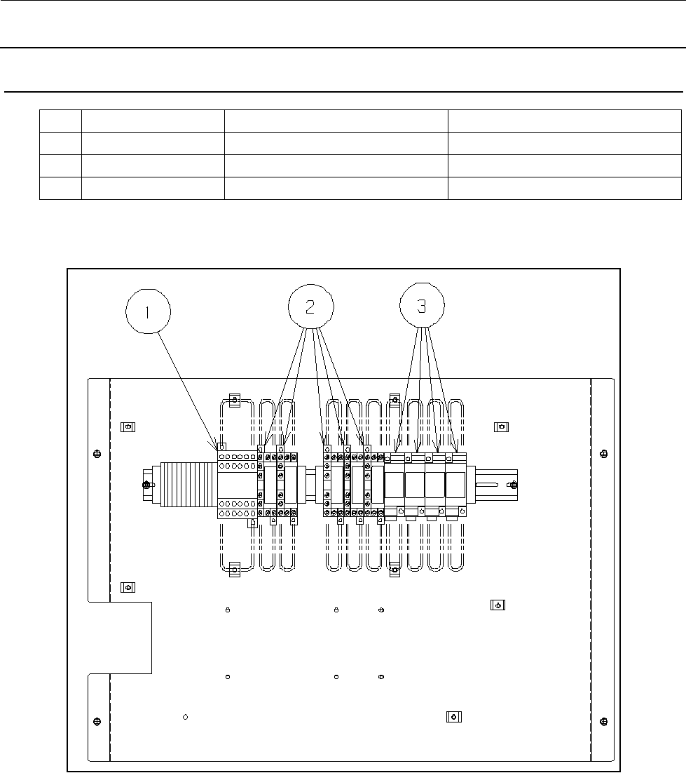
3-2. 电气部分布置图(CE 规格机)
No.
货号
品名
备注
1
HB001430000
安全继电器装置
2
HB001390000
继电器
3
E9641040000
继电器
MY2 DC24V

维修调整要领书
3-4
3-3. 电路保护器的更换
拆下 A 部的螺丝后即可连同托架向身前拉出。
请按照下表更换为相同额定值的部件。
名称
额定
货号
适用
CP1
3A
HA005240000
主电源
CP2
10A
HA00524000C
主侧(下段)伺服驱动器
CP3
10A
HA00524000C
副侧(上段)伺服驱动器
CP4
5A
HA00524000A
X 轴脉冲驱动器
CP5
5A
HA00524000A
Y 轴脉冲驱动器
CP6
5A
HA00524000A
梭动器轴脉冲驱动器
CP7 3A HA005240000
传送电动机
CP1
CP3
CP5
CP7
CP2
CP4
CP6
A

维修调整要领书
3-5
3-4. AC 伺服驱动器的更换
请拆下驱动器的连接器。
拆下 A 部的螺丝,将驱动器连同托架拉出。(此时 B 部还连着 FG 线,故请注意)
拉出到能够取下 B 部 C 部螺丝的位置后,请拆下 B 部 C 部的螺丝并更换驱动器。
更换后,请将 D 部的轴位螺丝嵌入托架的缺口,用 A 部的螺丝固定之。
※输入参数需要专用软件。
驱动器单体出厂时,是发货已输入好参数的驱动器,请准备下述货号的驱动器。
备用驱动器货号:40040687