Basic Pack Vacuum Tooling_20211118_084854 - 第3页
Basic Pack Vacuum Tooling Page 3 / 3 18.11.2021 Pos. Item no. Description Part marking 1 00588121-01 BASIC PACK VACUUM TOOLING TX 2 03149194-02 BASIC PACK VACUUM TOOLING TXM 3 03138689-01 VALVE UNIT CPL. SPARE PART 4 031…

Basic Pack Vacuum Tooling
Page 1 / 3 18.11.2021

Basic Pack Vacuum Tooling
Page 2 / 3 18.11.2021

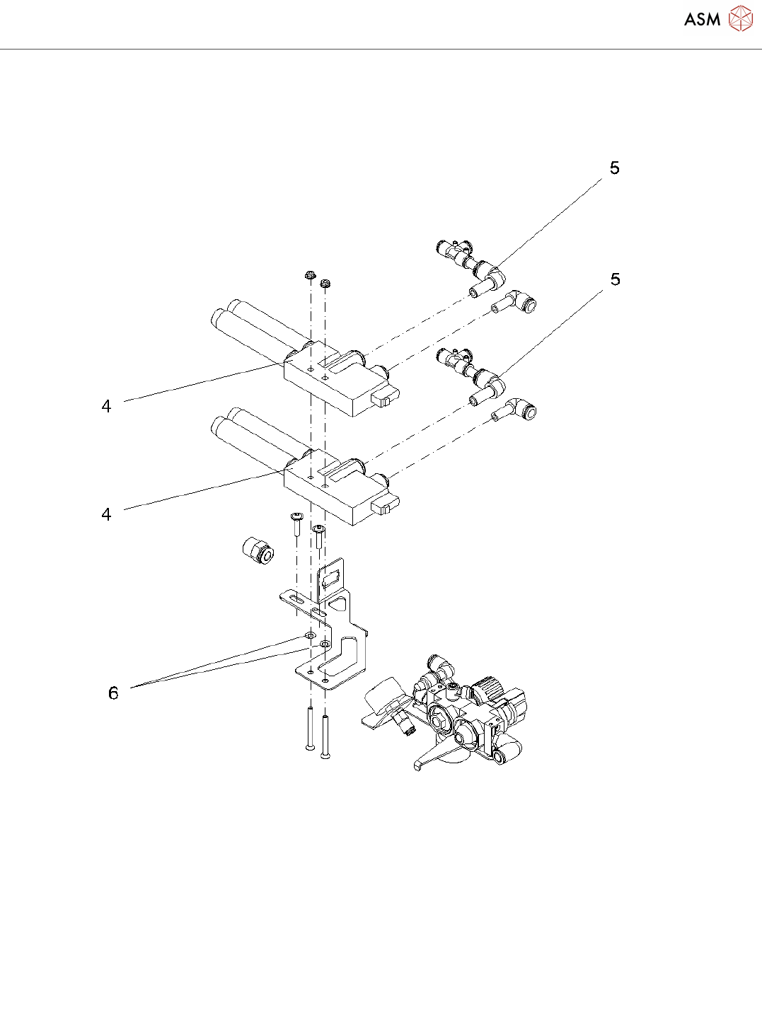
Basic Pack Vacuum Tooling
Page 3 / 3 18.11.2021
Pos. Item no. Description Part marking
1 00588121-01 BASIC PACK VACUUM TOOLING TX
2 03149194-02 BASIC PACK VACUUM TOOLING TXM
3 03138689-01 VALVE UNIT CPL. SPARE PART
4 03136878-01 VACUUM GENERATOR, NOMINAL
SIZE 2MM
SPARE PART
5 03052349-01 PUSH-IN L CON. W. PUSH-IN SLEEVE
QSL-12H
SPARE PART
6 00304455-01 DIN 988-6X12X0,5-ST 2 K 50 STANDARD PARTS
7 03147483-01 SHEET METAL F. SWITCH CPL.
8 03047841-01 VACUUM SWITCH VS-V-D-PNP
03139108-05 CABLE: VACUUM_TOOLING SPARE PART
03153346-01 TUBE SET VALVE UNIT TXM
VACTOOL
00333778S01 PLASTIC TUBE PUN-6X1 BLUE 5M WEAR PART
00333780-01 PLASTIC TUBE PUN -8*1.25 BLUE STANDARD PARTS
Powered by TCPDF (www.tcpdf.org)