SPV - 第378页
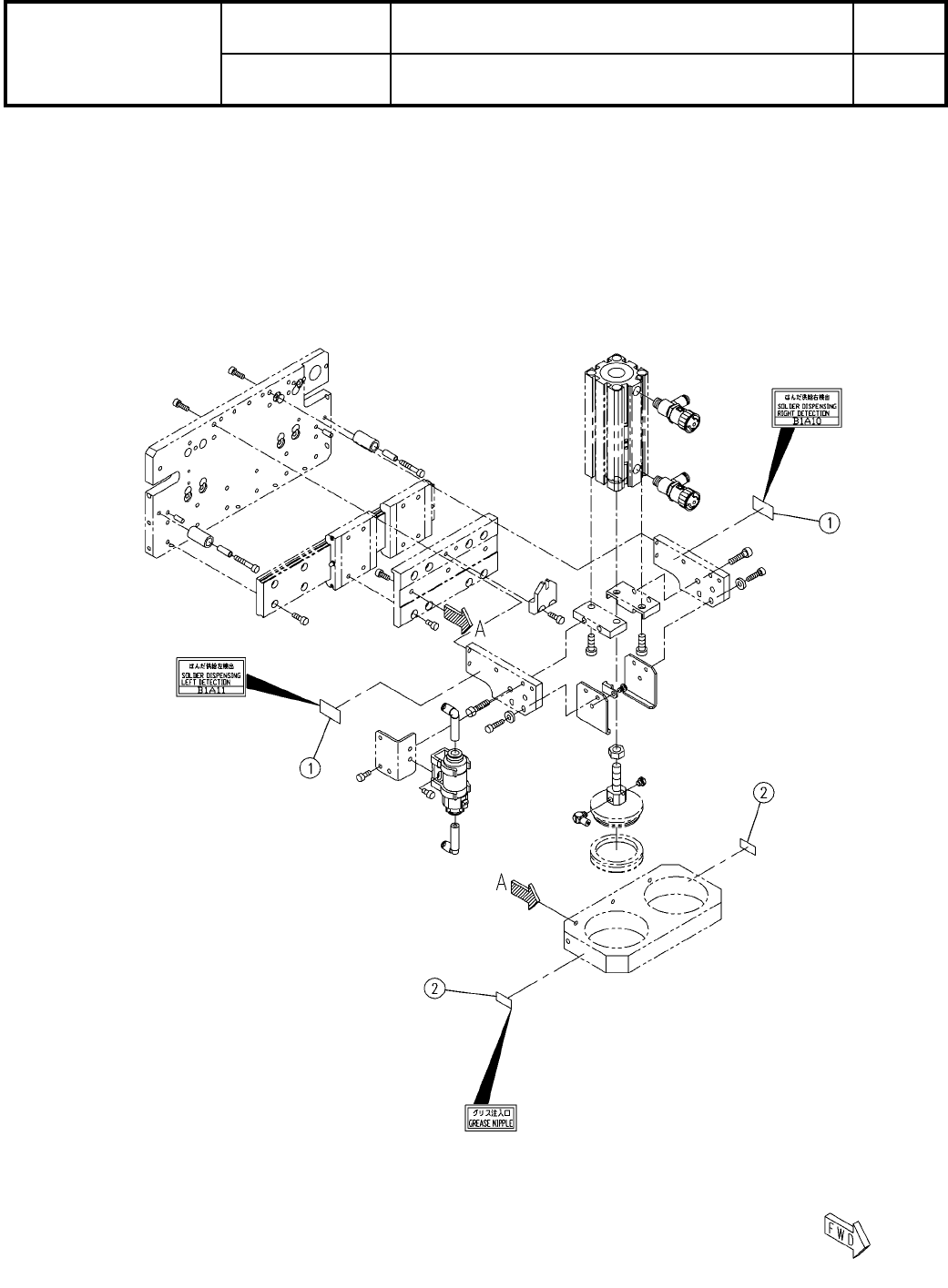
53 銘板・警告ラベル( はんだ自動供給): SPV Label(Solder Auto Di spensing):SPV パーツレイアウト Kit No . キット品番 Kit Name キット名称 MTKA000322AA セクションNo. PARTS LAYOUT Section No. - - O147 ( KMTKA000322AA-01 -3 )

Ref
No.
Remarks R
1
Q'ty
53
銘板・警告ラベル(はんだ自動供給):SPV
Label(Solder Auto Dispensing):SPV
イラスト
No.
Part No.
品 名品 番 数量
R
2
パーツリスト
Kit No.
キット品番
Kit Name
キット名称
MTKA000322AA
Part Name
備 考
セクションNo.
PARTS LIST
Section No.
R
3
LABEL
1
1 MTPL000116AA
LABEL
1
2 KXF0DNCAA00 (Drawing available 0DNCA)
O146
--
( KMTKA000322AA-01-2 )

53
銘板・警告ラベル(はんだ自動供給):SPV
Label(Solder Auto Dispensing):SPV
パーツレイアウト
Kit No.
キット品番
Kit Name
キット名称
MTKA000322AA
セクションNo.
PARTS LAYOUT
Section No.
--
O147
( KMTKA000322AA-01-3 )

Ref
No.
Remarks R
1
Q'ty
53
銘板・警告ラベル(はんだ自動供給):SPV
Label(Solder Auto Dispensing):SPV
イラスト
No.
Part No.
品 名品 番 数量
R
2
パーツリスト
Kit No.
キット品番
Kit Name
キット名称
MTKA000322AA
Part Name
備 考
セクションNo.
PARTS LIST
Section No.
R
3
LABEL
1
1 MTPL000116AA
LABEL
1
2 KXF0DNCAA00 (Drawing available 0DNCA)
O148
--
( KMTKA000322AA-01-3 )