N7202A043B - 第205页
Ref No. Remark s R 1 Q'ty 1-F PC デュアルコンベア:NPM -D2 PC Dual Convey or:NPM-D 2 イラスト No. Part No. 品 名 品 番 数量 R 2 パーツリスト Kit No. キット品番 Kit Name キット名称 N610154079AD Part Nam e 備 考 セク ション No . PARTS LIST Section No. R 3 RIN…

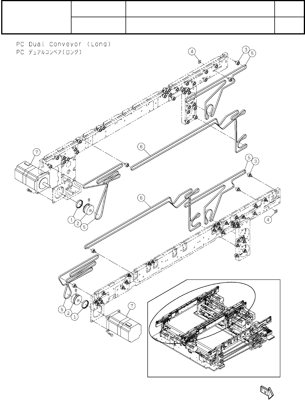
1-F
PC デュアルコンベア:NPM-D2
PC Dual Conveyor:NPM-D2
パーツレイアウト
Kit No.
キット品番
Kit Name
キット名称
N610154079AD
セクションNo.
PARTS LAYOUT
Section No.
--
O11
( KN610154079AD-04-6 )

Ref
No.
Remarks R
1
Q'ty
1-F
PC デュアルコンベア:NPM-D2
PC Dual Conveyor:NPM-D2
イラスト
No.
Part No.
品 名品 番 数量
R
2
パーツリスト
Kit No.
キット品番
Kit Name
キット名称
N610154079AD
Part Name
備 考
セクションNo.
PARTS LIST
Section No.
R
3
RING
2
1 N210088855AA
A
PULLEY
2
2 N210092041AA
PULLEY
69
3 N610127907AA
NUT
8
4 N510048038AA NSMT-04-4
BELT
4
5 N510060977AA
A
TA-4UEB M/D 4.5WX990.0L
BELT
2
6 N510065133AA
A
TA-4UEB M/D 4.5WX1566.0L
MOTOR
2
7 N510056785AA
S
DU13H713S-02
O12
--
( KN610154079AD-04-6 )

1-G
PC デュアルコンベア:NPM-D2
PC Dual Conveyor:NPM-D2
パーツレイアウト
Kit No.
キット品番
Kit Name
キット名称
N610154079AD
セクションNo.
PARTS LAYOUT
Section No.
--
O13
( KN610154079AD-04-7 )