N7202A043B - 第280页
20-A 交換台車駆動部(後側):NPM-D3 Feeder cart drive unit(rear side):NPM -D3 パーツレイアウト Kit No. キット 品番 Kit Name キット名称 N610160990AA セクションNo. PARTS LAYOUT Section No. - - O87 ( KN610160990AA-03-1 )

Ref
No.
Remarks R
1
Q'ty
19
エア供給ユニット(交換台車):NPM
Air supply unit(feeder cart):NPM
イラスト
No.
Part No.
品 名品 番 数量
R
2
パーツリスト
Kit No.
キット品番
Kit Name
キット名称
N610069446AA
Part Name
備 考
セクションNo.
PARTS LIST
Section No.
R
3
AIR-BLOCK
1
1 N210085538AA
COUPLER
17
2 N510044684AA 103C-M5-KK01
JOINT
1
3 N510066794AA KQ2L06-01NS
PLUG
1
4 N42201 PT1/8
O86
--
( KN610069446AA-03 )

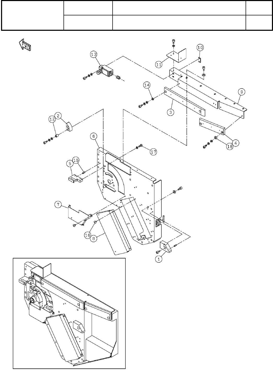
20-A
交換台車駆動部(後側):NPM-D3
Feeder cart drive unit(rear side):NPM-D3
パーツレイアウト
Kit No.
キット品番
Kit Name
キット名称
N610160990AA
セクションNo.
PARTS LAYOUT
Section No.
--
O87
( KN610160990AA-03-1 )

Ref
No.
Remarks R
1
Q'ty
20-A
交換台車駆動部(後側):NPM-D3
Feeder cart drive unit(rear side):NPM-D3
イラスト
No.
Part No.
品 名品 番 数量
R
2
パーツリスト
Kit No.
キット品番
Kit Name
キット名称
N610160990AA
Part Name
備 考
セクションNo.
PARTS LIST
Section No.
R
3
BLOCK
1
1 N210091111AC
GUIDE
1
2 N210093809AC
GUIDE
1
3 N210105774AD
GUIDE
1
4 N210103086AD
GUIDE
1
5 N210103087AC
PLATE
1
6 N210190533AB
COVER
1
7 N210103101AC
COVER
1
8 N210103092AC
BRACKET
1
9 N210191045AA
NUT-PLATE
1
10 N210091006AA
COVER
1
11 N210103094AC
SPACER
2
12 N510038787AA 3382330-50120
SWITCH
1
13 N510040005AA
S
D4N-9122
SPACER
2
14 N510009576AA 3382330-40020
PIN
4
15 KXF0CXHAA00 1017003-40008
SCREW
8
16 N510018280AA
Cross recessed Truss head machine screw M4X6-4.8 A2S (Trivalent)
BOLT
4
17 N510017555AA
SSS 003 Hexagon socket button head screw M6X12-10.9 A2J (Trivalent)
SPACER
2
18 N510020086AA 3382330-40050
O88
--
( KN610160990AA-03-1 )