N7202A043B - 第317页
Ref No. Remarks R 1 Q'ty 29-C トレイフィーダ引出部:NPM Tray Feeder D rawing-out Section:N PM イラスト No. Part No. 品 名 品 番 数量 R 2 パーツリスト Kit No. キット品番 Kit Name キット名称 N610069934AA Part Nam e 備 考 セク ション No . PARTS LIST Section No. …

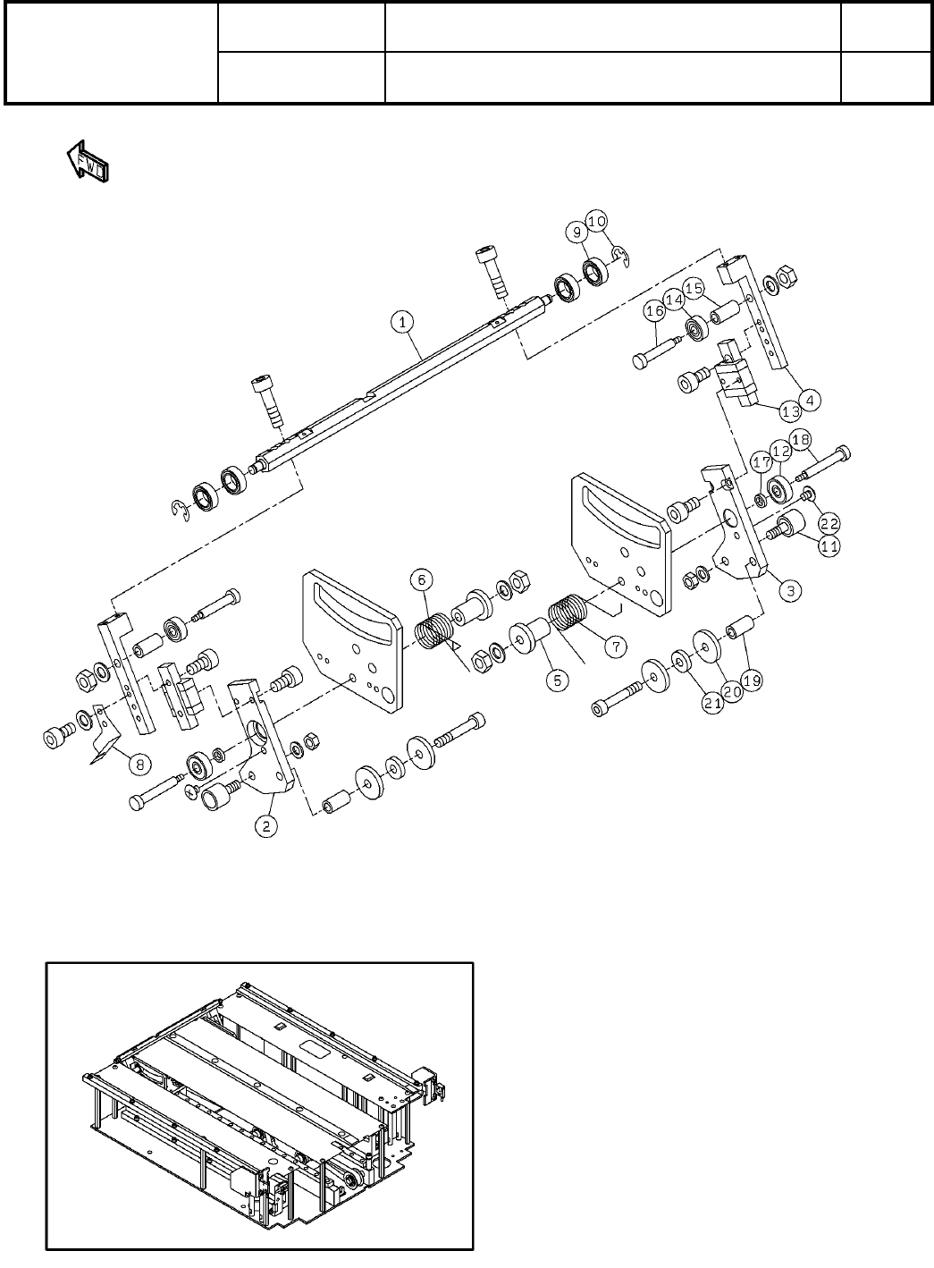
29-C
トレイフィーダ引出部:NPM
Tray Feeder Drawing-out Section:NPM
パーツレイアウト
Kit No.
キット品番
Kit Name
キット名称
N610069934AA
セクションNo.
PARTS LAYOUT
Section No.
--
O123
( KN610069934AA-15-3 )

Ref
No.
Remarks R
1
Q'ty
29-C
トレイフィーダ引出部:NPM
Tray Feeder Drawing-out Section:NPM
イラスト
No.
Part No.
品 名品 番 数量
R
2
パーツリスト
Kit No.
キット品番
Kit Name
キット名称
N610069934AA
Part Name
備 考
セクションNo.
PARTS LIST
Section No.
R
3
COLLAR
2
1 N210164543AA
KEY
1
2 KXFB018CA00
COLLAR
1
3 KXFB018EA00
ROD
1
4 N210086825AA
MOTOR-BRACKET
1
5 N210086834AA
BRACKET
1
6 N210086835AA
BOLT
2
7 N510022271AA MMSB6-40
COLLAR
2
8 N510035835AA 87PASC6-10-12.2
BEARING
4
9 KXF00MVAA00 696ZZ
PULLEY
2
10 KXF0DXQ5A00 16S5M0100AF 0909C0-81050-00(DDA)
BOLT
2
11 N510035833AA 87MSB8-40
COLLAR
2
12 N510035836AA 87FAMSC-V8.0-D13.0-L10.0
BEARING
2
13 KXF00KHAA00 608ZZMC3E
BEARING
4
14 KXF020LAA00 F608ZZMC3
T-BELT
1
15 N510057112AA 100S5M1050GB
C-RING
1
16 KXF04CRAA00 STW-10
PULLEY
1
17 KXF0DXQ7A00 18S5M0100 0909C0-81141-00(DDA)
WASHER
1
18 N510036174AA 87FWASM-D15.0-V10.0-T6.0
BEARING
2
19 KXF0A02AA00 KFL000
PULLEY
1
20 KXF0DXQ8A00 44S5M0100 0909C0-81161-00(DDA)
POWER-LOCK
1
21 KXF0DXPZA00 PL015X023TF
T-BELT
1
22 N510057109AA 100S5M350GB
PULLEY
1
23 KXF0DXQ6A00 18S5M0100 0909C0-81121-00(DDA)
MOTOR
1
24 N510022125AA
S
HF-MP23K-S23
O124
--
( KN610069934AA-15-3 )

29-D
トレイフィーダ引出部:NPM
Tray Feeder Drawing-out Section:NPM
パーツレイアウト
Kit No.
キット品番
Kit Name
キット名称
N610069934AA
セクションNo.
PARTS LAYOUT
Section No.
--
O125
( KN610069934AA-15-4 )