N7202A043B - 第417页
Ref No. Remarks R 1 Q'ty 62 付属品(2ノズルヘッド):NPM Attachment(2 Nozzle H ead):NPM イラスト No. Part No. 品 名 品 番 数量 R 2 パーツリスト Kit No. キット品番 Kit Name キット名称 N610104461AA Part Nam e 備 考 セク ション No . PARTS LIST Section No. R 3 CLA…

62
付属品(2ノズルヘッド):NPM
Attachment(2 Nozzle Head):NPM
パーツレイアウト
Kit No.
キット品番
Kit Name
キット名称
N610104461AA
セクションNo.
PARTS LAYOUT
Section No.
--
O223
( KN610104461AA-05 )

Ref
No.
Remarks R
1
Q'ty
62
付属品(2ノズルヘッド):NPM
Attachment(2 Nozzle Head):NPM
イラスト
No.
Part No.
品 名品 番 数量
R
2
パーツリスト
Kit No.
キット品番
Kit Name
キット名称
N610104461AA
Part Name
備 考
セクションNo.
PARTS LIST
Section No.
R
3
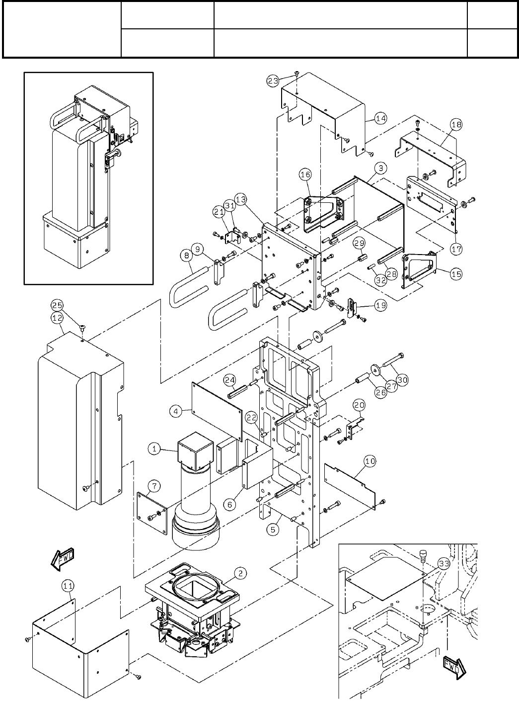
CLAMP
1
1 KXFB00L1A02
A
SPRING
1
2 N210076717AA
A
FILTER
1
3 N610009394AC
SHEET
2
4 N210160099AA
TUBE(173mm CUT)
1
5 N610144924AC
O224
--
( KN610104461AA-05 )

63
2D検査ヘッド(A):NPM
2D_Inspection Head_(A):NPM
パーツレイアウト
Kit No.
キット品番
Kit Name
キット名称
N610157774AA
セクションNo.
PARTS LAYOUT
Section No.
--
O225
( KN610157774AA-01 )