N7202A043B - 第421页
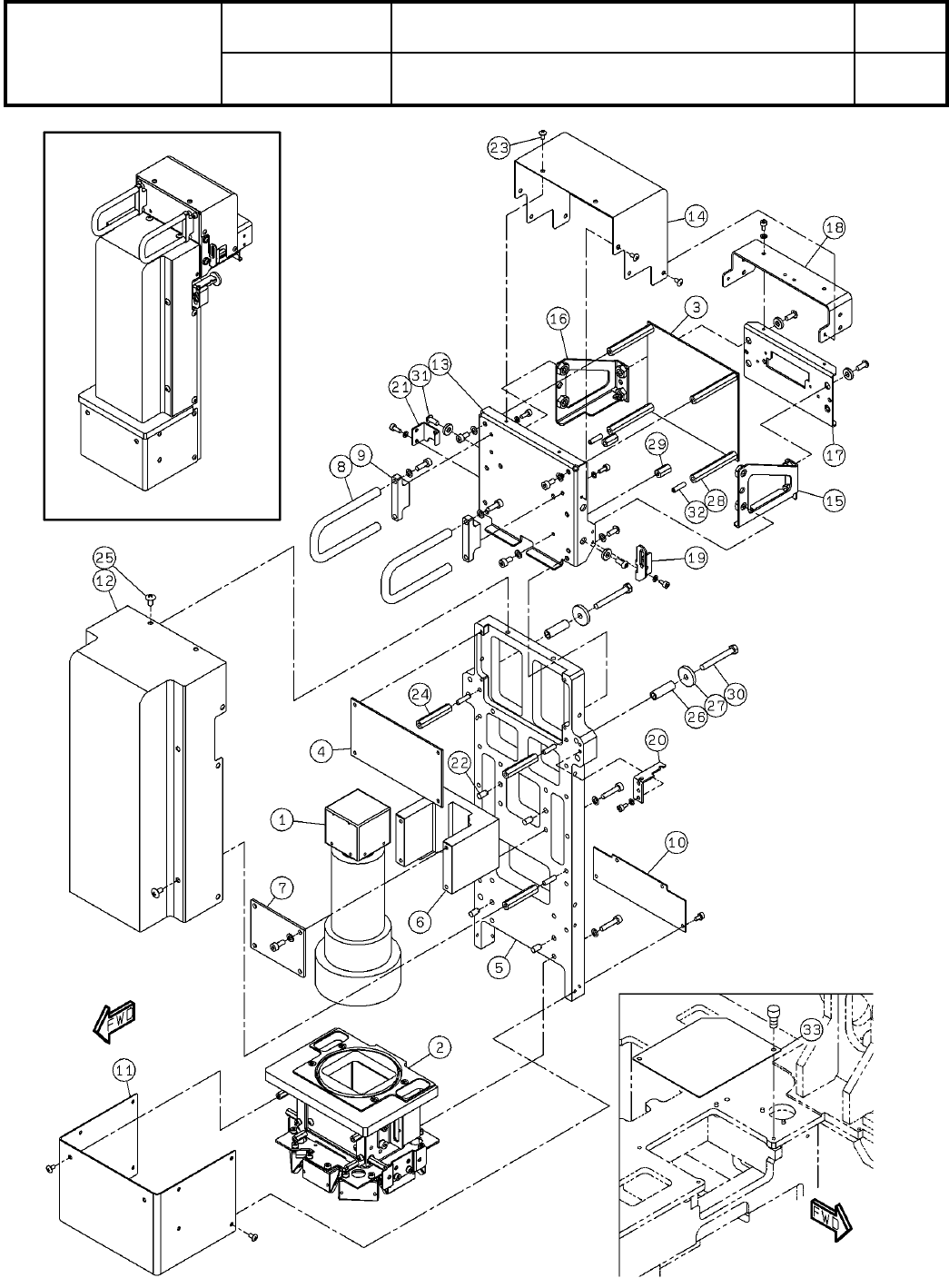
Ref No. Remarks R 1 Q'ty 64 2D検査ヘッド(B):NPM 2D_Inspection Head_(B):NPM イラスト No. Part No. 品 名 品 番 数量 R 2 パーツリスト Kit No. キット品番 Kit Name キット名称 N610157775AA Part Nam e 備 考 セク ション No . PARTS LIST Section No. R 3 Camera Le…

64
2D検査ヘッド(B):NPM
2D_Inspection Head_(B):NPM
パーツレイアウト
Kit No.
キット品番
Kit Name
キット名称
N610157775AA
セクションNo.
PARTS LAYOUT
Section No.
--
O227
( KN610157775AA-01 )

Ref
No.
Remarks R
1
Q'ty
64
2D検査ヘッド(B):NPM
2D_Inspection Head_(B):NPM
イラスト
No.
Part No.
品 名品 番 数量
R
2
パーツリスト
Kit No.
キット品番
Kit Name
キット名称
N610157775AA
Part Name
備 考
セクションNo.
PARTS LIST
Section No.
R
3
Camera Lens unit
1
1 N610089549AA
S
LED Lighting Unit:NPM_2D
1
2 N610094821AB
S
PCB
1
3 N610129769AB
S
Camera Link Switch Board
1
4 N610083130AA
S
PNF0AM-BA
PLATE
1
5 N210186141AA
HOLDER
1
6 N210108733AC
PLATE
1
7 N210125620AA
HANDLE
2
8 N210082172AA
BLOCK
2
9 N210082171AA
COVER
1
10 N210108735AC
COVER
1
11 N210108736AC
COVER
1
12 N210111384AC
BRACKET
1
13 N210100606AC
COVER
1
14 N210100608AC
BRACKET
1
15 N210095812AA
BRACKET
1
16 N210095814AA
BRACKET
1
17 N210100612AB
BRACKET
1
18 N210100609AC
BRACKET
1
19 N210134088AA
BRACKET
1
20 N210125621AB
BRACKET
1
21 N210125622AA
PIN
4
22 N510020607AA MMS5-10
SCREW
18
23 N510018254AA
Cross recessed Truss head machine screw M3X6-4.8 A2S (Trivalent)
SPACER
4
24 N510019894AA ASF-440E
SCREW
12
25 N510018283AA
Cross recessed Truss head machine screw M4X8-4.8 A2S (Trivalent)
SPACER
2
26 N510038541AA CF-525E
WASHER
2
27 N510033408AA 87FWSSB-D20.0-V5.0-T3.0
SPACER
4
28 N510020913AA ASF-455E
SPACER
2
29 N510020911AA ASF-414E
BOLT
2
30 N510041334AA
Hexagon head bolt Best class M5X40-6g 4T A2J (Trivalent)
BOLT
12
31 N510002011AA SRBS-M4X10
SCREW
6
32 N510018367AA
Hexagon socket set screw Cup point M4X16-45H A2J (Trivalent)
COVER (no line camera)
1
33 N610119990AA
O228
--
( KN610157775AA-01 )

65-A
軽量16ノズルヘッド:NPM
Light weight 16 Nozzle Head:NPM
パーツレイアウト
Kit No.
キット品番
Kit Name
キット名称
N610159207AA
セクションNo.
PARTS LAYOUT
Section No.
--
O229
( KN610159207AA-08-1 )