N7202A043B - 第433页
Ref No. Remarks R 1 Q'ty 65- F 軽量16ノズ ルヘッド: NPM Light weight 16 Noz zle Head:NP M イラスト No. Part No. 品 名 品 番 数量 R 2 パーツリスト Kit No. キット品番 Kit Name キット名称 N610159207AA Part Nam e 備 考 セク ション No . PARTS LIST Section No. R…

65-F
軽量16ノズルヘッド:NPM
Light weight 16 Nozzle Head:NPM
パーツレイアウト
Kit No.
キット品番
Kit Name
キット名称
N610159207AA
セクションNo.
PARTS LAYOUT
Section No.
--
O239
( KN610159207AA-08-6 )

Ref
No.
Remarks R
1
Q'ty
65-F
軽量16ノズルヘッド:NPM
Light weight 16 Nozzle Head:NPM
イラスト
No.
Part No.
品 名品 番 数量
R
2
パーツリスト
Kit No.
キット品番
Kit Name
キット名称
N610159207AA
Part Name
備 考
セクションNo.
PARTS LIST
Section No.
R
3
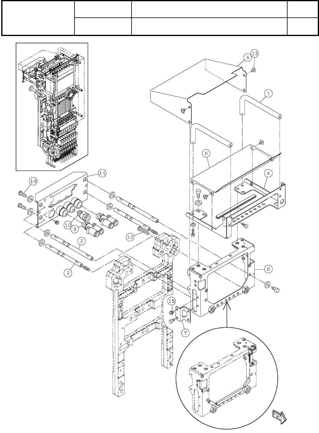
HANDLE
2
1 N210188275AA
POST
2
2 N210188276AB
POST
2
3 N210188277AB
BRACKET
1
4 N210189131AB
COVER
1
5 N210188279AB
COVER
1
6 N210188280AC
BRACKET
1
7 N210189158AC
BRACKET
1
8 N610159301AD
JOINT
2
9 N510067530AA KQ2U06-01AS
JOINT
1
10 N510067913AA FR6-01M
COUPLER
1
11 N510068214AA MA-MS10PF-3LFT(CS38669-0)
BOLT
2
12 N510002013AA SRBS-M4X20
SCREW
8
13 N510045431AA
Cross recessed pan head machine screw with RPW M3X5-4.8 A2S
BOLT
4
14 N510001803AA SRBS-M4X12
SCREW
2
15 N510018675AA
Cross recessed Pan head machine screw with SW & SPW M3X6-4.8 A2J
O240
--
( KN610159207AA-08-6 )

65-G
軽量16ノズルヘッド:NPM
Light weight 16 Nozzle Head:NPM
パーツレイアウト
Kit No.
キット品番
Kit Name
キット名称
N610159207AA
セクションNo.
PARTS LAYOUT
Section No.
--
O241
( KN610159207AA-08-7 )