N7202A043B - 第58页
9-D X軸:NPM-D3 X-Ax is:NPM-D3 パーツレイアウト Kit No. キット 品番 Kit Name キット名称 N610160756AA セクションNo. PARTS LAYOUT Section No. - - S37 ( KN610160756AA-12-4 )

Ref
No.
Remarks R
1
Q'ty
9-C
X軸:NPM-D3
X-Axis:NPM-D3
イラスト
No.
Part No.
品 名品 番 数量
R
2
パーツリスト
Kit No.
キット品番
Kit Name
キット名称
N610160756AA
Part Name
備 考
セクションNo.
PARTS LIST
Section No.
R
3
PLATE
2
1 N210093674AB
BRACKET
2
2 N210191488AA
BOLT
2
3 N210184016AA
PLATE
2
4 N210194631AC
BRACKET
2
5 N210183605AD
PLATE
2
6 N210134648AC
BRACKET
2
7 N210103043AB
COVER
2
8 N210188364AA
BRACKET
2
9 N210084790AB
BRACKET
2
10 N210189803AA
BRACKET
4
11 N210189801AA
HEAD PLATE
2
13 N610160259AG
MOTOR
2
14 N510067049AA
S
DS3045C1C1AA5C1
PIN
8
15 N510020608AA MMS5-15
SCREW
8
16 N510018278AA
Cross recessed Truss head machine screw M4X5-4.8 A2S (Trivalent)
PIN
8
18 N510020589AA MMS3-8
SPACER
4
19 N510026166AA CF-314E
COUPLER
2
20 N510067979AA MA-MS10SF-4(CS38518-0)
SPACER
4
21 N510036999AA ASF-2605E
BOLT
4
22 N510067793AA Low Head Cap Screw M4X10-8.8 SOB
SPACER
4
23 N510029513AA ASF-410E
BOLT
4
24 N510067791AA Low Head Cap Screw M4X6-8.8 SOB
JOINT
4
25 N510067913AA FR6-01M
JOINT
4
26 N510067914AA FR8-01M
S36
--
( KN610160756AA-12-3 )

9-D
X軸:NPM-D3
X-Axis:NPM-D3
パーツレイアウト
Kit No.
キット品番
Kit Name
キット名称
N610160756AA
セクションNo.
PARTS LAYOUT
Section No.
--
S37
( KN610160756AA-12-4 )

Ref
No.
Remarks R
1
Q'ty
9-D
X軸:NPM-D3
X-Axis:NPM-D3
イラスト
No.
Part No.
品 名品 番 数量
R
2
パーツリスト
Kit No.
キット品番
Kit Name
キット名称
N610160756AA
Part Name
備 考
セクションNo.
PARTS LIST
Section No.
R
3
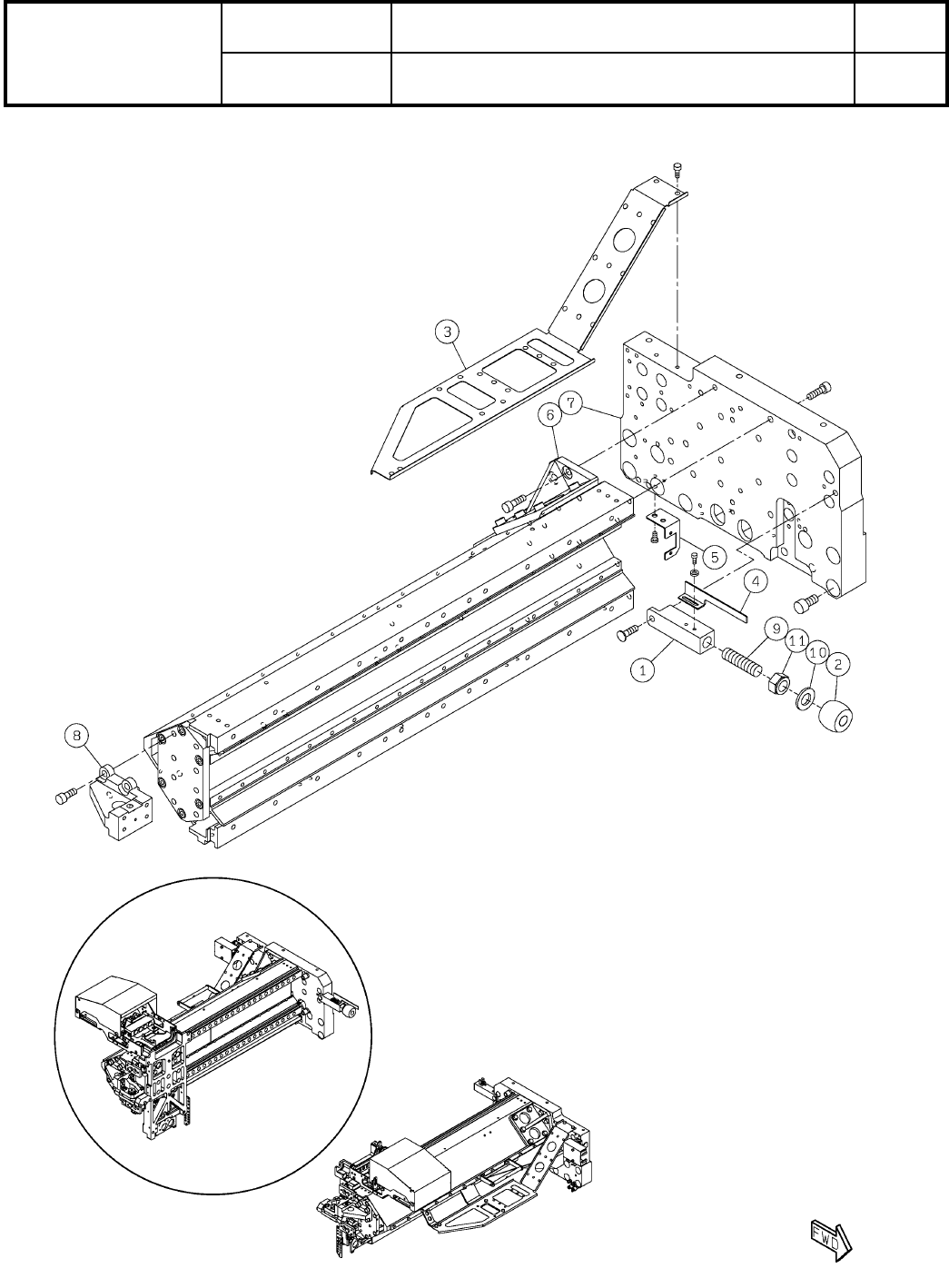
SHAFT
1
1 N210134644AB
STOPPER
1
2 N210198064AA
GUIDE
1
3 N210190919AB
DOG
1
4 N210134661AA
BRACKET
1
5 N210190282AA
X-BEAM(R)
1
6 N610160547AD
PLATE( R )
1
7 N610160627AC
BRACKET
1
8 MTKP000642AA
SCREW
1
9 XXF12C45FT
Hexagon socket set screw Flat point M12X45-45H SOB
WASHER
1
10 N510027223AA
Round finish plain washer (JIS B 1256:1978) 12 10H A2J (Trivalent)
NUT
1
11 N510046390AA
U-nut M12 SK5 Type-2 S45C Trivalent chromate(white)
S38
--
( KN610160756AA-12-4 )