YSM20R_KMK-500_cwd.pdf - 第5页

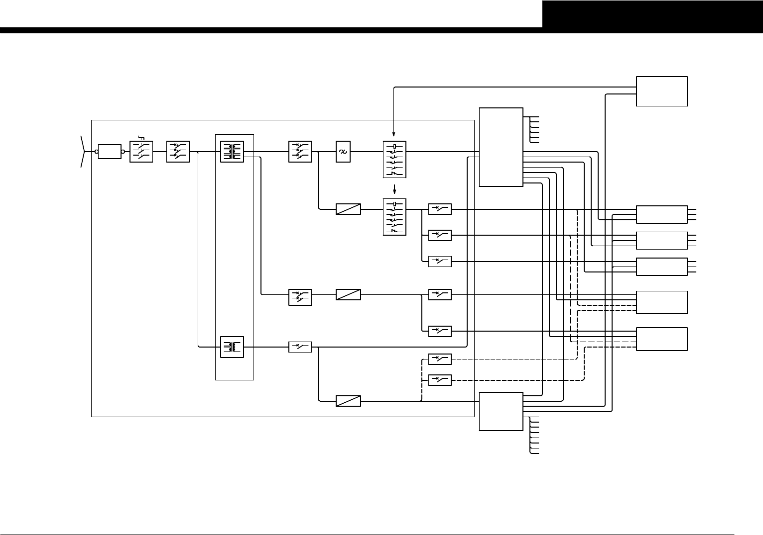
Confidential & P roprietary P A G E REAR A TS DC24V Connec ted to the SPECIA L I/O CONV EYOR BOA RD ASSY. ATS POW ER FIX70/ FES32 FEEDER H OLDER P021 CN44 1 2 3 4 J0058 P143 CN1 2 1 CN1 2 1 GND+24V +24V P141 CN1 2 1 …

100%1 / 47
Confidential & Proprietary
PAGE
DS CONVEYOR ・・・
SL CONVEYOR ・・・
CN38-CN45 ・・・
CN28-CN37 ・・・
CN17-CN27 ・・・
CN1-CN16 ・・・
Circuit
Protector
QF31 10A
QF51 5A
QF52 5A
HEAD B
DC48V
HEAD BRD.UNIT
HM HEAD
FM HEAD
380/400/416V
200/208/220/240
3∼ 50/60Hz
POWER TRANSFORMER
TERMINAL
Terminal
XB11
QS11 40A
Main Switch
TM11 5.18KVA
Transformer Contactor
QF11 30A
Main Breaker
DC24V
LAN
Rating 10.4KVA MAX.
Noise
NF11
Filter
Power Supply
GS31 600W 12.5A
CONTROL BOX
USB MEMORY
TOUCH LCD
CAMERA UNIT
LAN
LAN
LAN
CONTROL : 1∼ 100V
MOTOR : 3∼ 230V
OUTPUT : 3∼ 200V
INPUT :
COM
Power Supply
GS22 600W 25A
SAFETY UNIT ・・・
Circuit
Protector
QF32 3A
QF41 7A
DC24V
COM
GS21 300W 12.5A
Power Supply
DC48V
QF42 7A
DC24V
COM
DC48V
TC11 1.00KVA
Transformer
QF21 10A
QF43 3A
QF44 3A
DC24V
DC24V
POWER CIRCUIT
See Page 2
BARCODE READER(Option)
KM11/KM11A
Contactor
KM12/KM12A
HEAD A
DC48V
DC24V
LAN FM HEAD
HM HEAD
HEAD BRD.UNIT
USB KEYBOARD(Option)
MOTOR
MOTOR
VALVE
SENSOR
MOTOR
VALVE
SENSOR
FRONT FEEDER HOLDER
EMERGENCY CIRCUIT
REAR FEEDER HOLDER
I/O CONVEYOR
SENSOR
VALVE
FAN
SIGNAL TOWER
IONIZER ASSY(Option)
FEEDER SET STATION(Option)
EMG SWITCH
COVER SWITCH
See Page 3
Page 10
Page 11
Page 12
Page 13
Page 14
Page 15
Page 16
COM
COM
COM
See Page 4-7
QF53 5A
DC48V
DC24V
LAN
CONVEYOR C/R
SL CONVEYOR
DS CONVEYOR
See Page 26
DC24V
FES32(SSF),ATS
FES32(ZSF),ATS
FIX70
FES32(SSF),ATS
FES32(ZSF),ATS
FIX70
See Page 21
See Page 21
See Page 22
See Page 24
See Page 23
See Page 25
See Page 17
See Page 18
See Page 19
See Page 20
See Page 20
See Page 19
See Page 8
See Page 9
MOTOR
SENSOR
BATTERY
.V3
1
OVER VIEW
YSM20R(SV)-2
Confidential & Proprietary
PAGE
REAR ATS DC24V
Connected to the
SPECIAL I/O CONVEYOR BOARD ASSY.
ATS POWER
FIX70/FES32
FEEDER HOLDER
P021
CN44
1
2
3
4
J0058
P143
CN1
2
1
CN1
2
1
GND+24V
+24V
P141
CN1
2
1
CN1
2
1
GND+24V
+24V
CN44
+24V-48
+24V-47
4
3
2
1
CV C/R POW BOARD ASSY
R2 FDR PWR
R1 FDR PWR
F2 FDR PWR
F1 FDR PWR
J0057CN43
4
3
2
1
+24V-46
+24V-45
CN43
4
3
2
1
J0059
+24V-43
1
2
3
4
CN42CN42
+24V-44
4
3
2
1
GND+24V
GND+24V
CN19
CN19
CN19
CN19
P161
P160
2
1
2
1
+24V
2
1
2
1
+24V
1
2
J0056CN1
+24V
2
1
+24V-42
CN41
2
1
CN41
2
1
I/O CONVEYOR BOARD ASSY
REAR ATS DC48V
FRONT ATS DC24V
FRONT ATS DC48V
A1
B1
A3
B3
GND+24V
P091
A3
B3
B1
A1
CN2
+24V
GND+48V
+48V
P052
HEAD B POW BOARD ASSY
A3
B3B3
A3
・ ・
B1
A1
B1
A1
CN2
GND+24V
+24V
GND+48V
+48V
V10
U10
J0203
J0902
CONTROL BOX -3-
QS11A *1
XT21
QF21
IF RAS
33 34
41 42 4241
Note : *1(Auxiliary contact) is attached to the QS11.
UPS SIG
UPS RMT
J0901
UPS OUT
UPS IN
UPS ASSY
UPS OUT
UPS SIGNAL
GB01
UPS INJ0903
V10A
U10AU10B
V10B
J0031
J0022
J0021
U10B
V10B
R2
S2
1.00KVA
TC11
J0020
At the UPS specification
MAX600V/68A
≧AWG9
(6sq)
LCD1
LCD2
J0016
J0652
J0001 J0002
R1
S1
T1
R1
S1
T1
L1
L2
L3
L1
L2
L3
T1
T2
T3
L1
L3
L2
MAX690V/40A
LCD1
FRONT
REAR
LCD2
TOUCH PANEL MONITOR
HEAD A POW BOARD ASSY
HP CN2
P032
A3
B3B3
A3
・ ・
B1
A1
B1
A1
CN2
GND+24V
+24V
GND+48V
+48V
R2
T2
S2
S2
R2
QS11
MAIN SWITCH
BRACKET
L1
L2
L3
T2
T3
T1
J0651
XB11
L3
L2
L1
PE
PE
High Voltage
!
when MAIN SW QS11 is OFF.
Residual risk
*
F ANC CTRL BOARD ASSY(Option)
J0904
・Secondary side of UPS.
・Chemical capacity for motor power in CONTROL BOX A01.
・Around J0001,J0002 harness.
・On the cover under the right side panel.
・On the cover under the rear center.
・On the cover under the rear right side.
・On the cover under the front right side.
・Near the MAIN SW QS11.
・Lower of INCOMING SUPPLY TERMINAL BLOCKS XB11.
that might be gotten an electric shock.
*The charge mark is put on the place
・Between INCOMING SUPPLY TERMINAL BLOCKS XB11 and MAIN SW QS11.
・On the lower former cover at CONTROL BOX A01.
J0656
J0657
CONV IO CN1
HP CN2
CVP CN2
MAX690V/30A
Icu≧7.5kA(AC440V)
NOTE:
QF11
J0020
J0003
V61
W61
J0018
W60
V60
QF32 3A
V10
V10
U11
U11
J0658
MAX660V/38A
J0031
QF21 10A
XT21
V10
W51
U51
V51
J0013
W50
V50
U50
QF31 10A
V51
U51
V10
U10
W61
V61
J0019
J0663
J0662
J0041
+24VA
0V24A
300W 12.5A
L
N
FG
+
+
-
-
GS21
J0051
J0052
+24VB
+24VB
0V24B
J0665
0V24B
J0032
V10
U11
J0033
J0664
600W 25A
GS22
L
N
FG
+
+
-
-
E
25
4
6
1
3
V51
U51
W51
J0014
J0661
J0660
J0659
Peak 41.5A 5sec
+48V
0V48
J0017
U52
V52
W52
V51
U51
L
N
FG
+
+
-
-
GS31
600W 12.5A
NF11
J0072
J0071
J0015
+48V
U52
V52
W52
KM12
MAX690V/12A
EMERGENCY CIRCUIT
+48VB
U54
V54
W54
5/L3
3/L2
1/L1 2/T1
4/T2
6/T3
3/L2 4/T2
5/L3
1/L1 2/T1
6/T3
MAX690V/12A
KM11
J0073
0V24A
0V24A
0V24A
0V24A
MAX660V/38A
0V24A
0V24A
0V24A
XT41
QF41 7A
+24VA2
+24VA1
+24VA2
+24VA1+24VA
QF42 7A
0V24B
0V24B
XT42
0V24B
MAX660V/38A
J0053
+24VB
+24VB2
+24VB1
QF44 3A
QF43 3A
0V48
0V48
0V48
0V48
+48VB1
+48VB2
MAX660V/38A
0V48
0V48
0V48
+48VB1
+48VB2
+48VB3
+48VB
XT31
0V48
0V48
QF53 5A
QF52 5A
QF51 5A
H POW/EMGJ0078
・・
6
5
6
5
2
1
2
1
3
1
2
AC100V
A1
B8
A8
B7
A7
B10
IF RAS
A1
A3
B3
C/R DC24V
1
2
3
AC230V
RAS
MOTOR
POWER
DC24V:FAN POWER
A01CONTROL BOX
AC230V:DRIVE
AC100V:CONTROL
ACIN
H POW/EMGJ0075
・・
6
5
6
5
2
1
2
1
J0077 HB+48V
66
2
1
2
1
1
2
6
J0074 HA+48V
6
2
1
1
SP+24V
2
3
4
HB+24V
HA+24V
2
1
2
1
2
1
2
1
1
2
CV+24V
2
1
J0045
J0044
J0043
J0042
J0092
J0091
J0080
J0079
J0203
J0076
J1001
J1011
J0392
J0397
F FDR ST BOARD ASSY(Option)
R FDR ST BOARD ASSY(Option)
R ANC CTRL BOARD ASSY(Option)
1
2
1
2
R FDR ST
F FDR ST
2
1
2
1
1
2
F-ANC+24V
1
2
R-ANC+24V
2
1
2
1
Peak 42A 5sec
0V24B
240V
220V
208V
200V
190V
0V
240V
220V
208V
200V
190V
0V
0V
100V
100V
100V
0V
0V
See Page 26
See Page 4-7
See Page 3
See Page 17
See Page 18
See Page 22-25
See Page 21-25
See Page 8,9
See Page 7
QF61 10A
See Page 13
See Page 13
See Page 13
See Page 13
See Page 10-16
J0657
J0656
J0021
J0022
S2
TC11
J0655
J0654
J0653
J0012
J0011
J0010
J0009
J0008
J0007
J0006
J0005
J0004
V60
W60
5.18KVA
U50
V50
W50
T2S2
R2
V10
U10
1.00KVA
R2
240V
220V
208V
200V
190V
0V
240V
220V
208V
200V
190V
0V
0V
100V
100V
100V
0V
0V
TM11
W
V
U
230V
200V
230V
200V
230V
200V
N
0V
190V
200V
208V
220V
240V
0V
190V
200V
208V
220V
240V240V
220V
208V
200V
190V
0V
240V
220V
208V
200V
190V
0V
240V
220V
208V
200V
190V
0V
240V
220V
208V
200V
190V
0V
See Page 26
See Page 26
E80
E81
MAX500V/40A
.V3
2
POWER CIRCUIT
YSM20R(SV)-2
Confidential & Proprietary
PAGE
A8A8
A12
B11
B13
B17
A17
B16
A16
A14
B11
A12
B13
B17
A17
B16
A16
A14
REAR2 COVER SW
R2 COVER
FRONT2 COVER SW
F2 COVER
FDR EMG
FIX70 FEEDER Spec.
FDR EMG
1
2
3
4
5
6
7
8
9
10
11
12
13
14
15
16
FDR EMG
1
2
3
4
5
6
7
8
9
10
11
12
13
14
15
16
1
2
3
4
5
6
7
8
9
10
11
12
13
14
15
16
A1
B1
A2
B2
A3
B3
A5
B5
A6
B6
A7
B7
CN38
A1
B1
A2
B2
A3
B3
A5
B5
A6
B6
A7
B7
CN38
SPARE/N0100547
SPARE/N0100546
SPARE/N0100544
SPARE/N0100543
SPARE /N0100550
Y SAFE/N0100545
HEAD B GOOD/N0100536
HEAD A GOOD/N0100535
A1
B1
A2
B2
A3
B3
A5
A4
B4
B6
B5
A6
A8
B8
A9
B9
B7
A7
A11
B11
B10
A10
CN31
A1
B1
A2
B2
A3
B3
A5
A4
B4
B6
B5
A6
A8
B8
A9
B9
A7
B7
A11
B11
A10
B10
CN31
44
33
22
HA EMG
11
FES32/ATS Spec.
P134
18
11
10
1
12
FDR CTRL BOARD ASSY
FET
18
11
10
1
12
REAR-2 FEEDER HOLDER
P133
18
11
10
1
12
FDR CTRL BOARD ASSY
FET
18
11
10
1
12
REAR-1 FEEDER HOLDER
P131
18
11
10
1
12
FDR CTRL BOARD ASSY
FET
FRONT-1 FEEDER HOLDER
18
11
10
1
12
P132
18
11
10
1
12
FDR CTRL BOARD ASSY
FET
18
11
10
1
12
FRONT-2 FEEDER HOLDER
N01004F6
N0100500
F1 FEEDER
F2 FEEDER
A1
B1
A3
B3
A4
B4
A1
B1
A3
B3
A4
B4
CN37 CN37
R1 FEEDER
N0100516
A7
B7
A9
B9
A10
B10
A7
B7
A9
B9
A10
B10
N0100520
R2 FEEDER
A13A13
・ ・
B28 B28
・ ・
B30 B30
B30B30
B28B28
B21 B21
A21A21
B15 B15
A15A15
N01004F5
N01004F4
N01004F3
N01004F2
F COVER SW
R COVER SW
R EMG SW
F EMG SW
CN35CN35
A13
B12
A12
B10
A10
B9
A9
B7
A7
B6
A6
B4
A4
B3
A3
B1
A1
A13
B12
A12
B10
A10
B9
A9
B7
A7
B6
A6
B4
A4
B3
A3
B1
A1
SPARE/N0100542
SPARE/N0100541
2
3
4
5
6
7
8
9
10
1
2
3
4
5
6
7
8
9
10
1
CN33CN33
4
3
2
1
4
3
2
1
HB EMG
SB32
SB31
REAR EMG SW
R EMG SW
FRONT EMG SW
4
3
2
1
4
3
2
1
4
3
2
1
4
3
2
1
F EMG SW
4
3
2
1
4
3
2
1
4
3
2
1
4
3
2
1
PC1
PC2
Q1
+5V
Q2
+5V
+5V
READY OUT/T01000E1
RL1
6
12
CN14
1
2 2
1
CN14
12
6
I/O CONVEYOR BOARD ASSY P021
Control
Circuit
13
23
33
43
53
61
14
24
34
44
54
Off
Delay
Timer
K1K2
K3K4
62
*OFF-delay time setting switch
Set time 0.5sec
DC
LOGIC
AC
A1
A2
T11
T12
KM10
B
PE
A
T21
T22
T23
T31
T32
1
2
3
4
5
6
7
KM10 44 +24C
KM10 T32 FB3
KM10 T31 FB0
KM10T23 SAFE1
KM10T12 SAFE1
KM10T11 SAFE0
KM10 A2 0V
KM10 A1 +24V
KM10 24 SRVON
KM10 14 +24B
KM10 43 +24V
KM10 23 +24V
KM10 13 +24V
KM11 74 +24E
21 22
73 74
83 84
53 54
A1 A2
1/L1
3/L2
5/L3
2/T1
4/T2
6/T3
61 62
KM12/KM12A
+48VB
S12
KM12 A1 +24C KM12 A2 0V
KM12 61 FB2
KM12 21 FB2
KM12 62 FB3
KM12 22 FB3
KM12 53 +24V
+48V
KM11 73 +24V
KM11/KM11A
S11
W54
V54
U54
W52
V52
U52
KM11 61 FB1
KM11 21 FB1
KM11 62 FB2
KM11 22 FB2
KM11 53 +24V
KM11 A2 0VKM11 A1 +24B
21 22
73 74
83 84
53 54
A1 A2
1/L1
3/L2
5/L3
2/T1
4/T2
6/T3
61 62
+24V-13 +24E-1 IN +24E-2 IN
+24V-36 +24V-37 +24V-38
P052
H POW/EMG
5
66
5
4
3
2
1
4
3
2
1
A3
B3 B3
A3
GOOD
HEAD B POW BOARD ASSY
HP CN2CN2
B1
A2
B2 B2
A2
B1
A1A1
C/R GOOD
2
1
2
1
H POW/EMG
5
66
5
4
3
2
1
4
3
2
1
CV EMG
2
1
2
1
P032
HEAD A POW BOARD ASSY
HP CN2CN2
B1
A2
B2
A3
B3 B3
A3
B2
A2
B1
A1A1
GOOD
CV C/R POW BOARD ASSY
P091
CN2 CVP CN2
B1
A2
B2
A3
B3 B3
A3
B2
A2
B1
A1A1
GOOD
IF GOOD
2
1
2
1
IF RASRAS
B10
B2
A2
B1
A1
B10
B2
A2
B1
A1
GOOD
GOOD DPOW GOOD
3
2
1
3
2
1
REMOTE IF BOARD
GOOD
GOOD SRV1 GOOD
3
2
1
3
2
1
GOOD
SERVO BOARD 1
GOOD SRV2 GOOD
3
2
1
3
2
1
GOOD
SERVO BOARD 2
SRV3 GOODGOOD
3
2
1
3
2
1
GOOD
SERVO BOARD 3
SRV4 GOODGOOD
3
2
1
3
2
1
GOOD
SERVO BOARD 4
※ATS SPEC.Only
CONTROL BOX A01
+24V-33+24V-32
+24V-30
+24V-35
SQ102
SQ104
Y SAFE
1
2
3
1
2
3
SQ027
Y SAFE Y SAFE
3 3
2
1
2
1
CONTROLLER GOOD/N0100533
CV CONTROLLER GOOD/N0100534
KM11 54 KMON1
KM12 54 KMON2
SAFETY RELAY ON/N0100530
CONTACTOR 200V ON /N0100531
CONTACTOR 48V ON /N
0100532
CONVERTER BOARD
CN38CN38
CN38CN38
CN38CN38
CN38CN38CUNET
1
8
9
1
8
9
CUNET
1
8
9
1
8
9
CUNET F1 CUNET
1
8
9
1
8
9
CUNET R1
1
2
1
2 2
1
2
1
1
2 2
1
F1 FDR EMG
R1 FDR EMG
R2 FDR EMG
1
2 2
1
F2 FDR EMG
CUNET
1
8
9
1
8
9
CUNET 2
CUNET 2
KM11 83 +24V KM11 84 KMON1
KM12 83 +24V KM12 84 KMON2
.V3
3
EMERGENCY CIRCUIT
YSM20R(SV)-2