CM232-M - 第78页
9 100MHz ラ インカメ ラ レンズ 100MHzLineCamera Lens パーツレイアウト Kit No. キット 品番 Kit Name キット名称 N610002014AA セクションNo. PARTS LAYOUT Section No. M65

Ref
No.
Remarks
R
1
Q'ty
8-C
コンベア
幅
寄せ
部
Conveyor Width Adjustment Section
イラスト
No.
Part No.
品 名品番 数量
R
2
パーツリスト
Kit N
o
.
キット品
番
Kit Name
キット名称
N610097201AA
Part Name
備 考
セクションNo.
PARTS LIST
Section No.
R
3
BRACKET
1
18 N210029097AA
T-BELT
1
21 N510053502AA FTKG037-XL-252-E
COUPLING
1
22 KXF0DWP1A00 MSF-25-D6.35XD8 CM402(DDA)
PULLEY
2
23 N510024786AA R101-0320C2-821305-F-PK
SCREW
4
24 XXE5D6FT
Hexagon socket set screw Cup point M5X6-45H SOB
BEARING
4
27 KXF03G0AA00 SFB38-10
MOTOR
1
34 N510010003AA
S
DU11H713S-01
BALL-SCREW
2
35 N510032967AA XSTR01204C1DFC7-386-P0(NA120506)
WASHER
4
38 KXF0E318A00 WSSS12-10-3
COLLAR
2
39 KXF0DZ3EA00 NCLM10-13-10.0
BOLT
8
40 N510017381AA
Hexagon socket head cap screw M4X8-10.9 A2J (Trivalent)
BOLT
4
41 N510017344AA
Hexagon socket head cap screw M4X10-10.9 A2J (Trivalent)
BOLT
8
42 N510017351AA
Hexagon socket head cap screw M4X16-10.9 A2J (Trivalent)
BOLT
2
44 N510017395AA
Hexagon socket head cap screw M5X16-10.9 A2J (Trivalent)
WASHER
2
55 N510020100AA Thick washer for M5
WASHER
12
58 N510018330AA Spring lock washer No.2 4 S A2J (Trivalent)
M64
--
( KN610097201AA-05-3 )

9
100MHz
ラ
インカメ
ラ
レンズ
100MHzLineCamera Lens
パーツレイアウト
Kit No.
キット
品番
Kit Name
キット名称
N610002014AA
セクションNo.
PARTS LAYOUT
Section No.
M65

Ref
No.
Remarks
R
1
Q't
y
9
100MHz
ラ
インカメ
ラ
レンズ
100MHzLineCamera Lens
イラスト
No.
Part No.
品 名品番 数量
R
2
パーツリスト
Kit No.
キット品
番
Kit Name
キット名称
N610002014AA
Part Name
備 考
セクションNo.
PARTS LIST
Section No.
R
3
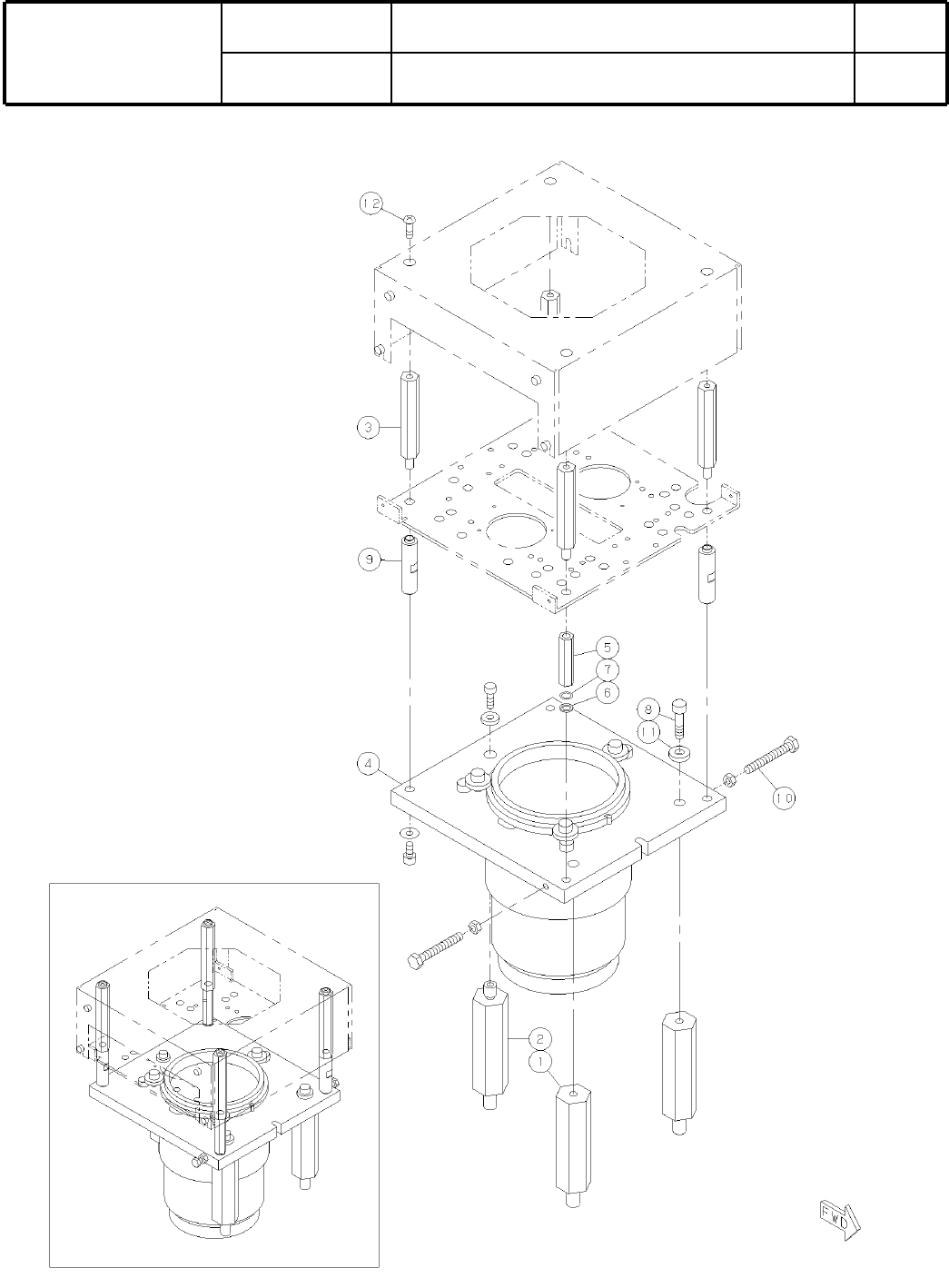
POST
2
1 KXFB02NHA00
POST
1
2 KXFB02NJA01
POST
4
3 KXFB022ZA00
LENS
1
4 N510008553AA KOM-F4N
SPACER
2
5 KXF0A6JAA00 ASU-535
WASHER
2
6 KXF0BCCAA00 MSRB5.5-1.0
WASHER
2
7 KXF0CJ9AA00 MSRB5.5-0.5
BOLT
2
8 KXFB04K8A00
POST
2
9 KXFB04LDA00
BOLT
2
10 N510018857AA
Hexagon head bolt Best class M4X30-6g 4T A2J (Trivalent) Full thread
WASHER
2
11 KXF0DY0GA00 WSSB13-6-3
SCREW
4
12 N510018064AA
Cross recessed Pan head machine screw M4X10-4.8 A2S (Trivalent)
M66