P-0208-001 - 第15页
MODEL TCM-X300 0203-001 Key No. P AR T No. P AR T NAME Q’ ty REMARKS NOTE 13 B-2 10 1 630 085 1441 ASSY ,GUIDE,LINEAR 1 2 784B--010-101 10 1 -01 630 089 2031 G UID E, LI NE AR 1 10 1 -02 630 085 3223 B LOC K 1 10 1 -03 6…

MODEL TCM-X300
0203-001
12
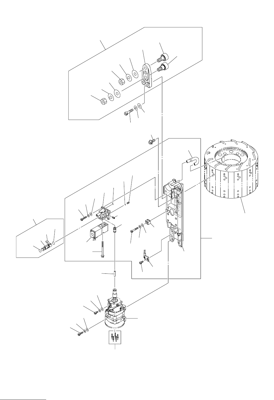
࠲ࡦ࠹ࡉ࡞ㇱ TURNTABLE SECTION
Fig. B-2
ࡋ࠶࠼ਅ࠾ࠕࠟࠗ࠼࠙ࠚࠗ
Head Leveller Linear Guide Way
VACUUM NOZZLE
(Work Corresponding)
Fig.B-2
See Fig.B-4
Key No.301
See Fig.BB-3
Key No.201
102
102-05
102-01
102-04
102-03
102-02
102-06
101-07
101-03
101-08
103-03
103-01
103-02
103-03
101-09
101-15
101-16
101-10
101-01
101
101-05
101-04
101-11
106
116
105
111
106
105
104
101-04
101-05
101-02
101-13
101-14
101-06
101-12
101-17
102-04
102-03
102-02
115
109
103
114
113
TCM-X200-002
4797A-002
4797L
TCM-X300

MODEL TCM-X300
0203-001
Key No. PART No. PART NAME Q’ty REMARKS
NOTE
13
B-2
101 630 085 1441 ASSY,GUIDE,LINEAR 12 784B--010-101
101 -01 630 089 2031 GUIDE,LINEAR 1
101 -02 630 085 3223 BLOCK 1
101 -03 630 000 7527 BOLT,HEX-SCT 4
101 -04 411 141 2806 WASHER SPR 3 5
101 -05 411 141 3902 WASHER V 3X7X0.5 5
101 -06 630 085 8204 SEAL 1
101 -07 630 098 5740 TUBE 1
101 -08 630 058 0655 VALVE 1 YSV1-12
101 -09 630 052 4352 BOLT 2
101 -10 630 051 1819 TERMINAL 1
101 -11 630 000 7565 BOLT,HEX-SCT 1
101 -12 630 048 7817 PLUNGER 1
101 -13 630 000 8883 SET SCREW 1
101 -14 630 048 6599 COLLAR 1
101 -15 630 085 4244 P.C.B,MOUNT 1
101 -16 630 078 7702 BOLT,HEX-SCT 2
101 -17 630 084 5778 PIPE FITTINGS 1
102 630 085 1458 ASSY,BLOCK 12 784B--010-102
102 -01 630 084 6119 BLOCK 1
102 -02 411 141 1106 NUT HEX 10 2
102 -03 411 141 3209 WASHER SPR 10 2
102 -04 411 141 6309 WASHER F 10X18X2 2
102 -05 630 084 5785 CAM FOLLOWER 1
102 -06 630 084 5792 CAM FOLLOWER 1
103 630 085 1465 ASSY,HOLDER 12 784B--010-103
103 -01 630 074 1711 HOLDER 1
103 -02 630 048 7831 AIR CLEAN EQPT 2
103 -03 630 057 0052 SEAL 2
104 630 000 7657 BOLT,HEX-SCT 24 784B--010-104
105 411 141 2905 WASHER SPR 4 48 784B--010-105
106 411 141 5906 WASHER F 4X8X0.8 48 784B--010-106
109 630 089 7432 BOLT 48 784B--010-109
111 630 000 7633 BOLT,HEX-SCT 24 784B--010-111
113 630 000 7909 BOLT,HEX-SCT 24 784B--010-113
114 411 141 3001 WASHER SPR 6 24 784B--010-114
115 411 141 4305 WASHER V 6X12.5X1.6 24 784B--010-115
116 630 109 4632 TUBE 12 784B--010-116

MODEL TCM-X300
0203-001
14
࠲ࡦ࠹ࡉ࡞ㇱ TURNTABLE SECTION
Fig. B-4 ࡠ࠲࠲࠶࠻ Rotary Turret
302
301
303
308
307
309
310
311
312
313
314
315
316
304
See Fig.B-1
Key No.1
See Fig.BB-3
Key No.201-1
305
306
Fig.B-4
TCM-X200
4797A
4797L
TCM-X300