P-0208-001 - 第158页
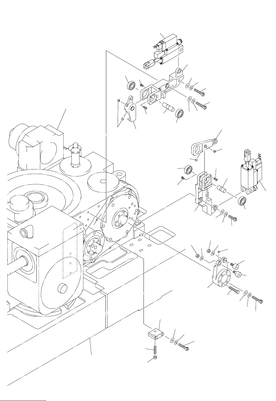
MODEL TCM-X300 021 1-002 156 ࡋ࠶࠼㚟േㇱ HEAD DRIVING SECTION Fig. K-4 ⵝ⌕ࠬ࠻࠶ࡄ Placement Stopper See Fig.B-1 Key No.1 See Fig.L-1 Key No.12 Fig.K-4 4797A-003 TCM-X300-002 TCM-X100J-002 TCM-X100-002 4797L-002 4797S-002 TCM-X200…

MODEL TCM-X300
0203-001
Key No. PART No. PART NAME Q’ty REMARKS
NOTE
155
K-3
201 630 099 5299 LEVER 1 784K--010-201
202 411 141 6101 WASHER F 8X15.5X1.6 6 784K--010-202
203 411 141 3100 WASHER SPR 8 6 784K--010-203
204 630 000 8050 BOLT,HEX-SCT 6 784K--010-204
205 630 093 2249 PIN,GUIDE 1 784K--010-205
206 630 093 5394 SPRING,COMP 1 784K--010-206
211 630 007 2501 CAM FOLLOWER 1 784K--010-211
212 411 141 4503 WASHER V 8X17X1.6 1 784K--010-212
213 411 141 3100 WASHER SPR 8 1 784K--010-213
214 411 141 0901 NUT HEX 8 1 784K--010-214
215 630 094 2118 BRACKET 1 784K--010-215
216 630 000 0252 SENSOR,PHOTO 1 BPH29 784K--010-216
217 630 000 0269 SENSOR,PHOTO(CONNECTOR) 1 784K--010-217
218 411 119 1909 WASHER V 3X7X0.5 2 784K--010-218
219 411 086 4408 WASHER SPR 3 2 784K--010-219
220 411 040 7803 SCR PAN 3X12 2 784K--010-220
221 411 141 4107 WASHER V 5X10X1 2 784K--010-221
222 411 141 6705 WASHER SPR 5 2 784K--010-222
223 630 000 7756 BOLT,HEX-SCT 2 784K--010-223
224 630 000 7893 BOLT,HEX-SCT 1 784K--010-224
226 630 099 5305 LEVER(FEED) 1 784K--010-226
227 630 110 9787 BOLT,HEX-SCT 6 784K--010-227
228 411 141 6101 WASHER F 8X15.5X1.6 6 784K--010-228
229 411 141 3100 WASHER SPR 8 6 784K--010-229
230 630 000 8050 BOLT,HEX-SCT 5 784K--010-230
233 630 008 2401 BOLT,HEX 1 784K--010-233
240 630 008 2401 BOLT,HEX 1 784K--010-240
241 630 049 0145 ROD END 1 784K--010-241
242 411 141 4503 WASHER V 8X17X1.6 1 784K--010-242
243 411 141 3100 WASHER SPR 8 1 784K--010-243
244 411 141 0901 NUT HEX 8 1 784K--010-244
245 411 141 0901 NUT HEX 8 1 784K--010-245
246 630 108 3612 COLLAR 6 784K--010-246

MODEL TCM-X300
0211-002
156
ࡋ࠶࠼㚟േㇱ HEAD DRIVING SECTION
Fig. K-4 ⵝ⌕ࠬ࠻࠶ࡄ Placement Stopper
See Fig.B-1
Key No.1
See Fig.L-1
Key No.12
Fig.K-4
4797A-003
TCM-X300-002
TCM-X100J-002
TCM-X100-002
4797L-002
4797S-002
TCM-X200-003
327
325
322
325
337
332
333
334
336
335
338
323
324
329
326
320
330
331
316
315
314
312
311
313
302
301
317
318
319
337
321
See Fig.B-1
Key No.1-01
304
304
336
335
310
305
306
307
307
306
303
304
309
308

MODEL TCM-X300
0203-001
Key No. PART No. PART NAME Q’ty REMARKS
NOTE
157
K-4
301 630 092 7580 BASE 1 784K--010-301
302 630 100 7205 CYLINDER 1 YSV20 784K--010-302
303 630 102 7937 LEVER 1 784K--010-303
304 630 000 8975 SET SCREW 4 784K--010-304
305 630 093 0702 SHAFT 1 784K--010-305
306 630 001 1289 BEARING,RADIAL 2 784K--010-306
307 411 051 1708 SCR TRS 4X6 4 784K--010-307
308 630 000 7923 BOLT,HEX-SCT 4 784K--010-308
309 411 141 3001 WASHER SPR 6 4 784K--010-309
310 630 093 3246 WASHER 4 784K--010-310
311 630 092 6644 BLOCK 1 784K--010-311
312 630 093 3222 SET SCREW 1 784K--010-312
313 411 141 0703 NUT HEX 6 1 784K--010-313
314 630 093 3215 BOLT,HEX-SCT 2 784K--010-314
315 411 141 3001 WASHER SPR 6 2 784K--010-315
316 411 141 4305 WASHER V 6X12.5X1.6 2 784K--010-316
317 630 093 3208 BOLT,HEX-SCT 1 784K--010-317
318 411 141 3001 WASHER SPR 6 1 784K--010-318
319 411 141 4305 WASHER V 6X12.5X1.6 1 784K--010-319
320 630 095 7549 LEVER 1 784K--010-320
321 630 094 6567 BASE 1 784K--010-321
322 630 094 6734 SHAFT 1 784K--010-322
323 630 007 2464 CAM FOLLOWER 1 784K--010-323
324 630 001 2125 CAM FOLLOWER 1 784K--010-324
325 630 001 1289 BEARING,RADIAL 2 784K--010-325
326 630 085 9591 BOLT,HEX 1 784K--010-326
327 630 100 7212 CYLINDER 1 YSV61 784K--010-327
329 411 141 4305 WASHER V 6X12.5X1.6 5 784K--010-329
330 411 141 3001 WASHER SPR 6 5 784K--010-330
331 630 000 7923 BOLT,HEX-SCT 5 784K--010-331
332 411 141 4305 WASHER V 6X12.5X1.6 4 784K--010-332
333 411 141 3001 WASHER SPR 6 4 784K--010-333
334 630 000 7787 BOLT,HEX-SCT 4 784K--010-334
335 411 141 3001 WASHER SPR 6 2 784K--010-335
336 411 141 0703 NUT HEX 6 2 784K--010-336
337 411 051 1708 SCR TRS 4X6 4 784K--010-337
338 630 008 2296 SET SCREW 1 784K--010-338