P-0208-001 - 第75页
MODEL TCM-X300 0203-001 Key No. P AR T No. P AR T NAME Q’ ty REMARKS NOTE 73 F-5 40 1 630 053 5143 PL A TE (R ) 1 784F--010-401 40 2 630 048 8890 L EVER 1 784F--010-402 40 3 630 048 8883 SH AF T(2 ) 1 784F--010-403 40 4 …

MODEL TCM-X300
0203-001
72
࠻ࡦࠬࡈࠔㇱ TRANSFER SECTION
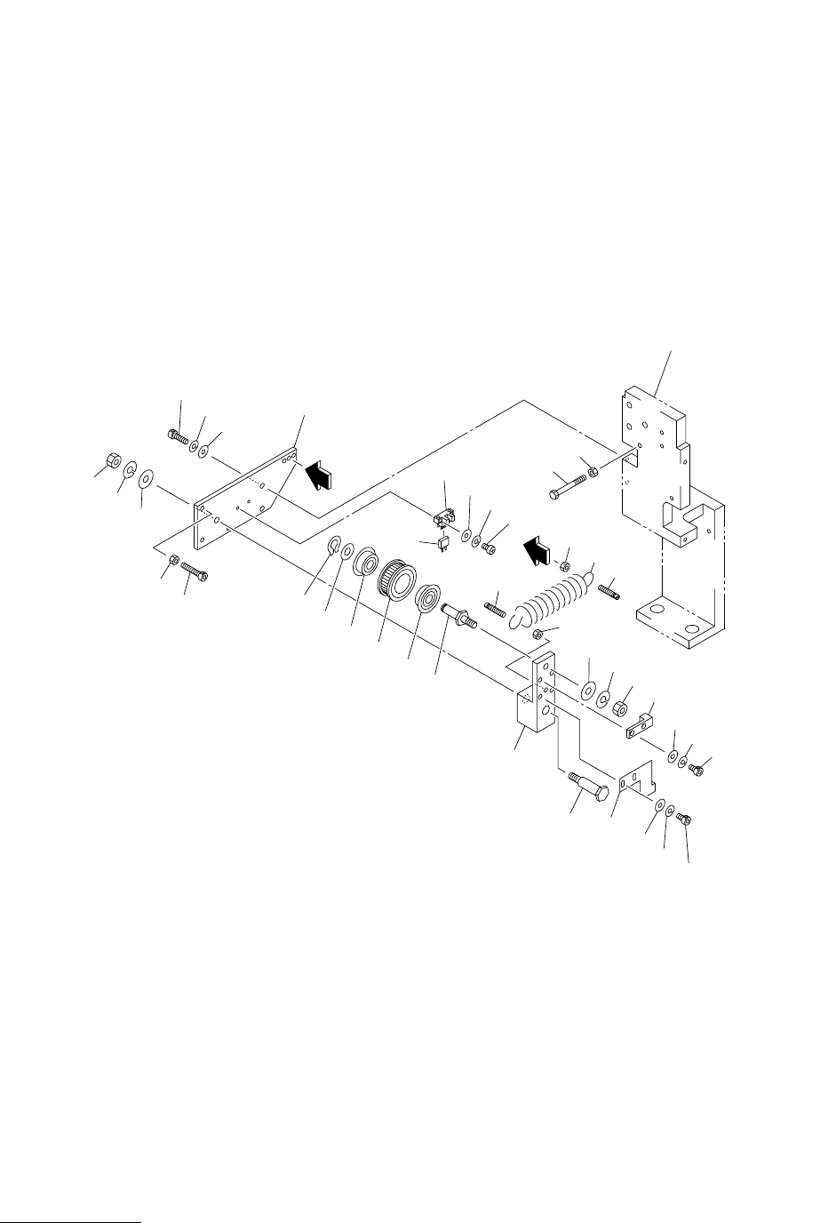
Fig. F-5 ࠻ࡦࠬࡈࠔ㚟േㇱ㧞 Transfer Driver 2
423
422
421
401
407
406
405
404
431
A
A
430
See Fig.F-2
Key No.101
432
433
434
405
403
419
417
417
420
409
408
410
435
436
427
428
429
426
411
402
437
418
419
425
424
414
413
412
415
416
Fig.F-5
4797L
TCM-X300
TCM-X200
4797A

MODEL TCM-X300
0203-001
Key No. PART No. PART NAME Q’ty REMARKS
NOTE
73
F-5
401 630 053 5143 PLATE(R) 1 784F--010-401
402 630 048 8890 LEVER 1 784F--010-402
403 630 048 8883 SHAFT(2) 1 784F--010-403
404 630 049 3870 PULLEY,TIMING(14L050) 1 784F--010-404
405 630 001 1425 BEARING,RADIAL 2 784F--010-405
406 411 141 6309 WASHER F 10X18X2 1 784F--010-406
407 411 000 7102 RING C 10 1 784F--010-407
408 411 141 6101 WASHER F 8X15.5X1.6 1 784F--010-408
409 411 141 3100 WASHER SPR 8 1 784F--010-409
410 411 141 0901 NUT HEX 8 1 784F--010-410
411 630 048 8906 SHAFT(LEVER) 1 784F--010-411
412 411 141 6101 WASHER F 8X15.5X1.6 1 784F--010-412
413 411 141 3100 WASHER SPR 8 1 784F--010-413
414 411 141 0901 NUT HEX 8 1 784F--010-414
415 411 141 0703 NUT HEX 6 1 784F--010-415
416 630 000 7923 BOLT,HEX-SCT 1 784F--010-416
417 411 141 0703 NUT HEX 6 2 784F--010-417
418 630 000 7879 BOLT,HEX-SCT 2 784F--010-418
419 630 042 2122 HOOK 2 784F--010-419
420 630 003 0587 SPRING,TENSION 1 784F--010-420
421 411 141 4305 WASHER V 6X12.5X1.6 2 784F--010-421
422 411 141 3001 WASHER SPR 6 2 784F--010-422
423 630 000 7893 BOLT,HEX-SCT 2 784F--010-423
424 411 004 5104 NUT HEX 6 1 784F--010-424
425 630 000 8715 BOLT,HEX 1 784F--010-425
426 630 048 8807 PLATE(SHADE A) 1 784F--010-426
427 411 141 4008 WASHER V 4X9X0.8 2 784F--010-427
428 411 141 2905 WASHER SPR 4 2 784F--010-428
429 630 000 7619 BOLT,HEX-SCT 2 784F--010-429
430 630 000 0252 SENSOR,PHOTO 1 BPH38 784F--010-430
431 630 000 0269 SENSOR,PHOTO(CONNECTOR) 1 784F--010-431
432 411 119 1909 WASHER V 3X7X0.5 2 784F--010-432
433 411 086 4408 WASHER SPR 3 2 784F--010-433
434 411 113 0502 SCR PAN 3X14 2 784F--010-434
435 630 057 9215 BLOCK(STOPPER) 1 784F--010-435
436 411 141 4305 WASHER V 6X12.5X1.6 2 784F--010-436
437 411 141 3001 WASHER SPR 6 2 784F--010-437

MODEL TCM-X300
0203-001
74
࠻ࡦࠬࡈࠔㇱ TRANSFER SECTION
Fig. F-6 ࠻ࡦࠬࡈࠔ㚟േㇱ㧟 Transfer Driver 3
527
506
504
503
502
503
501
523
521
516
514
507
508
510
519
518
515
517
516
511
512
513
519
509
520
504
505
See Fig.F-1
Key No.1
See Fig.F-4
Key No.317
524
525
526
523
522
Fig.F-6
4797L
TCM-X300
TCM-X200
4797A