N7205A101B08_Diagram List_控制線路圖 - 第39页

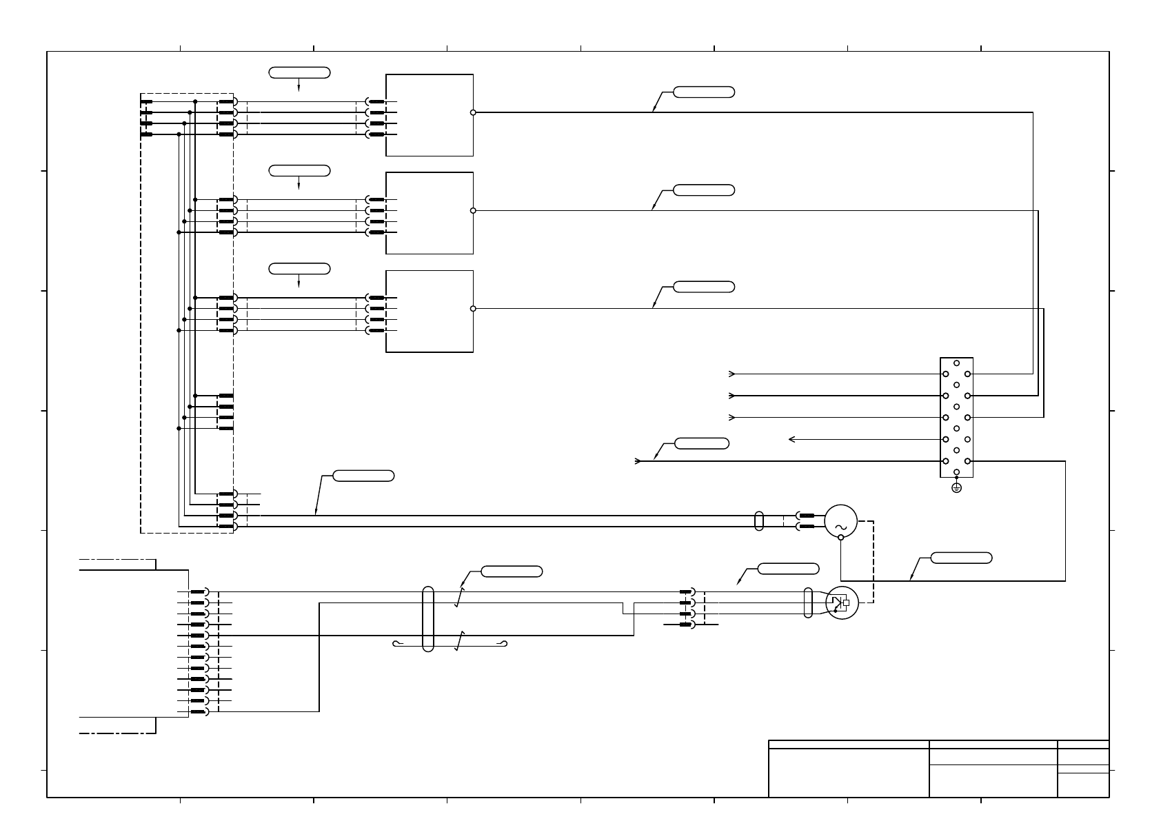
MBDHT2510NA3 PANASONIC CN4 3 6 1 2 5 4 7 8 S-Axis Driver MADHT1507NA3 PANASONIC -K404 CN3 3 6 1 2 5 4 7 8 -K312 -A1 CPU PNFCAC (NC/IO) CN3K312 X2A 3 6 1 2 5 4 7 8 X2AK402 L-Axis Driver -K402 X2B 3 6 1 2 5 4 7 8 X2BK402 M…

100%1 / 168
-K401
Y-AXIS Driver
5
3
2
XA
1
L1
L3
L1C
L2C
-K402
L-AXIS Driver
5
3
2
XA
1
L1
L3
L1C
L2C
-K405
CX-AXIS Driver
5
3
2
XA
1
L1
L3
L1C
L2C
-G101
109-642-11A
SANYODENKI
Cooling Fan 1
1G101R
489-086-L21
SANYO DENKI
1.25-M4
JST
EG101
冷却ファン 1
-X002
E1K401
1.25-M4
JST
E1K402
1.25-M4
JST
E1K405
1.25-M4
JST
2X002
1.25-M4
12X002
1.25-M4
JST
3X002
13X002
14X002
5X002
BK UL1015 18AWG (黒)
BK
UL1015 18AWG (黒)
BK UL1015 18AWG (黒)
BK
UL1015 18AWG (黒)
5
3
2
AMP
XAK405
1-178128-5
1
4
3
2
AMP
DX201
1-178128-4
1
1
AMP
CX201
1-178128-4
2
3
4
1
AMP
XAK402
1-178128-5
2
3
5
UL1015 18AWG (黒) BK
UL1015 18AWG (黒) BK
UL1015 18AWG (黒) BK
UL1015 18AWG (黒) BK
BK
UL1015 18AWG (黒)
BK UL1015 18AWG (黒)
BK
UL1015 18AWG (黒)
BK
UL1015 18AWG (黒)
5
3
2
AMP
XAK401
1-178128-5
1
4
3
2
AMP
BX201
1-178128-4
1
UL1015 18AWG (緑/黄) GN/YE
UL1015 18AWG (緑/黄) GN/YE
UL1015 18AWG (緑/黄) GN/YE
UL1015 18AWG (緑/黄) GN/YE
UL1015 18AWG (緑/黄) GN/YE
UL1015 18AWG (緑/黄) GN/YE
AMP
FX201
1-178128-4
4
3
2
1
N610142593AB
N610142595AB
N610142594AA
N610142587AB
N610142588AB
N610142589AB
B4
B3
B2
B1
C4
C3
C2
C1
D4
D3
D2
D1
E4
E3
E2
E1
F4
F3
F2
F1
A1
AMP
X201
1827691-3
A2
A3
A4
UL1015 18AWG (緑/黄) GN/YE
N610142599AB
N610142598AA
No Use
-K321
PNF0B4(ILK)
CHNG1
1
2
3
4
5
6
7
8
9
10
11
12
CP+24V
FPLATE#0
FPLATE#1
FPLATE#2
IN030
F-NG-OP-IN
F-NG-CL-IN
F-NG-OP-OUT
F-NG-CL-OUT
D+MAIN
D-MAIN
24GND
-A02
POWER UNIT
12
11
10
9
8
7
6
5
4
JAPAN SOLDERLESS TER
CHNG1
PAP-12V-S
3
2
1
1X002
5.5-S4
JST
UL1015 12AWG (緑/黄) GN/YE
From X221
P006-8D
15X002
GN/YE
N610142596AA
n
BN
YE
BK
N610142600AB
N610142575AA
BK
BK/WH
RD
RD/WH
2464-1061/ⅡA(PF) LF 2P×24AWG
16X002
3X021 P004-6E
12X002 P007-5A
13X002 P007-5B
14X002 P007-5C
15X002
P007-3E
1
1
1 1
1
1
MOLEX
2G101P
43020-0400
4
3
2
1
MOLEX
2G101R
43025-0400
4
3
2
1
1
1
1
1
1
1
2
2
2
1827691-2
3
Panasonic Factory Solutions Co.,Ltd. パナソニック ファクトリーソリューションズ株式会社
Name
Drawing No.
Loc. No.
F4K1020-05A
1
2 3 4 5 6 7 8
A
B
C
D
E
F
1 2 3 4 5 6 7 8
A
B
C
D
E
F
Page. No.
LOAD WIRING DIAGRAM :SPG
(Servo Motor Driver Power Line2)
N610142532+008AD
P008
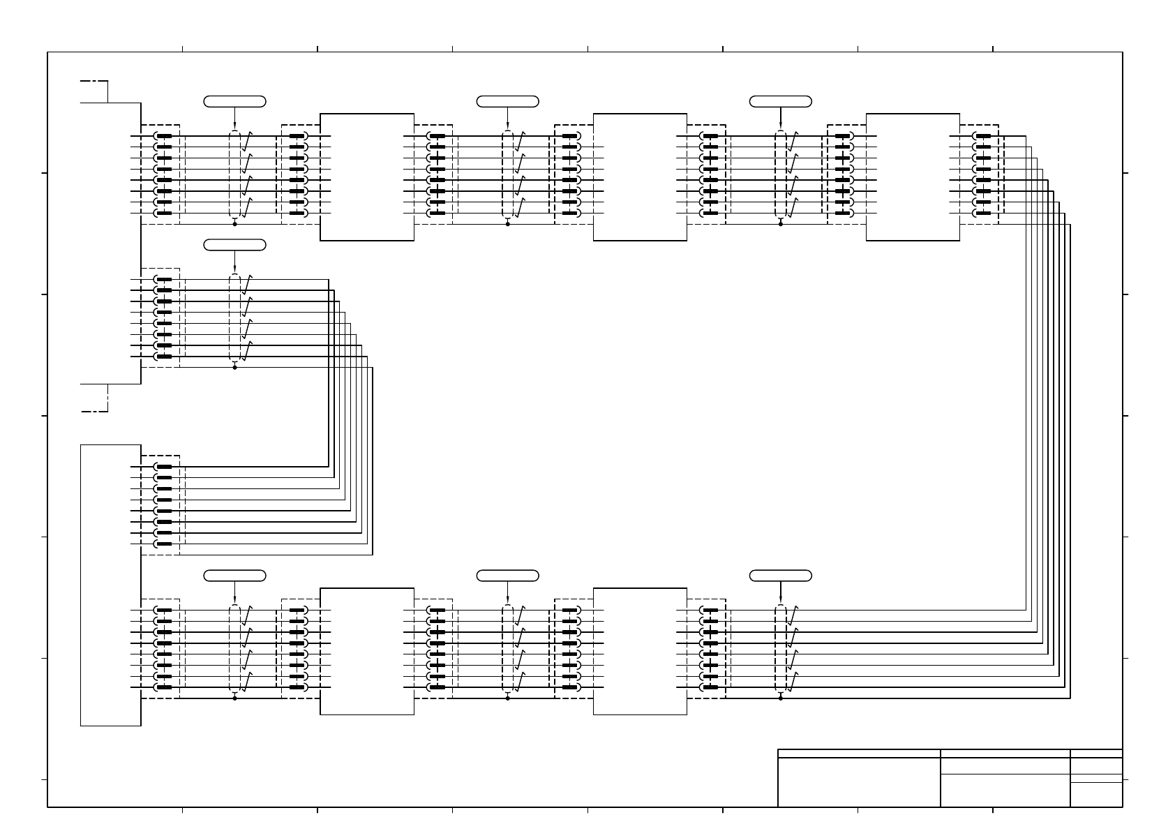
MBDHT2510NA3
PANASONIC
CN4
3
6
1
2
5
4
7
8
S-Axis
Driver
MADHT1507NA3
PANASONIC
-K404
CN3
3
6
1
2
5
4
7
8
-K312
-A1
CPU
PNFCAC
(NC/IO)
CN3K312
X2A
3
6
1
2
5
4
7
8
X2AK402
L-Axis Driver
-K402
X2B
3
6
1
2
5
4
7
8
X2BK402
MADHT1507NA3
PANASONIC
X2A
3
6
1
2
5
4
7
8
X2AK403
U-Axis Driver
-K403
X2B
3
6
1
2
5
4
7
8
X2BK403
TX+
TX-
RX+
RX-
X2B
3
6
1
2
5
4
7
8
3
6
1
2
5
4
7
8
X2BK404
TX+
TX-
X2A
3
6
1
2
5
4
7
8
X2AK404
RX+
RX-
CN4K312
MADHT1505NA3
PANASONIC
X2B
3
6
1
2
5
4
7
8
X2BK405
CX-Axis Driver
-K405
X2A
3
6
1
2
5
4
7
8
X2AK405
MBDHT2510NA3
PANASONIC
X2B
3
6
1
2
5
4
7
8
X2BK406
CY-Axis Driver
-K406
X2A
3
6
1
2
5
4
7
8
X2AK406
BOX
TX+
TX-
RX+
RX-
RX+
RX-
TX+
TX-
RX+
RX-
TX+
TX-
3
6
1
2
5
4
7
8
3
6
1
2
5
4
7
8
KAD-CAT5e FTP 4P(BK)L=200
MTNW000636AA
3
6
1
2
5
4
7
8
3
6
1
2
5
4
7
8
3
6
1
2
5
4
7
8
KAD-CAT5e FTP 4P(BK)L=200
MTNW000636AA
3
6
1
2
5
4
7
8
3
6
1
2
5
4
7
8
KAD-CAT5e FTP 4P(BK)L=200
MTNW000636AA
3
6
1
2
5
4
7
8
KAD-CAT5e FTP 4P(BK)L=200
MTNW000636AA
3
6
1
2
5
4
7
8
KAD-CAT5e FTP 4P(BK)L=3000
MTNW000698AA
3
6
1
2
5
4
7
8
3
6
1
2
5
4
7
8
KAD-CAT5e FTP 4P(BK)L=3000
MTNW000699AA
MADHT1507NA3
PANASONIC
X2A
3
6
1
2
5
4
7
8
X2AK401
Y-Axis Driver
-K401
X2B
3
6
1
2
5
4
7
8
X2BK401
TX+
TX-
RX+
RX-
3
6
1
2
5
4
7
8
KAD-CAT5e FTP 4P(BK)L=200
MTNW000636AA
3
6
1
2
5
4
7
8
1
3
2
3
2
3
2
3
2
3
2
3
2
3
2
Panasonic Factory Solutions Co.,Ltd. パナソニック ファクトリーソリューションズ株式会社
Name
Drawing No.
Loc. No.
F4K1020-05A
1
2 3 4 5 6 7 8
A
B
C
D
E
F
1 2 3 4 5 6 7 8
A
B
C
D
E
F
Page. No.
LOAD WIRING DIAGRAM :SPG
(Servo Driver Signal)
N610142532+009AD
P009
-K312
-A01
CPU BOX
(NC/IO)
OPT1
PNF0B4(ILK)
-K321
RING IN
CN7
RING OUT
OPT1K321 CN7K312
1
2
3
4
CN8
EMGIN(+)
EMG(-)
AC_FAILIN(+)
AC_FAIL
CN6
RING IN
OPT2K321 OPT2
RING OUT
CN1
1
2
3
4
5
6
7
8
9
10
11
12
13
14
RXD1+
TXD1+
RXD1-
TXD1-
GND
RXD2+
TXD2+
RXD2-
TXD2-
GND
EMGCOM
EMG
24VOUT
24GND
-K302
PMC0AH(PULSE) #2
CN2
1
4
2
5
3
6
RXD+
RXD-
TXD+
TXD-
EMG
GND
CN10
TXD+
TXD-
RXD+
RXD-
EMG
GND
1
4
2
5
3
6
PNFCAC
CN6K312
T05×2-PJS-1300-A
T05×2-PJS-1300-A
6
3
5
MOLEX
CN10K312
43025-0600
2
4
1
43030-0007
6
3
5
MOLEX
CN2K302
43025-0600
2
4
1
43030-0007
14
13
12
11
10
9
8
7
6
5
4
MOLEX
CN1K321
43025-1400
3
2
1
4
MOLEX
CN8K312
43025-0400
3
2
1
43030-0007
CN3
1
2
3
4
5
6
TXD+
TXD-
RXD+
RXD-
EMG
GND
6
5
4
JST
CN3K302
PAP-06V-S
3
2
1
SPHD-001T-P0.5
6
3
5
MOLEX
CN2K301
43025-0600
2
4
1
43030-0007
RD
RD/WH
BK
BK/WH
GN
GN/WH
-K301
PMC0AH(PULSE) #1
CN2
1
4
2
5
3
6
RXD+
RXD-
TXD+
TXD-
EMG
GND
CN3
1
2
3
4
5
6
TXD+
TXD-
RXD+
RXD-
EMG
GND
6
5
4
JST
CN3K301
PAP-06V-S
3
2
1
SPHD-001T-P0.5
6
3
5
MOLEX
CN2K303
43025-0600
2
4
1
43030-0007
-K303
(PULSE) #3
CN2
1
4
2
5
3
6
RXD+
RXD-
TXD+
TXD-
EMG
GND
PMC0AH
CARD READER
VCC
USB2D#
USB2D
NC
GND
1
2
3
4
5
-C101
YD-8V76-00000001
YE Data
USBC101
1
2
3
4
5
1
2
3
4
USB1
VCC
USB0D#
USB0D
GND
CPU BOARD
-K311
USB1K311
1
2
3
4
KUSB2-AM-MBM L=2100 L TAK
N610142606AA N610142605AB
N610142604AB
N610142603AC
MTNW000522AA
2464-1061/ⅡA-SBX(PF) LF 3P×24AWG
E3121
BK
E3012
BK
2-M4
JAPAN SOLDERLESS TER
2-M4
JAPAN SOLDERLESS TER
N510048093AA
N510048093AA
2464-1061/ⅡA(PF) LF 2P×24AWG
RD
RD/WH
BK
BK/WH
RD
RD/WH
BK
BK/WH
GN
GN/WH
2464-1061/ⅡA(PF) LF 3P×24AWG 2464-1061/ⅡA(PF) LF 3P×24AWG
RD
RD/WH
BK
BK/WH
GN
GN/WH
1
1
1
1
1
1
1
2
3
3
3
YD-8V06-G8H30513
Panasonic Factory Solutions Co.,Ltd. パナソニック ファクトリーソリューションズ株式会社
Name
Drawing No.
Loc. No.
F4K1020-05A
1
2 3 4 5 6 7 8
A
B
C
D
E
F
1 2 3 4 5 6 7 8
A
B
C
D
E
F
Page. No.
LOAD WIRING DIAGRAM :SPG
(Board Control Line Signal)
N610142532+010AD
P010