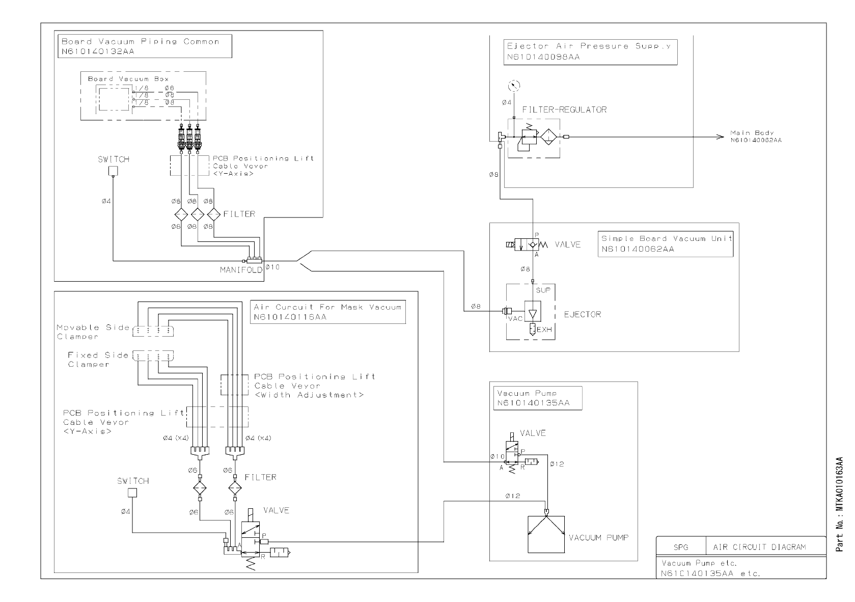
N7205A101B08_Diagram List_控制線路圖 - 第168页
〒 409-3895 山梨県中巨摩郡昭和町紙漉阿原 1375 TE L: (055)275- 6223 FA X : ( 055)243-4972 1375, Kam i suki aw ara, S how a-cho, Nakakom a-gun, Yam anashi, Japan Phone num ber: +81-55- 275-6223 Fax number : +81-55- 243-4972 Printed i n J…

Notice / 声明 / おことわり
The contents of this document are subject to
change without prior notification.
本说明书内容如有变更恕不事前通告,敬请谅解。
本説明書の内容を予告なく変更する場合があります
ので、あらかじめご了承ください。
D00ABC-0
A
-020-E0

〒409-3895 山梨県中巨摩郡昭和町紙漉阿原 1375
TEL: (055)275-6223
FAX: (055)243-4972
1375, Kamisukiawara, Showa-cho, Nakakoma-gun, Yamanashi, Japan
Phone number: +81-55-275-6223
Fax number: +81-55-243-4972
Printed in Japan
© Panasonic Factory Solutions Co., Ltd. 2013
Unauthorized copying and distribution is a violation of the law.
本书受著作权保护。
未经许可复制、发行均构成侵权行为。
この書類は著作権によって保護されています。
無断で複製し、配布した場合は著作権侵害となります。
Some of our products fall under the export control items (or technologies)
established in the Foreign Exchange and Foreign Trade Act. When
exporting (or providing technologies overseas), please check its legal
restrictions and be sure to take necessary procedures such as to obtain
the export permission.
本公司的产品中,如果有符合外汇或国际贸易法所规定的限制货物(或限制
技术),从日本出口(或提供技术)时,必需按照有关法律办理出口许可。
当社の商品の中には、外国為替および外国貿易法に定める規制対象貨物
(又は技術)に該当するものがあります。 輸出(又は技術提供)の際に
は、同法の規制をご確認の上、輸出許可取得等の手続きをお取りください。
松下生产科技株式会社
日本国山梨县中巨摩郡昭和町纸漉阿原 1375
电话: +81-55-275-6223
传真: +81-55-243-4972
Panasonic Factory Solutions Co., Ltd.
パナソニック ファクトリーソリューションズ株式会社