N7205A101B08_Diagram List_控制線路圖 - 第23页
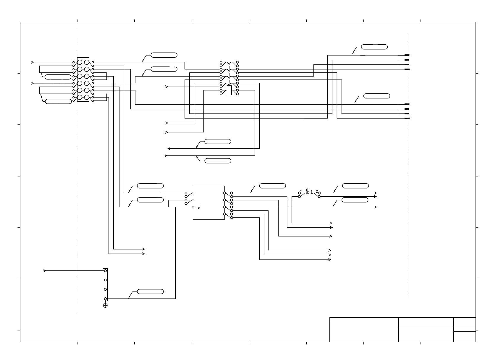
POWER UNIT CNMC3 1 2 3 4 -K321 (ILK Board) -F221 1 2 3 4 5 6 95 96 97 98 6aF221 2aF221 TMEE2-3.5 NICHIFU 96aF221 TMEE1.25-3.5M NICHIFU 95aF221 TMEE1.25-3.5M NICHIFU 97aF221 A2aK225 TMEE1.25-3.5M NICHIFU 5aK225 A1aK225 TM…

UL1015 12AWG BK
UL1015 12AWG BK
Servo Motor Power
Servo Motor Power
A1aK221
TMEE1.25-3.5M
NICHIFU
A2aK221
TMEE1.25-3.5M
NICHIFU
22aK221
5aK221
3aK221
TMEE5.5-3.5N
NICHIFU
21aK221
-K221
SD-Q11 DC24V1b
1 2
3 4
5 6
21 22
A1 A2
Mitsubishi Electric
4aK221
TMEE5.5-3.5N
NICHIFU
6aK221
4bK221
6bK221
UL1015 14AWG BK
UL1015 16AWG BK
UL1015 14AWG BK
UL1015 16AWG BK
UL1015 14AWG BK
UL1015 14AWG BK
UL1015 16AWG BK
UL1015 16AWG BK
BK
UL1015 12AWG BK
BK
UL1015 12AWG BK
BU
BU
UL1007 22AWG BU
21bK221 BU
5bK221
TMEE2-3.5
3bK221
N610142464AC
N610142471AB
N610142472AC
N610142465AC
N610142466AC
SRRF11 P007-5A
SRRF1 P008-2C
P-ON111 P008-7C
SRRF13
P006-1D
1
2
3
AMP
X221
1-179553-4
4
1
2
3
AMP
X222
1-179553-4
4
G24MC1 P006-5D
UL1007 22AWG BU
N610143317AC
-V2aT121
-V1aT121
+V2aT121
+V1aT121
TMEE1.25-5
NICHIFU
-T121
HWS600-24
AC(L)
AC(N)
+V(1)
+V(2)
-V(1)
-V(2)
TDK-Lambda
UL1015 14AWG BK
UL1015 14AWG BK
UL1015 14AWG (GN/YE)
2aF121
TMEE1.25-4
NICHIFU
-F121
NC1V-1100-10AS
IDEC
-V1bT121
-V2bT121
UL1015 16AWG BU
BU
BU
BU
BU
UL1015 16AWG BU
AC(L)aT121
TMEE2-4
NICHIFU
AC(N)aT121
E_T121
1aF121
TMEE1.25-4
NICHIFU
UL1015 16AWG BU
N610142476AB
N610142473AC
N610142474AC
N610142475AC
2aF121
P005-2E
-V1aT121
P005-2E
P24-2a
P005-4C
P24-2b
P006-1D
G24-2a
P006-1B
G24-2b
P006-1B
G24-1b
P006-1D
N610142477AC
N610142478AC
+V1bT121
BU
P24-1b
P006-1B
TMEE5.5-4N
NICHIFU
1cX121
TMEE2-4
1dX121
4dX121
REFER
TO
LOAD
WIRING
DIAGRAM
TMEE2-4
NICHIFU
1aX121
3aV101
4aV101
4cX121
2cX121
-X121
BTBH30C6
1 1
2 2
3 3
4 4
5
6
1 1
2 2
3 3
4 4
5
6
IDEC
5cX121
3cX121
6cX121
BK
L120
P004-2C
BK
L220
P004-2C
L120
L220
2bF121
UL1015 18AWG BU
2bF121
P005-3C
L220
L120
L221
L121
L220
L120
L221
L121
4X021
2-M4
JST
1X021
5.5-S4
JST
-X021
GN/YE
REFER
TO
LOAD
WIRING
DIAGRAM
3X001
1
1
1
1
1
1
1
1
1
1
1
1 1
1
BNJ56B
IDEC
BNJ56B
IDEC
1bX121
2bX121
4aX121
4bX121
5bX121
N610142468AC
N610142467AC
1
1
1bF121
2
2
3
3
3
3
3
3 1
1
3
1 3
3
3
3
3
3
3
3
3
3
3
3
3
3
3
3
3
Panasonic Factory Solutions Co.,Ltd. パナソニック ファクトリーソリューションズ株式会社
Name
Drawing No.
Loc. No.
F4K1020-05A
1
2 3 4 5 6 7 8
A
B
C
D
E
F
1 2 3 4 5 6 7 8
A
B
C
D
E
F
Page. No.
POWER UNIT :SPG
(AC200V SUPPLY LINE)
N610142457+004AD
P003

POWER UNIT
CNMC3
1
2
3
4
-K321
(ILK Board)
-F221
1 2
3 4
5 6
95 96
97 98
6aF221
2aF221
TMEE2-3.5
NICHIFU
96aF221
TMEE1.25-3.5M
NICHIFU
95aF221
TMEE1.25-3.5M
NICHIFU
97aF221
A2aK225
TMEE1.25-3.5M
NICHIFU
5aK225
A1aK225
TMEE1.25-3.5M
NICHIFU
3aK225
-K225
MSOD-Q11CX(KP) 3.6A 200V DC24V
1 2
3 4
5 6
13 14
A1 A2
Mitsubishi Electric
2bF221
FK1.25-M3
6bF221
-F222
UN-SA33
Mitsubishi Electric
1F222
TMEE1.25-3.5M
NICHIFU
3F222
TH101
24GND
Vacum Pump
24GND
UL1007 22AWG BU
UL1007 22AWG BU
UL1007 22AWG BU
UL1015 18AWG BK
UL1015 18AWG BK
UL1015 16AWG BK
UL1015 14AWG BK
UL1015 14AWG BK
N610142527**:Vacuum Pump (OPTION)
L124
L224
98aF221
1
2
3
JST
CNMC3
PAP-04V-S
4
UL1007 22AWG BU
N610142505AC
N610142502AC
N610142503AC
N610142524AB
N610142523AB
N610142525AC
N610142501AB
50Hz:3.3A
60Hz:3.0A
UL1015 16AWG BK
4aF221
1aK225
TMEE2-3.5
NICHIFU
N610142504AB
UL1015 16AWG BK
1
2
3
AMP
X224
1-179553-3
Vaccum Pump
L120 P003-3E
L220 P003-3E
UL1007 22AWG BU
2
2
2
2
1
1
1
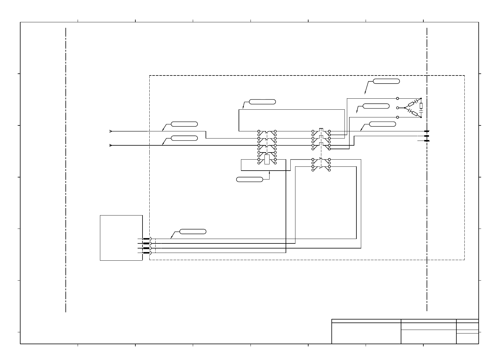
Panasonic Factory Solutions Co.,Ltd. パナソニック ファクトリーソリューションズ株式会社
Name
Drawing No.
Loc. No.
F4K1020-05A
1
2 3 4 5 6 7 8
A
B
C
D
E
F
1 2 3 4 5 6 7 8
A
B
C
D
E
F
Page. No.
POWER UNIT :SPG
(Vacuum Pump LINE)
N610142457+005AC
P004
1
1
2
1
2
2
1
2
2
2
2 2
2
2
2

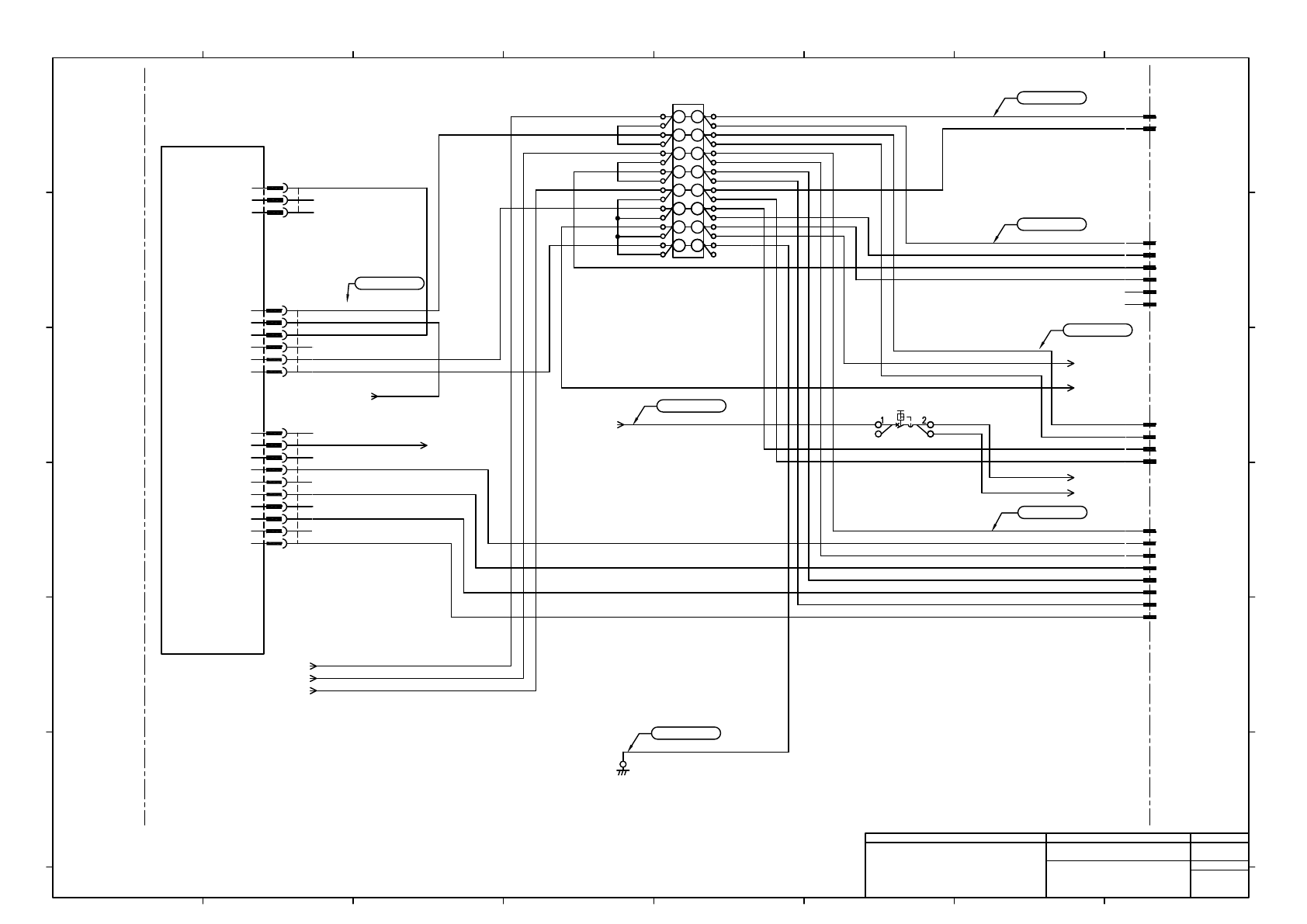
POWER UNIT
P241
BU
BU
BNJ56B
IDEC
BNJ56B
IDEC
G24
BU
BNJ56B
IDEC
-X122
BTBH30C8
IDEC
1
2
3
4
5
6
7
8
1
2
3
4
5
6
7
8
2
3
4
5
6
7
8
2
3
4
5
6
7
8
TMEE1.25-4
NICHIFU
1aX122
2aX122
3aX122
4aX122
5aX122
6aX122
TMEE1.25-4
NICHIFU
1cX122
2dX122
3cX122
3dX122
4cX122
4dX122
5cX122
6cX122
6dX122
7dX122
UL1007 20AWG BU
UL1007 20AWG BU
UL1007 20AWG BU
UL1007 20AWG BU
UL1007 20AWG BU
UL1007 20AWG BU
UL1007 20AWG BU
UL1007 20AWG BU
UL1007 20AWG BU
UL1007 20AWG BU
LED
CONTROLER
UL1007 22AWG BU
AD/DA
(OPTION)
Manifold
UL1007 22AWG BU
UL1007 22AWG BU
UL1007 22AWG BU
N610142482AC
N610142483AC
N610142485AC
UL1007 18AWG BU
UL1007 18AWG BU
CN24V
1
2
3
4
5
6
-K321
(ILK Board)
24V IN
24V IN
CP+24V
24GND
24GND
24GND
N610142480AC
6
5
4
MOLEX
CN24V
5557-06R-210
3
2
1
JST
CN-FANB
PAP-03V-S
3
2
1
CN-FANB
1
2
3
24VOUT
NC
24VGND
UL1007 22AWG BU
2aF121 P003-7D
P2451 P006-6D
-V1aT121 P003-7D
5dX122
TMEE2-4
NICHIFU
8cX122
8aX122
CNVLB
1
2
3
4
5
6
7
8
9
10
24VOUT
OUT117
24VOUT
VL134
24VOUT
VL135
24VOUT
VL136
24VOUT
VL137
1
2
3
MOLEX
X323
5559-06P-210
4
5
6
1
2
3
MOLEX
X324
5559-08P-210
4
5
6
7
8
UL1007 22AWG BU
UL1007 22AWG BU
UL1007 22AWG BU
UL1007 22AWG BU
2aF123
TMEE1.25-4
NICHIFU
2bF123
-F123
NC1V-1100-10AS
IDEC
UL1007 16AWG BU
UL1007 18AWG BU
UL1007 18AWG BU
P243
1aF123
TMEE1.25-4
NICHIFU
N610142487AC
P24-2a P003-6D
7cX122 7aX122
UL1007 18AWG BU
10
9
8
7
6
5
4
JST
CNVLB
PAP-10V-S
3
2
1
1
2
MOLEX
X321
5559-02P-210
1
2
3
MOLEX
X327
5559-04P-210
4
Puls Motor
Controller
UL1007 22AWG BU
OUT117
P006-6D
7aX122
P006-1A
2bF121 P003-7D
1dX122
2cX122
UL1007 18AWG BU
N610142484AC
UL1015 14AWG BU
EX122
2-M4
JST
N610142481AC
1
1
1
2
2
2
2
1
2
2
2aF123 P006-1A
2bF123
P006-1A
7dX122
P006-1A
1
1 2
1
1
1
1
1
1
2
2
2
2 2
Panasonic Factory Solutions Co.,Ltd. パナソニック ファクトリーソリューションズ株式会社
Name
Drawing No.
Loc. No.
F4K1020-05A
1
2 3 4 5 6 7 8
A
B
C
D
E
F
1 2 3 4 5 6 7 8
A
B
C
D
E
F
Page. No.
POWER UNIT :SPG
(Output Connector1)
N610142457+006AC
P005