N7205A101B08_Diagram List_控制線路圖 - 第32页
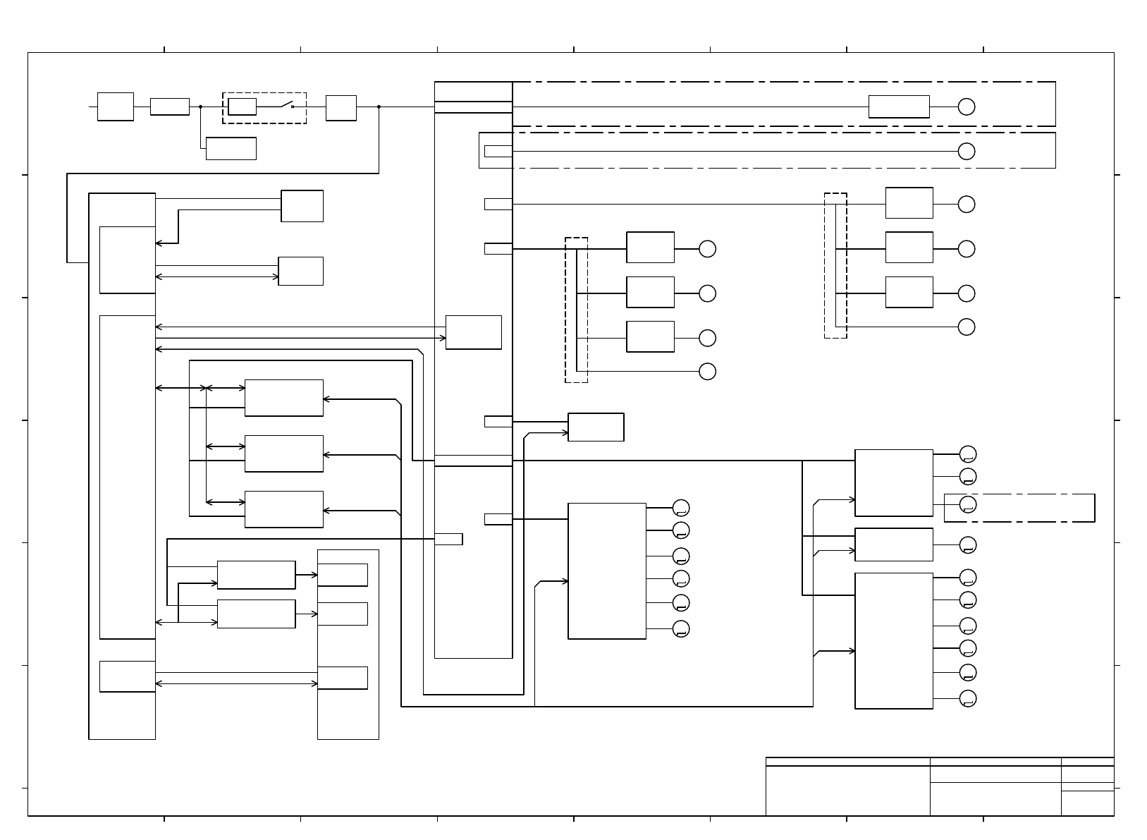
CNMC2 X326 XY-Table Upper Clamp ON :OPTION Mask Clamp ON Cleaning Nozzle Rise Auto Mask Set Down:OPTION Emergency Switch Safety Cover 1 Safety Cover 2 Solvent Pump On R-Squeegee Brake F-Squeegee Brake X324 X325 X328 X331…

F102
F201
V101
T001
A01
K401
K402
K405
M402
M405
M401
M
M
M
M
AC200-240V
CPU BOX
TOUCH
PANEL
A10
CARD
READER
C101
HEAD
CAMERA
B311
1~200V
DC12V
DC12V
DC5V
PULSE MOTOR
DRIVER #1
K601
M611
M
M612
M
PULSE MOTOR
CONTROL
BOARD #1
K301
Table Y-Axis
Camera X-Axis
Front Squeegee Z-Axis
Rear Squeegee Z-Axis
M613
M
Solder Auto X-Axis
OPTION
CPU
BOARD
K311
NC/IO
BOARD
K312
CAPTURE
BOARD
K313
A02
PULSE MOTOR
CONTROL
BOARD #2
K302
PULSE MOTOR
DRIVER #3
K603
M
M
M
M
M
M
M632
Cleaning Paper Wind
M641
M634
M644
Width Adjustment:Right
M631
θ-Axis
M633
Cleaning Paper feed
PULSE MOTOR
DRIVER #4
K604
M642
M
M643
M
M635
M
M636
M
Conveyor:Right Fixed
Conveyor:Right Moving
M645
M
M646
M
PULSE MOTOR
DRIVER #2
K602
M621
M
Table X-Axis
PULSE MOTOR
CONTROL
BOARD #3
K303
LED CONTROL
BOARD #1
K304
LED CONTROL
BOARD #2
K305
G202
G201
M
M
Blower Motor
Vacuum Pump
ILK
BOARD
K321
POWER
UNIT
1~200V
1~200V
1~200V
1~200V
DC24V
DC24V
Breaker
Surge
Absorber
Trans
Noise
Filter
LED
LIGHT 1
E001
LED
LIGHT 2
E002
B301
HEAD
CAMERA
UNIT
DC24V
DC24V
DC24V
DC24V
DC24V
#2
#3
#1
#1
#1
#2
#3
DC24V
DC24V
X121
X221
X224
X327
X322
X321
X201
G101
Cooling Fan 1
K403
K404
K406
M404
M406
M403
M
M
M
SERVO
DRIVER
Lift-Axis
UnderSupport-Axis
Squeegee-Axis
Camera Y-Axis
X202
X222
OPTION
M
G102
Cooling Fan 2
Width Adjustment:Center
Conveyor:Center Fixed
Conveyor:Center Moving
Width Adjustment:Left
Conveyor:Left Fixed
Conveyor:Left Moving
X323
T201
INVERTER
OPTION
CH2
CH3
AD/DA
BOARD
K381
DC24V
CH1
SERVO
DRIVER
SERVO
DRIVER
SERVO
DRIVER
SERVO
DRIVER
SERVO
DRIVER
Main
Switch
F101
Panasonic Factory Solutions Co.,Ltd. パナソニック ファクトリーソリューションズ株式会社
Name
Drawing No.
Loc. No.
F4K1020-05A
1
2 3 4 5 6 7 8
A
B
C
D
E
F
1 2 3 4 5 6 7 8
A
B
C
D
E
F
Page. No.
LOAD WIRING DIAGRAM :SPG
(Block Diagram:Power and Communication)
N610142532+002AA
P002

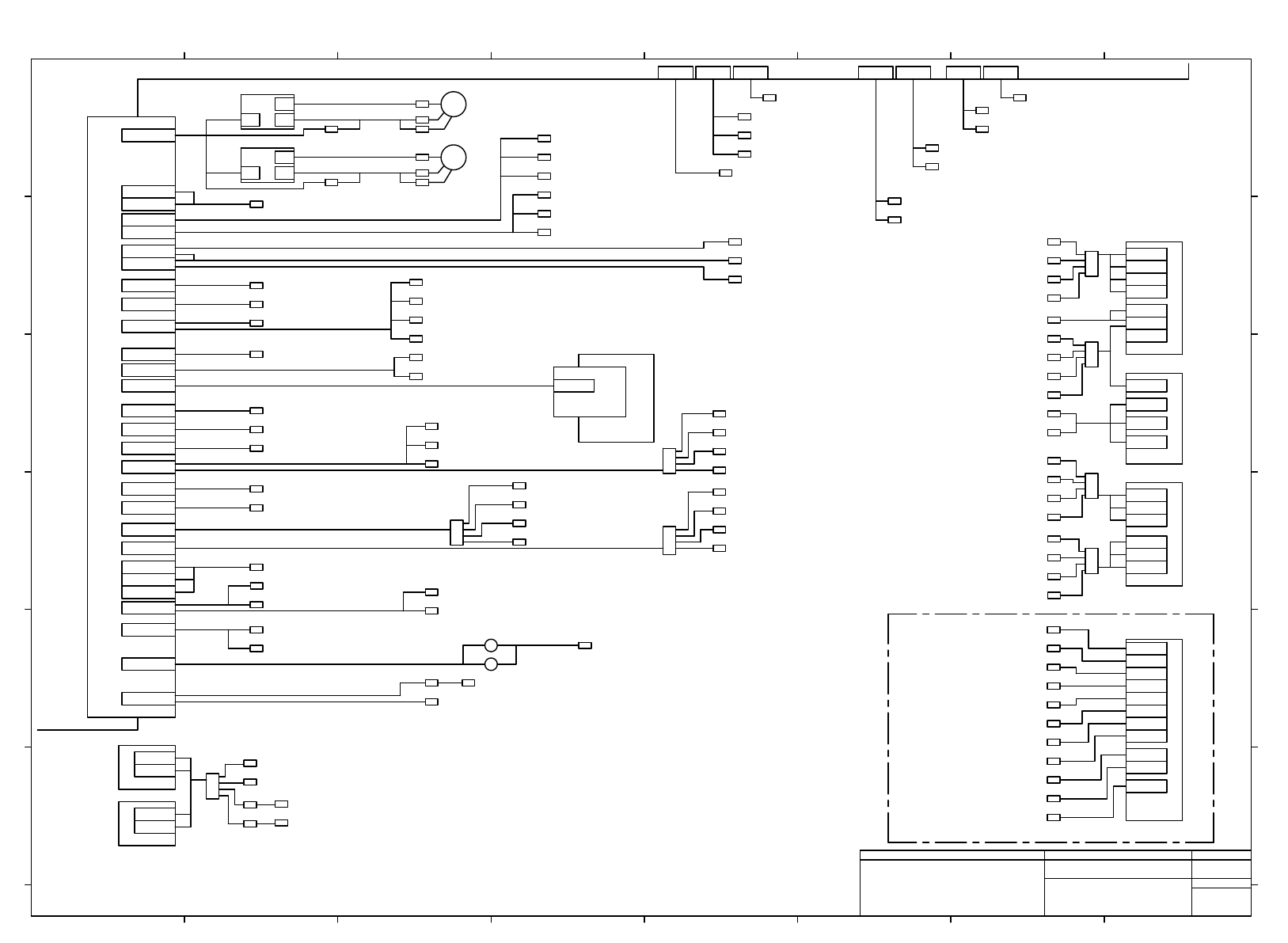
CNMC2
X326
XY-Table Upper Clamp ON :OPTION
Mask Clamp ON
Cleaning Nozzle Rise
Auto Mask Set Down:OPTION
Emergency Switch
Safety Cover 1
Safety Cover 2
Solvent Pump On
R-Squeegee Brake
F-Squeegee Brake
X324 X325 X328
X331
X332
CN20
CN21
F-Squeegee Z Axis Origin
R-Squeegee Z Axis Origin
CN22
CN23
Auto Mask Set Upper:OPTION
Solder Auto-Dispensing Axis Origin:OPTION
CN14
CN24
CN25
X-Axis Exciting Origin:Driver
Table X-Axis Rotation Origin
Table X-Axis Rough Origin
PMC#1
CN20
θ-Axis Origin
θ-Axis Rough Origin
CN23
CN24
PMC#2
CN23
CN21
CN24
CN25
PMC#3
ILK
Power Unit
K321
A02
K301
K302
CN20
CN22
Support Plate Jamming Detection Fixed Side
Center Conveyor Width Origin
K303
Transportation Opening Sensor:L
CNPATO
Signal Tower
Servo Switch
CNTR1
Start Switch
Activation Switch
Stop Switch
Table Y-Axis Rough Origin
Transportation Opening Sensor:R
Right Conveyor Width Origin
PCB Detection 1:R
PCB Detection 2:R
PCB Detection Between Conveyors:R
CNLED1
Maintenance Light Left Side:OPTION
CNBYP1
Camera Y-Axis Rough Origin
Mask Detection
CNAIR
Main Air Pressure
CNUP2
Squeegee-Axis Rough Origin
CNBK1
X4
M403
X2
X6
K403
X4
M404
X2
X6
K404
CNTM1
CNTM2
Mask Clamp OFF
PCB Side Clamp ON
Cleaning Vacuum
PCB Stopper Down
Cleaning Unit Joint
Cleaning Unit Lock
CNPLED
Temperature Control Unit Auto Start:OPTION
CN00
CN01
Line Signal : Preceding Machine
Line Signal : Succeeding Machine
CNFDCOV
Temperature Control Unit Alarm Detection:OPTION
CN8
NC/IO
CPU Box
A01
K312
S301
S302
S201
B1110
S103
S102
S101
B201
B1110
B1D10
B1D11
B1D40
B1D50
B1141
B1136
B1116
B1033
E011
R4136
R4134
R4137
R4012
R4110
R4112
R4115
R4116
R4111
R4114
K307
B1B41
-K602
B1B42
B1C00
B1C01
K331
B1C40
B1C30
CN1
CNTL
Under Support-Axis Rough Origin
Under Support-Axis
Minus Overrun
Lift-Axis Rough Origin
Lift-Axis Minus Overrun
Support Plate Jamming Detection Moving Side
Conveyor Width Adjustment Interlock
Side Clamp Out Limit
B1113
B1117
B1124
B1127
B1126
B1133
B1132
K332
XP
XS
B1B00
B1B10
B1B20
B1B30
U0132
U0133
CNEXL-M
CNEXR-M
Electro Pneumatic Transducing Regulator
for Printing Pressure
B5001
CNDU-S
CN3D
Cleaning Nozzle Lower Limit 1
Cleaning Nozzle Upper Limit 1
Running Out of Paper
Paper Detection
Cleaning Nozzle Lower Limit 2
Cleaning Nozzle Upper Limit 2
Cleaning Unit Lock
K351
K352
B1144
B1145
B1102
B1103
B1035
B1036
B1037
CHNG1
CHNG2
Cooling Fan Alarm 1
Cooling Fan Alarm 2
2G101
2G102
K341
R4033
CNDU-P
Mask Vacuum Sensor:OPTION
PCB Vacuum Sensor:OPTION
Mask Vacuum:OPTION
PCB Vacuum:OPTION
R4145
R4144
B1146
B1142
TEMPST
TEMPALM
IN106
Left Conveyor Width Origin
PCB Detection 1:L
PCB Detection 2:L
PCB Detection Between Conveyors:L
B1D00
B1D01
B1D20
B1D30
K306
CN22
Blower Inverter
T201
CN-FANA
CN6
CN7
LED_C#1
CN6
CN7
LED_C#2
K304
K305
K361
PCB Upper Support Upper Limit:OPTION
Camera X-Axis Origin
PCB Stopper Upper Position
PCB Detection of Positioning
B1E03
B1E04
B1F03
B1F04
K132
K133
Load Cell Unit 1
B6001
Load Cell Unit 2
B6002
CNEXL-S
CNEXR-S
Electro Pneumatic Transducing Regulator
for Board Clamping Pressure
B5101
EXTOT2
Syringe Position (L)
Syringe Position (M)
Solder Paste Automatic Supply
Exchange Solder Pot
B1A05
B1A06
R4A00
R4A01
Solder Detection
Pot Dispenser Swing Detection
Solder Shutter Close
Solder Dispenser Swing Detection
B1A01
B1A02
B1A03
B1A04
B1A00
Swing Prevention OFF
R4A03
Auto Solder Dispenser Set Detection
CN22
CN23
CN24
CN25
ADDA
CN20
CN21
K381
CN26
CN10
CN11
OPTION
K122
B1014
B1015
CN-CART
S104
Solvent Detection
Cleaning Unit Joint
B1034
1
1 1
1
1
1
1
1
1
1
1
1
1
1
1
CN27
CN13
1
1
1
1
1
Pot Dispenser Cylinder Lower Limit
B1A07
1
1
1
1
1
1
1
1
1
1
1
1
1
1
1
Maintenance Light Right Side:OPTION
E012
1 1
1
1
1
External Cleaning Signal:OPTION
XSIG
1
1
1
1
1
1
Panasonic Factory Solutions Co.,Ltd. パナソニック ファクトリーソリューションズ株式会社
Name
Drawing No.
Loc. No.
F4K1020-05A
1
2 3 4 5 6 7 8
A
B
C
D
E
F
1 2 3 4 5 6 7 8
A
B
C
D
E
F
Page. No.
LOAD WIRING DIAGRAM :SPG
(Block Diagram:I/O Signal)
N610142532+003AB
P003

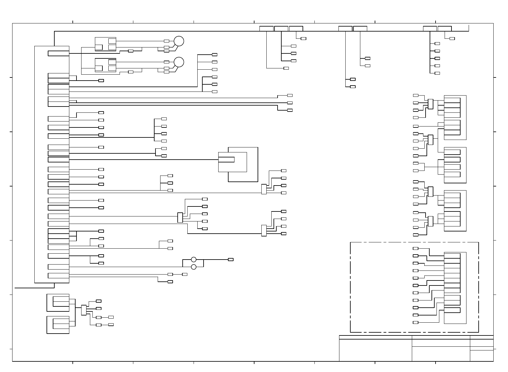
CNMC2
X326
XY-Table Upper Clamp ON :OPTION
Mask Clamp ON
Cleaning Nozzle Rise
Auto Mask Set Down:OPTION
Emergency Switch
Safety Cover 1
Safety Cover 2
Solvent Pump On
R-Squeegee Brake
F-Squeegee Brake
X324 X325 X328
X331
X332
CN20
CN21
F-Squeegee Z Axis Origin
R-Squeegee Z Axis Origin
CN22
CN23
Auto Mask Set Upper:OPTION
Solder Auto-Dispensing Axis Origin:OPTION
CN14
CN24
CN25
X-Axis Exciting Origin:Driver
Table X-Axis Rotation Origin
Table X-Axis Rough Origin
PMC#1
CN20
θ-Axis Origin
θ-Axis Rough Origin
CN23
CN24
PMC#2
CN23
CN21
CN24
CN25
PMC#3
ILK
Power Unit
K321
A02
K301
K302
CN20
CN22
Support Plate Jamming Detection Fixed Side
Center Conveyor Width Origin
K303
Transportation Opening Sensor:L
CNPATO
Signal Tower
Servo Switch
CNTR1
Start Switch
Activation Switch
Stop Switch
Table Y-Axis Rough Origin
Transportation Opening Sensor:R
Right Conveyor Width Origin
PCB Detection 1:R
PCB Detection 2:R
PCB Detection Between Conveyors:R
CNLED1
Maintenance Light Left Side:OPTION
CNBYP1
Camera Y-Axis Rough Origin
Mask Detection
CNAIR
Main Air Pressure
CNUP2
Squeegee-Axis Rough Origin
CNBK1
X4
M403
X2
X6
K403
X4
M404
X2
X6
K404
CNTM1
CNTM2
Mask Clamp OFF
PCB Side Clamp ON
Cleaning Vacuum
PCB Stopper Down
Cleaning Unit Joint
Cleaning Unit Lock
CNPLED
Temperature Control Unit Auto Start:OPTION
CN00
CN01
Line Signal : Preceding Machine
Line Signal : Succeeding Machine
CNFDCOV
Temperature Control Unit Alarm Detection:OPTION
CN8
NC/IO
CPU Box
A01
K312
S301
S302
S201
B1110
S103
S102
S101
B201
B1110
B1D10
B1D11
B1D40
B1D50
B1141
B1136
B1116
B1033
E011
R4136
R4134
R4137
R4012
R4110
R4112
R4115
R4116
R4111
R4114
K307
B1B40
-K602
B1B41
B1C00
B1C01
K331
B1C40
B1C30
CN1
CNTL
Under Support-Axis Rough Origin
Under Support-Axis
Minus Overrun
Lift-Axis Rough Origin
Lift-Axis Minus Overrun
Support Plate Jamming Detection Moving Side
Conveyor Width Adjustment Interlock
Side Clamp Out Limit
B1113
B1117
B1124
B1127
B1126
B1133
B1132
K332
XP
XS
B1B00
B1B10
B1B20
B1B30
U0132
U0133
CNEXL-M
CNEXR-M
Electro Pneumatic Transducing Regulator
for Printing Pressure
B5001
CNDU-S
CN3D
Cleaning Nozzle Lower Limit:R
Cleaning Nozzle Upper Limit
Running Out of Paper
Paper Detection
Cleaning Unit Joint 2
Cleaning Unit Joint 1
Cleaning Unit Lock Point
K351
K352
B1144
B1145
B1102
B1103A
B1035
B1036
B1037
CHNG1
CHNG2
Cooling Fan Alarm 1
Cooling Fan Alarm 2
2G101
2G102
K341
R4033
CNDU-P
Mask Vacuum Sensor:OPTION
PCB Vacuum Sensor:OPTION
Mask Vacuum:OPTION
PCB Vacuum:OPTION
R4145
R4144
B1146
B1142
TEMPST
TEMPALM
IN106
Left Conveyor Width Origin
PCB Detection 1:L
PCB Detection 2:L
PCB Detection Between Conveyors:L
B1D00
B1D01
B1D20
B1D30
K306
CN22
Blower Inverter
T201
CN-FANA
CN6
CN7
LED_C#1
CN6
CN7
LED_C#2
K304
K305
K361
PCB Upper Support Upper Limit:OPTION
Camera X-Axis Origin
PCB Stopper Upper Position
PCB Detection of Positioning
B1E03
B1E04
B1F03
B1F04
K132
K133
Load Cell Unit 1
B6001
Load Cell Unit 2
B6002
CNEXL-S
CNEXR-S
Electro Pneumatic Transducing Regulator
for Board Clamping Pressure:OPTION
B5101
EXTOT2
Syringe Position (L)
Syringe Position (M)
Solder Paste Automatic Supply
Exchange Solder Pot
B1A05
B1A06
R4A00
R4A01
Solder Detection
Pot Dispenser Swing Detection
Solder Shutter Close
Solder Dispenser Swing Detection
B1A01
B1A02
B1A03
B1A04
B1A00
Swing Prevention OFF
R4A03
Auto Solder Dispenser Set Detection
CN22
CN23
CN24
CN25
ADDA
CN20
CN21
K381
CN26
CN10
CN11
OPTION
K122
B1014
B1015
CN-CART
S104
Solvent Detection
Cleaning Unit Joint Point
B1034
1
1 1
1
1
1
1
1
1
1
1
1
1
1
1
CN27
CN13
1
1
1
1
1
Pot Dispenser Cylinder Lower Limit
B1A07
1
1
1
1
1
1
1
1
1
1
1
1
1
1
1
Maintenance Light Right Side:OPTION
E012
1
1
1
1
1
External Cleaning Signal:OPTION
XSIG
1
1
1
1
1
1
2
2
Safety Cover 3
S303
Safety Cover 4
S304
Safety Cover 5
S305
2
2
2
Cleaning Unit Unlock
B1140
2
2
2
2
2
2
2
2
Cleaning Nozzle Lower Limit:L
B1103B
2
Panasonic Factory Solutions Co.,Ltd. パナソニック ファクトリーソリューションズ株式会社
Name
Drawing No.
Loc. No.
F4K1020-05A
1
2 3 4 5 6 7 8
A
B
C
D
E
F
1 2 3 4 5 6 7 8
A
B
C
D
E
F
Page. No.
LOAD WIRING DIAGRAM :SPG
(Block Diagram:I/O Signal)
N610142532+003AC
P003