N7205A101B08_Diagram List_控制線路圖 - 第42页
-K311 -A01 CPU BOX CPU-BOARD TOUCH PANEL NBC-JC155X-D5 NEC -A10 R08RP2 Topre CPU-BOARD CN2(RS-232C) 1 2 3 4 5 6 7 8 9 CD TD RD DSR GND DTR CTS RTS N.C CN3(DC12V) 1 2 3 4 5 6 FG 12V GND FG 12V GND COM1 COM1_DCD COM1_RXD C…

-A01
CN11
TXD+
TXD-
RXD+
RXD-
I/O
GND
1
4
2
5
3
6
-K312
(NC/IO)
PNFCAC
CPU BOX
24V
24V
24V
IN01
RXD+
TXD+
24GND
ILK1
24GND
24GND
24GND
GND
RXD-
TXD-
EMG
ILK2
1
2
3
4
5
6
7
8
9
10
11
12
13
14
15
16
-K305
CN1
(LED CONTROLLER)
PPE0AA #2
24V
24V
24V
IN01
RXD+
TXD+
24G
ILK1
24G
24G
24G
GND
RXD-
TXD-
EMG
ILK2
1
2
3
4
5
6
7
8
9
10
11
12
13
14
15
16
-K304
CN1
(LED CONTROLLER)
PPE0AA #1
CN2
1
2
3
4
5
6
7
8
TXD+
RXD+
EMG
GND
TXD-
RXD-
ILK1
ILK2
BK BK
E3041 E3122
6
3
5
MOLEX
CN11K312
43025-0600
2
4
1
2464-1061/ⅡA-SBX(PF) LF 3P×24AWG
GN/WH
GN
BK/WH
BK
RD/WH
RD
16
15
14
13
12
11
10
9
8
7
6
5
4
MOLEX
CN1K304
43025-1600
3
2
1
1
2
3
MOLEX
CN1K305
43025-1600
4
5
6
7
8
9
10
11
12
13
14
15
16
8
7
6
5
4
MOLEX
CN2K304
43025-0800
3
2
1
POWER UNIT
-A02
X321
P24
G24
1
2
OG
GY
N610142607AC
2-M4
JAPAN SOLDERLESS TER
2-M4
JAPAN SOLDERLESS TER
2464-1007<F>2×20AWG
1
2
MOLEX
X321A02
5557-02R-210
RD
RD/WH
BK
BK/WH
GN
GN/WH
2464-1061/ⅡA(PF) LF 3P×24AWG
2464-1061/ⅡA(PF) LF 2P×24AWG
RD
RD/WH
BK
BK/WH
1
1
1
2
Panasonic Factory Solutions Co.,Ltd. パナソニック ファクトリーソリューションズ株式会社
Name
Drawing No.
Loc. No.
F4K1020-05A
1
2 3 4 5 6 7 8
A
B
C
D
E
F
1 2 3 4 5 6 7 8
A
B
C
D
E
F
Page. No.
LOAD WIRING DIAGRAM :SPG
(LED CONTROLLER)
N610142532+011AC
P011

-K311
-A01
CPU BOX
CPU-BOARD
TOUCH PANEL
NBC-JC155X-D5
NEC
-A10
R08RP2
Topre
CPU-BOARD
CN2(RS-232C)
1
2
3
4
5
6
7
8
9
CD
TD
RD
DSR
GND
DTR
CTS
RTS
N.C
CN3(DC12V)
1
2
3
4
5
6
FG
12V
GND
FG
12V
GND
COM1
COM1_DCD
COM1_RXD
COM1_TXD
COM1_DTR
GND
COM1_DSR
COM1_RTS
COM1_CTS
COM1_RI
1
2
3
4
5
6
7
8
9
3
1
6
4
2
5
+12V
GND
+12V
GND
N.C
N.C
CN1
EGA01
BK
2-M4
JST
GN/WH
RD/WH
BK/WH
BK
GN
RD
2464-1061/ⅡA-SBX(PF) LF 3P×24AWG
9
8
7
6
5
4
JAE
COM1K311
DEU-9SF-F0
3
2
1
2464-1061/ⅡA-SBX(PF) LF 2P×20AWG
BK/WH
BK
RD/WH
RD
5
2
4
MOLEX
CN1A01
5557-06R-210
6
1
3
5556TL
1
2
3
4
5
6
7
8
9
JAE
CN2A10
DEU-9SF-F0
J-C9-1C
JST
XM2S-0913
1
2
3
6
7
9
10
11
17
18
19
22
23
24
CRT
TMDS_DATA 2-
TMDS_DATA 2+
TMDS_D 2/4 SHILD
DDC_CLOCK_D
DDC_DATA_D
TMDS_DATA 1-
TMDS_DATA 1+
TMDS_D 1/3 SHILD
TMDS_DATA 0-
TMDS_DATA 0+
TMDS_D 0/5 SHILD
TMDS_CLOCK SHILD
TMDS_CLOCK+
TMDS_CLOCK-
C1
C2
C3
C5
C4
7
8
6
14
16
15
ANLOG_RED
ANLOG_GREEN
ANLOG_BLUE
ANLOG_GND
ANLOG_HORZ_SYNC
DDC DATA_A
ANLOG_VERT_SYNC
DDC CLOCK_A
POWER +5V
HOT_PLUG_DETECT
GND(+5V)
16
14
15
CRTK311
9
7
6
19
C4
C5
7
11
10
6
8
3
C3
C2
C1
18
17
1
2
22
23
24
C1
C2
C3
C5
C4
7
8
6
14
16
15
1
2
3
6
7
9
10
11
17
18
19
22
23
24
CN1(DVI-I)
ANLOG_RED
ANLOG_GREEN
ANLOG_BLUE
ANLOG_GND
ANLOG_HORZ_SYNC
DDC DATA_A
ANLOG_VERT_SYNC
DDC CLOCK_A
POWER +5V
HOT_PLUG_DETECT
GND(+5V,HV-SYNC)
TMDS_DATA2-
TMDS_DATA2+
TMDS_D 2/4 SHILD
DDC_CLOCK_D
DDC_DATA_D
TMDS_DATA 1-
TMDS_DATA 1+
TMDS_D 1/3 SHILD
TMDS_DATA 0-
TMDS_DATA 0+
TMDS_D 0/5 SHILD
TMDS_CLOCK SHILD
TMDS_CLOCK+
TMDS_CLOCK-
24
23
22
2
1
17
18
C1
C2
C3
3
8
6
10
11
7
C5
C4
19
6
7
9
CN1A10
15
14
16
N610142608AB
N610142609AB
BK BK
6
5
4
MOLEX
DC12R
5557-06R-210
3
2
1
BK/WH
BK
RD/WH
RD
2464-1061/ⅡA-SBX(PF) LF 2P×24AWG
1
2
3
MOLEX
CN3A10
5557-06R-210
4
5
6
BK
6
5
4
MOLEX
DC12P
5559-06P-210
3
2
1
N610143318AA
MOLEX
68765-0156
IDENT
N510065732AA
1
1
1
1
OMRON
1
Panasonic Factory Solutions Co.,Ltd. パナソニック ファクトリーソリューションズ株式会社
Name
Drawing No.
Loc. No.
F4K1020-05A
1
2 3 4 5 6 7 8
A
B
C
D
E
F
1 2 3 4 5 6 7 8
A
B
C
D
E
F
Page. No.
LOAD WIRING DIAGRAM :SPG
(Touch Panel Wiring)
N610142532+012AB
P012

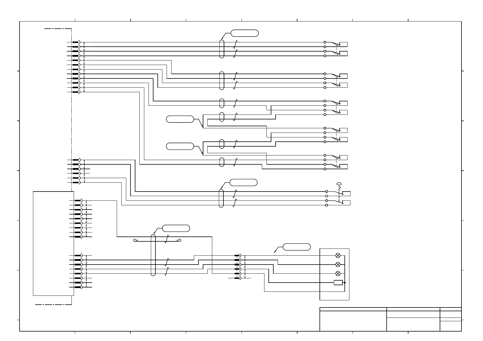
-S201
XW1E-BV402MFR-TK2377
11 12
21 22
IDEC
Emergency Stop
Switch
-A02
POWER UNIT
非常停止スイッチ
1
2
3
4
5
6
X332
6
5
4
AMP
X332A02
177901-1
3
2
1
EMGF1
EMGF2
11S201
TMEE1.25-3
NICHIFU
12S201
21S201
22S201
1
2
3
4
5
6
7
8
9
10
11
12
11S301
N0.5-3
JST
12S301
21S301
22S301
X331
Safety Cover2
安全カバー2
-S302
D4NH-1BBC
11 12
31 32
OMRON
Safety Cover1
安全カバー1
-S301
HS5D-02RNP
11 12
21 22
IDEC
CVS11
CVS12
CVS13
CVS14
CVS21
CVS22
CVS23
CVS24
N610142612AD
N610142610AF
PNF0B4(ILK)
-K321
24VOUT
OUT042
OUT043
OUT044
OUT045
OUT041
1
2
3
4
5
6
7
8
CNPATO
BZ
Buzzer
+
GREEN
YELLOW
RED
-B201
N510063820AA
Signal Tower
シグナルタワー
RD
OG
GN
VT
YE
6
5
4
MOLEX
B201P
43020-0600
3
2
1
6
5
4
MOLEX
B201R
43025-0600
3
2
1
8
7
6
5
4
MOLEX
CNPATO
43025-0800
3
2
1
N610142617AB
N610142549AA
EX+24V
VL130
EX+24V
VL131
EX+24V
VL132
EX+24V
VL133
N.C.
1
2
3
4
5
6
7
8
9
CNUP1
RD
RD/WH
BK
BK/WH
GN
GN/WH
2464-1061/ⅡA(PF) LF 2P×22AWG
RD
RD/WH
BK
BK/WH
JAPAN SOLDERLESS TER
CNUP1
PAP-09V-S
9
8
7
6
5
4
3
2
1
2464-1061/ⅡA(PF) LF 2P×22AWG
2464-1061/ⅡA(PF) LF 2P×22AWG
RD
RD/WH
BK
BK/WH
RD
RD/WH
BK
BK/WH
1
1
1
1
1
2
2
11S302
N0.5-3.7
JST
2
12S302
31S302
32S302
CVS31
CVS32
CVS41
CVS42
AMP
X331A02
177905-1
1
2
3
4
5
6
7
8
9
10
11
12
3
3
11S303
N0.5-3
JST
12S303
21S303
22S303
Safety Cover3
安全カバー3
-S303
HS5D-02RNP
11 12
21 22
IDEC
11S304
N0.5-3
JST
12S304
21S304
22S304
Safety Cover4
安全カバー4
-S304
HS5D-02RNP
11 12
21 22
IDEC
BK
BK/WH
2464-1061/ⅡA(PF) LF 1P×22AWG
2
BK
BK/WH
2464-1061/ⅡA(PF) LF 1P×22AWG
BK
BK/WH
2464-1061/ⅡA(PF) LF 1P×22AWG
N610155150AC
3
3
3
3
3
3
3
2464-1061/ⅡA(PF) LF 3P×24AWG
11S305
N0.5-3
JST
12S305
21S305
22S305
Safety Cover5
安全カバー5
-S305
HS5D-02RNP
11 12
21 22
IDEC
4
BK
BK/WH
2464-1061/ⅡA(PF) LF 1P×22AWG
N610146322AB
4
4
4
4
5
5
5
1 6
6
Panasonic Factory Solutions Co.,Ltd. パナソニック ファクトリーソリューションズ株式会社
Name
Drawing No.
Loc. No.
F4K1020-05A
1
2 3 4 5 6 7 8
A
B
C
D
E
F
1 2 3 4 5 6 7 8
A
B
C
D
E
F
Page. No.
LOAD WIRING DIAGRAM :SPG
(Emergency Stop SW and Cover SW)
N610142532+013-AG
P013