N7205A101B08_Diagram List_控制線路圖 - 第48页
Solvent Detection クリーニング液切れ検出 -B1110 BN BK BU OG -B1110T BN BU 6 5 4 AMP B1110P 177909-1 3 2 1 6 5 4 AMP B1110R 177901-1 3 2 1 UL1007 24AWG (青) BU UL1007 24AWG (青) BU P2451 VL012 1 2 X325 P2451 VL134 P2451 VL135 P2451 VL…

PCB Detection 1:R
基板検出1:右
PCB Detection 2:R
基板検出2:右
PNF0A8 #02
-K307
CN1
1
2
3
4
5
6
7
8
9
10
CN4
1
2
3
4
CN5
1
2
3
4
CN3
1
2
3
4
CN2
1
2
3
4
Right Conveyor Width Origin
右コンベア幅寄せ軸原点
+24V
IN3B
IN3A
GND
+24V
IN2B
IN2A
GND
+24V
IN1B
IN1A
GND
+24V
IN4B
IN4A
GND
+24V
1B
1A
2B
2A
3B
3A
4B
4A
GND
-B1D40
BN
BK
WH
BU
-B1D10
BN
BK
BU
-B1D11
BN
BK
BU
N610142535AA:TRANSPORT CONVEYOR WIRING
10
9
8
7
6
5
4
JST
CN1K307
XHP-10
3
2
1
4
AMP
CN3K307
177900-1
3
2
1
4
AMP
CN4K307
177900-1
3
2
1
4
AMP
CN2K307
177900-1
3
2
1
6
5
4
AMP
CN24K303
177901-1
3
2
1
24V
ORG
RUF
+OVR
-OVR
GND
1
2
3
4
5
6
CN24
-K303
(PULSE) #3
PMCOAH
6
5
4
AMP
CN21K303
177901-1
3
2
1
24V
ORG
RUF
+OVR
-OVR
GND
1
2
3
4
5
6
CN21
6
5
4
AMP
CN25K303
177901-1
3
2
1
24V
ORG
RUF
+OVR
-OVR
GND
1
2
3
4
5
6
CN25
PCB Detection Between Conveyors:R
コンベア間基板検出:右
-B1D50
BN
BK
BU
4
AMP
CN5K307
177900-1
3
2
1
PNF0B4(ILK)
-A02
POWER UNIT
N610142622AB
-K321
24VOUT
24GND
OUT101
PH136
PH135
PH137
IN114
PH116
24VOUT
24GND
1
2
3
4
5
6
7
8
9
10
CNBYP1
Mask Detection
マスク有無検出
-B1136
BN
BK
BU
Camera Y-Axis Rough Origin
カメラY軸ラフ原点
-B1116
BN
BK
WH
BU
4
AMP
B1116R
177900-1
3
2
1
4
AMP
B1136R
177900-1
3
2
1
4
AMP
B1116P
177908-1
3
2
1
4
AMP
B1136P
177908-1
3
2
1
10
9
8
7
6
5
4
JST
CNBYP
PUDP-10V-S
3
2
1
N610142623AB
B
RD
RD/WH
BK
BK/WH
GN
GN/WH
2464-1061/ⅡA(PF) LF 3P×24AWG
2464-1061/ⅡA(PF) LF 3P×24AWG
RD
BK
BK/WH
RD/WH
GN
GN/WH
1
1
1
1
2
2
2
Panasonic Factory Solutions Co.,Ltd. パナソニック ファクトリーソリューションズ株式会社
Name
Drawing No.
Loc. No.
F4K1020-05A
1
2 3 4 5 6 7 8
A
B
C
D
E
F
1 2 3 4 5 6 7 8
A
B
C
D
E
F
Page. No.
LOAD WIRING DIAGRAM :SPG
(Frame I/O Part 3)
N610142532+017AC
P017

Solvent Detection
クリーニング液切れ検出
-B1110
BN
BK
BU
OG
-B1110T
BN
BU
6
5
4
AMP
B1110P
177909-1
3
2
1
6
5
4
AMP
B1110R
177901-1
3
2
1
UL1007 24AWG (青) BU
UL1007 24AWG (青) BU
P2451
VL012
1
2
X325
P2451
VL134
P2451
VL135
P2451
VL136
P2451
VL137
1
2
3
4
5
6
7
8
X324
1
2
3
MOLEX
X324A02
5557-08R-210
4
5
6
7
8
1
2
AMP
X325A02
177898-1
CNAIR
24VOUT
IN033
24GND
1
2
3
JST
CNAIR
PAP-03V-S
3
2
1
PNF0B4(ILK)
POWER UNIT
MTKC000991AA
Cleaning Nozzle Rise
クリーニング吸引部上昇
SMC
R4134
SY100-29-1
-
+
Auto Mask Set Down
マスク自動位置決め下降
-
+
Mask Clamp ON
マスククランプオン
-
+
SMC
R4137
SY100-29-1
Solvent Pump On
溶剤吐出ポンプ駆動
+
-
SMC
R4012
SY100-29-1
2464-1061/ⅡA(PF) LF 3P×24AWG
RD
RD/WH
BK
BK/WH
GN
GN/WH
2464-1061/ⅡA(PF) LF 1P×24AWG
BK
BK/WH
N610142628AB
N610142627AA
N610142624AB
CN-CART
RXD1+
TXD1+
TXD1-
IN044
24VOUT
1
2
3
4
5
6
7
8
9
10
11
12
13
14
15
16
17
18
19
20
21
22
23
27
28
RXD1-
IN110
SVONSW
NC
NC
NC
24VGND
24VGND
24VGND
24VGND
RXD1+
TXD1+
TXD1-
IN045
24VOUT
RXD1-
IN111
SVONSW
5VGND
5VGND
23
22
21
20
19
18
17
16
15
14
13
12
11
10
9
8
7
6
5
4
JST
CN-CART
PUDP-28V-S
3
2
1
28
27
SMC
R4136
SY100-29-1
2464-1061/ⅡA(PF) LF 2P×24AWG
RD
RD/WH
BK
BK/WH
2464-1061/ⅡA(PF) LF 2P×24AWG
RD
RD/WH
BK
BK/WH
1
1
N610146326AA:Mask Auto Positioning Unit(OPTION)
1
2
2
2
2
2
メインエア圧
Main air pressure
24V
OUT1
OUT2
GND
p
5
4
3
2
1
-B1033
ISE30A-C4H-N-MB
SMC
5
4
3
2
1
JST
PAP-05V-S
B1033
JST
B1033
PAP-04V-S
4
3
2
1
3
p
24V
OUT1
OUT2
GND
1
2
3
4
メインエア圧
Main air pressure
DP-102
Panasonic
-B1033
3
Panasonic Factory Solutions Co.,Ltd. パナソニック ファクトリーソリューションズ株式会社
Name
Drawing No.
Loc. No.
F4K1020-05A
1
2 3 4 5 6 7 8
A
B
C
D
E
F
1 2 3 4 5 6 7 8
A
B
C
D
E
F
Page. No.
LOAD WIRING DIAGRAM :SPG
(Frame I/O Part 4)
N610142532+018AD
P018
N61014625AA

CNTM2
+V24(M)
GND(M)
+V24(C)
GND(C)
M-REV03
OUT112
M-SPD03
EMG10
D+MAIN
D-MAIN
GND(C)
+V24(M)
GND(M)
+V24(C)
GND(C)
M-REV02
OUT115
M-SPD02
EMG10
D+SUB
D-SUB
GND(C)
+V24(M)
GND(M)
+V24(C)
GND(C)
S-REV03
OUT116
S-SPD03
EMG11
D+SUB
D-SUB
GND(C)
V24(M)
GND(M)
V24(C)
GND(C)
EMG20
D+SUB
D-SUB
1
2
3
4
5
6
7
8
9
10
11
12
13
14
15
16
17
18
19
20
21
22
23
24
25
26
27
28
29
30
31
32
33
34
35
36
37
38
39
40
-K321
1
2
3
JST
CNTM2K321
PUDP-40V-S
4
5
6
7
8
9
10
11
12
13
14
15
16
17
18
19
20
21
22
23
24
25
26
27
28
29
30
31
32
33
34
35
36
37
38
39
40
CNTM1
+V24(M)
GND(M)
+V24(C)
GND(C)
M-REV01
OUT110
M-SPD01
EMG10
D+MAIN
D-MAIN
GND(C)
+V24(M)
GND(M)
+V24(C)
GND(C)
M-REV02
OUT111
M-SPD02
EMG10
D+MAIN
D-MAIN
GND(C)
+V24(M)
GND(M)
+V24(C)
GND(C)
S-REV01
OUT114
S-SPD01
EMG11
D+SUB
D-SUB
GND(C)
V24(M)
GND(M)
V24(C)
GND(C)
EMG20
D+MAIN
D-MAIN
1
2
3
4
5
6
7
8
9
10
11
12
13
14
15
16
17
18
19
20
21
22
23
24
25
26
27
28
29
30
31
32
33
34
35
36
37
38
39
40
PNF0B4(ILK)
1
2
3
JST
CNTM1K321
PUDP-40V-S
4
5
6
7
8
9
10
11
12
13
14
15
16
17
18
19
20
21
22
23
24
25
26
27
28
29
30
31
32
33
34
35
36
37
38
39
40
-A02
POWER UNIT
RD
RD/WH
BK
BK/WH
GN
GN/WH
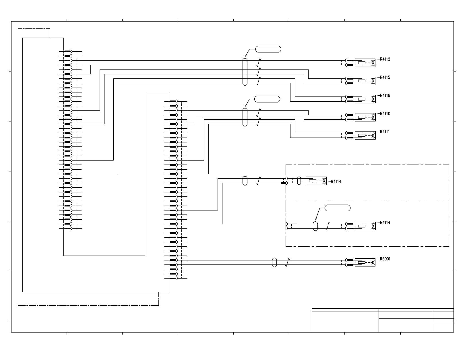
PCB Stopper Down
基板ストッパー下降
SMC
R4112
SY100-29-1
-
+
Cleaning Unit Joint
クリーニングユニット連結
+
-
SMC
R4115
SY100-29-1
Cleaning Unit Lock
クリーニングユニット固定
+
-
SMC
R4116
SY100-29-1
Mask Clamp OFF
マスククランプオフ
-
+
SMC
R4110
SY100-29-1
PCB Side Clamp ON
基板サイドクランプオン
+
-
SMC
R4111
SY100-29-1
Cleaning Vacuum
クリーニング吸引
-
+
SMC
R4114
SY100-29-1
BK/WH
BK
2464-1061/ⅡA(PF) LF 1P×22AWG
SMC
R5001
V200-30-4A-25
-
+
Main Air Valve
メインエアーバルブ
2464-1061/ⅡA(PF) LF 1P×22AWG
BK
BK/WH
2464-1061/ⅡA(PF) LF 3P×24AWG
2464-1061/ⅡA(PF) LF 2P×24AWG
RD
RD/WH
BK
BK/WH
Cleaning Vacuum
クリーニング吸引
R4114R
RD
BK
1
2
177898-1
AMP
AMP
R4114P
177906-1
2
1
AMP
R4114R
177898-1
2
1
Select Option : Cleaning Type Blower ; N610146323AA
IDENT
N610147335AB
IDENT
N610143320AB
IDENT
N610142629AA
BK/WH
BK
2464-1061/ⅡA(PF) LF 1P×24AWG
Select Option : Cleaning Type Ejector ; N610140101AA
1
1
1
2
2
2
3
3
Panasonic Factory Solutions Co.,Ltd. パナソニック ファクトリーソリューションズ株式会社
Name
Drawing No.
Loc. No.
F4K1020-05A
1
2 3 4 5 6 7 8
A
B
C
D
E
F
1 2 3 4 5 6 7 8
A
B
C
D
E
F
Page. No.
LOAD WIRING DIAGRAM :SPG
(Frame I/O Part 5)
N610142532+019AD
P019