N7205A101B08_Diagram List_控制線路圖 - 第49页
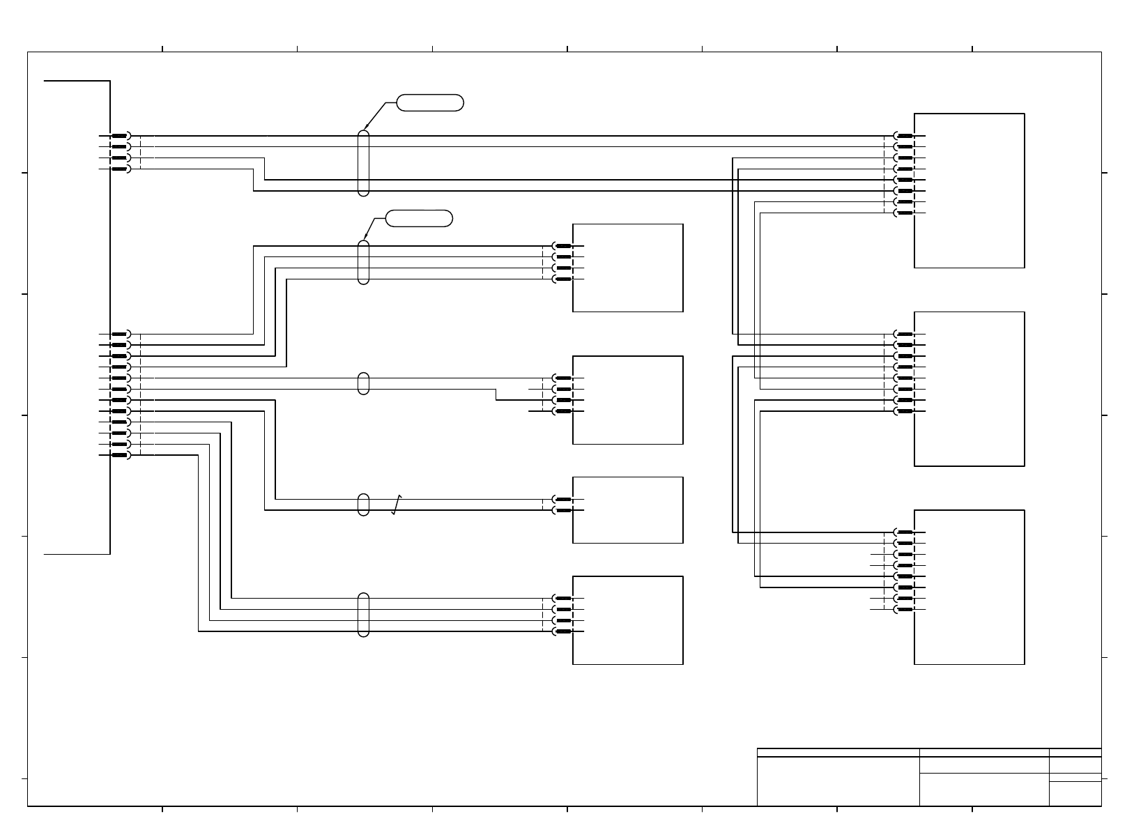
CNTM2 +V24(M) GND(M) +V24(C) GND(C) M-REV03 OUT112 M-SPD03 EMG10 D+MAIN D-MAIN GND(C) +V24(M) GND(M) +V24(C) GND(C) M-REV02 OUT115 M-SPD02 EMG10 D+SUB D-SUB GND(C) +V24(M) GND(M) +V24(C) GND(C) S-REV03 OUT116 S-SPD03 EMG…

Solvent Detection
クリーニング液切れ検出
-B1110
BN
BK
BU
OG
-B1110T
BN
BU
6
5
4
AMP
B1110P
177909-1
3
2
1
6
5
4
AMP
B1110R
177901-1
3
2
1
UL1007 24AWG (青) BU
UL1007 24AWG (青) BU
P2451
VL012
1
2
X325
P2451
VL134
P2451
VL135
P2451
VL136
P2451
VL137
1
2
3
4
5
6
7
8
X324
1
2
3
MOLEX
X324A02
5557-08R-210
4
5
6
7
8
1
2
AMP
X325A02
177898-1
CNAIR
24VOUT
IN033
24GND
1
2
3
JST
CNAIR
PAP-03V-S
3
2
1
PNF0B4(ILK)
POWER UNIT
MTKC000991AA
Cleaning Nozzle Rise
クリーニング吸引部上昇
SMC
R4134
SY100-29-1
-
+
Auto Mask Set Down
マスク自動位置決め下降
-
+
Mask Clamp ON
マスククランプオン
-
+
SMC
R4137
SY100-29-1
Solvent Pump On
溶剤吐出ポンプ駆動
+
-
SMC
R4012
SY100-29-1
2464-1061/ⅡA(PF) LF 3P×24AWG
RD
RD/WH
BK
BK/WH
GN
GN/WH
2464-1061/ⅡA(PF) LF 1P×24AWG
BK
BK/WH
N610142628AB
N610142627AA
N610142624AB
CN-CART
RXD1+
TXD1+
TXD1-
IN044
24VOUT
1
2
3
4
5
6
7
8
9
10
11
12
13
14
15
16
17
18
19
20
21
22
23
27
28
RXD1-
IN110
SVONSW
NC
NC
NC
24VGND
24VGND
24VGND
24VGND
RXD1+
TXD1+
TXD1-
IN045
24VOUT
RXD1-
IN111
SVONSW
5VGND
5VGND
23
22
21
20
19
18
17
16
15
14
13
12
11
10
9
8
7
6
5
4
JST
CN-CART
PUDP-28V-S
3
2
1
28
27
SMC
R4136
SY100-29-1
2464-1061/ⅡA(PF) LF 2P×24AWG
RD
RD/WH
BK
BK/WH
2464-1061/ⅡA(PF) LF 2P×24AWG
RD
RD/WH
BK
BK/WH
1
1
N610146326AA:Mask Auto Positioning Unit(OPTION)
1
2
2
2
2
2
メインエア圧
Main air pressure
24V
OUT1
OUT2
GND
p
5
4
3
2
1
-B1033
ISE30A-C4H-N-MB
SMC
5
4
3
2
1
JST
PAP-05V-S
B1033
JST
B1033
PAP-04V-S
4
3
2
1
3
p
24V
OUT1
OUT2
GND
1
2
3
4
メインエア圧
Main air pressure
DP-102
Panasonic
-B1033
3
Panasonic Factory Solutions Co.,Ltd. パナソニック ファクトリーソリューションズ株式会社
Name
Drawing No.
Loc. No.
F4K1020-05A
1
2 3 4 5 6 7 8
A
B
C
D
E
F
1 2 3 4 5 6 7 8
A
B
C
D
E
F
Page. No.
LOAD WIRING DIAGRAM :SPG
(Frame I/O Part 4)
N610142532+018AD
P018
N61014625AA

CNTM2
+V24(M)
GND(M)
+V24(C)
GND(C)
M-REV03
OUT112
M-SPD03
EMG10
D+MAIN
D-MAIN
GND(C)
+V24(M)
GND(M)
+V24(C)
GND(C)
M-REV02
OUT115
M-SPD02
EMG10
D+SUB
D-SUB
GND(C)
+V24(M)
GND(M)
+V24(C)
GND(C)
S-REV03
OUT116
S-SPD03
EMG11
D+SUB
D-SUB
GND(C)
V24(M)
GND(M)
V24(C)
GND(C)
EMG20
D+SUB
D-SUB
1
2
3
4
5
6
7
8
9
10
11
12
13
14
15
16
17
18
19
20
21
22
23
24
25
26
27
28
29
30
31
32
33
34
35
36
37
38
39
40
-K321
1
2
3
JST
CNTM2K321
PUDP-40V-S
4
5
6
7
8
9
10
11
12
13
14
15
16
17
18
19
20
21
22
23
24
25
26
27
28
29
30
31
32
33
34
35
36
37
38
39
40
CNTM1
+V24(M)
GND(M)
+V24(C)
GND(C)
M-REV01
OUT110
M-SPD01
EMG10
D+MAIN
D-MAIN
GND(C)
+V24(M)
GND(M)
+V24(C)
GND(C)
M-REV02
OUT111
M-SPD02
EMG10
D+MAIN
D-MAIN
GND(C)
+V24(M)
GND(M)
+V24(C)
GND(C)
S-REV01
OUT114
S-SPD01
EMG11
D+SUB
D-SUB
GND(C)
V24(M)
GND(M)
V24(C)
GND(C)
EMG20
D+MAIN
D-MAIN
1
2
3
4
5
6
7
8
9
10
11
12
13
14
15
16
17
18
19
20
21
22
23
24
25
26
27
28
29
30
31
32
33
34
35
36
37
38
39
40
PNF0B4(ILK)
1
2
3
JST
CNTM1K321
PUDP-40V-S
4
5
6
7
8
9
10
11
12
13
14
15
16
17
18
19
20
21
22
23
24
25
26
27
28
29
30
31
32
33
34
35
36
37
38
39
40
-A02
POWER UNIT
RD
RD/WH
BK
BK/WH
GN
GN/WH
PCB Stopper Down
基板ストッパー下降
SMC
R4112
SY100-29-1
-
+
Cleaning Unit Joint
クリーニングユニット連結
+
-
SMC
R4115
SY100-29-1
Cleaning Unit Lock
クリーニングユニット固定
+
-
SMC
R4116
SY100-29-1
Mask Clamp OFF
マスククランプオフ
-
+
SMC
R4110
SY100-29-1
PCB Side Clamp ON
基板サイドクランプオン
+
-
SMC
R4111
SY100-29-1
Cleaning Vacuum
クリーニング吸引
-
+
SMC
R4114
SY100-29-1
BK/WH
BK
2464-1061/ⅡA(PF) LF 1P×22AWG
SMC
R5001
V200-30-4A-25
-
+
Main Air Valve
メインエアーバルブ
2464-1061/ⅡA(PF) LF 1P×22AWG
BK
BK/WH
2464-1061/ⅡA(PF) LF 3P×24AWG
2464-1061/ⅡA(PF) LF 2P×24AWG
RD
RD/WH
BK
BK/WH
Cleaning Vacuum
クリーニング吸引
R4114R
RD
BK
1
2
177898-1
AMP
AMP
R4114P
177906-1
2
1
AMP
R4114R
177898-1
2
1
Select Option : Cleaning Type Blower ; N610146323AA
IDENT
N610147335AB
IDENT
N610143320AB
IDENT
N610142629AA
BK/WH
BK
2464-1061/ⅡA(PF) LF 1P×24AWG
Select Option : Cleaning Type Ejector ; N610140101AA
1
1
1
2
2
2
3
3
Panasonic Factory Solutions Co.,Ltd. パナソニック ファクトリーソリューションズ株式会社
Name
Drawing No.
Loc. No.
F4K1020-05A
1
2 3 4 5 6 7 8
A
B
C
D
E
F
1 2 3 4 5 6 7 8
A
B
C
D
E
F
Page. No.
LOAD WIRING DIAGRAM :SPG
(Frame I/O Part 5)
N610142532+019AD
P019

-K302
PMC0AH
(PULSE) #2
-K301
PMC0AH
(PULSE) #1
CN1
1
2
3
4
5
6
7
8
24V
24V
24V
24V
G24
G24
G24
G24
CN1
1
2
3
4
5
6
7
8
24V
24V
24V
24V
G24
G24
G24
G24
-A02
POWER UNIT
X327
1
2
3
4
X322
1
2
3
4
5
6
7
8
9
10
11
12
P241
P241
G241
G241
P2451
G241
P245
G24
P242
P242
G24
G24
-K601
Pulse Motor
DRIVER #1
CN1
1
2
3
4
-K602
Pulse Motor
DRIVER #2
CN1
1
2
OG
BN
VT
YE
2464-1007<F>4×20AWG
4
MOLEX
CN1K601
51067-0400
3
2
1
8
7
6
5
4
MOLEX
CN1K302
43025-0800
3
2
1
1
2
3
MOLEX
CN1K301
43025-0800
4
5
6
7
8
UL1007 20AWG (青) BU
UL1007 20AWG (青) BU
UL1007 20AWG (青) BU
UL1007 20AWG (青) BU
P243
P243
G24
G24
-K303
PMC0AH
(PULSE)#3
CN1
1
2
3
4
5
6
7
8
24V
24V
24V
24V
G24
G24
G24
G24
1
2
3
MOLEX
CN1K303
43025-0800
4
5
6
7
8
UL1007 20AWG (青) BU
UL1007 20AWG (青) BU
UL1007 20AWG (青) BU
UL1007 20AWG (青) BU
-K604
Pulse Motor
DRIVER #4
CN1
1
2
3
4
1
2
3
MOLEX
CN1K604
51067-0400
4
BK
GN/YE
RD
WH
STO(A)/TC LF 4E×18AWG
-K603
Pulse Motor
DRIVER #3
CN1
1
2
3
4
1
2
3
MOLEX
CN1K603
51067-0400
4
BK
GN/YE
RD
WH
STO(A)/TC LF 4E×18AWG
1
2
MOLEX
CN1K602
51103-0200
BK
WH
STO(A)/TC クロ LF 2×18AWG
N610142631AB
N610142630AB
12
11
10
9
8
7
6
5
4
MOLEX
X322A02
5557-12R-210
3
2
1
1
2
3
MOLEX
X327A02
5557-04R-210
4
BK
BK
BK
BK
2464-1061/ⅡA(PF) LF 1P×22AWG
BK
BK/WH
1
1
1
1
Panasonic Factory Solutions Co.,Ltd. パナソニック ファクトリーソリューションズ株式会社
Name
Drawing No.
Loc. No.
F4K1020-05A
1
2 3 4 5 6 7 8
A
B
C
D
E
F
1 2 3 4 5 6 7 8
A
B
C
D
E
F
Page. No.
LOAD WIRING DIAGRAM :SPG
(Pulse Motor Control Power Line)
N610142532+020AB
P020