N7205A101B08_Diagram List_控制線路圖 - 第60页
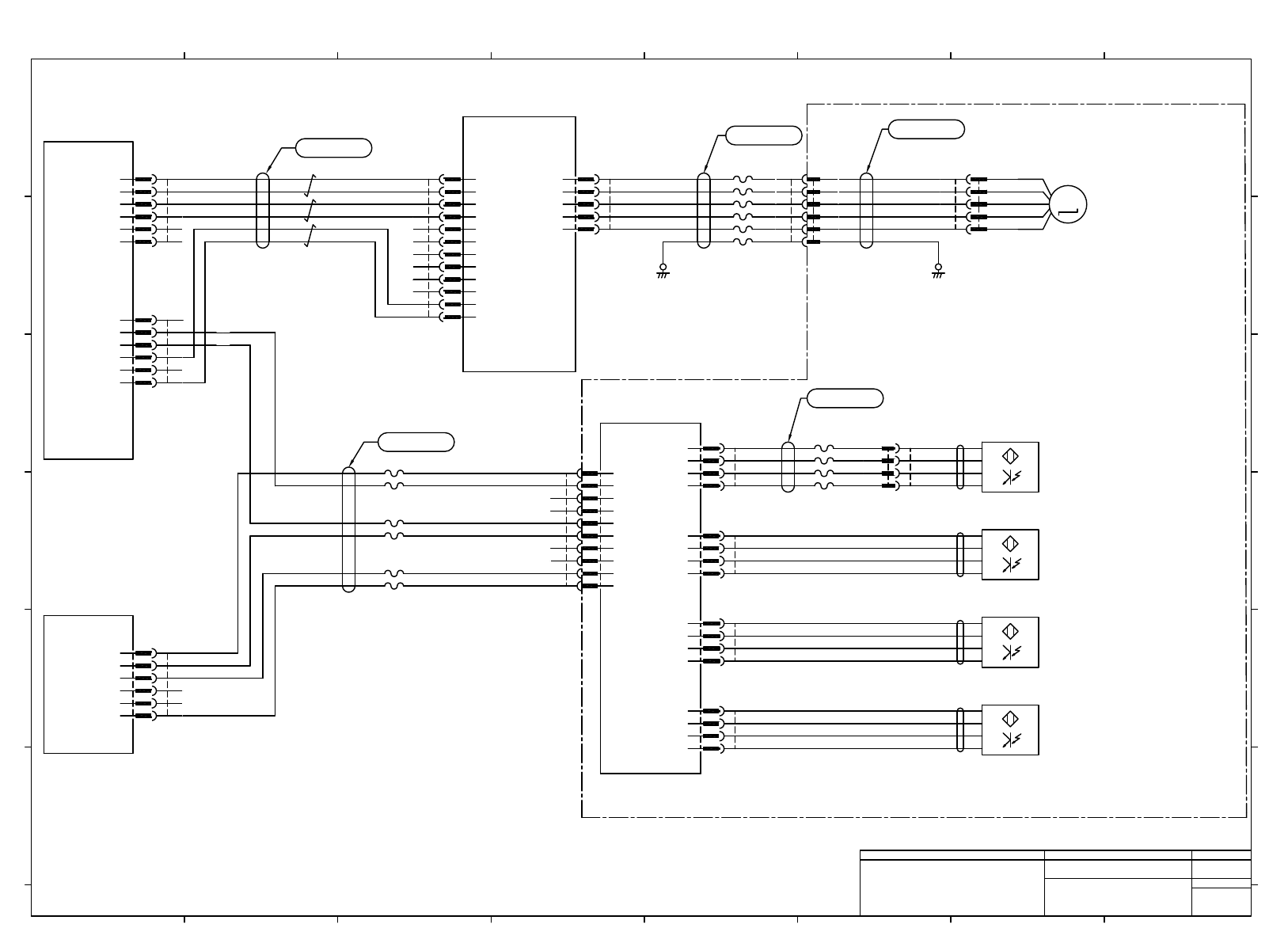
RB1 RB3 RB2 U V W 6 5 4 3 2 1 U-Axis Driver MADHT1507NA3 PANASONIC 1 2 3 4 172167-1 AMP 4 5 1 2 3 6 172168-1 AMP GN/YE X6 1 2 3 4 5 6 XB E5V E0V N.C N.C PS PS -K403 M403P BM403P UM403P X4 2 1 BRK-OFF- BRK-OFF+ E2K403 1.2…

RB1
RB3
RB2
U
V
W
6
5
4
3
2
1
L-Axis Driver
MBDHT2510NA3
PANASONIC
1
2
3
4
172167-1
AMP
4
5
1
2
3
6
172168-1
AMP
GN/YE
X6
1
2
3
4
5
6
XB
E5V
E0V
N.C
N.C
PS
PS
-K402
M402P
BM402P
UM402P
X4
2
1
BRK-OFF-
BRK-OFF+
PNF0B4(ILK)
BK1IN
GND24
BK1OUT
GND24
BK2IN
GND24
BK2OUT
GND24
-K321
3
4
1
2
7
8
5
6
CNBK1
POWER UNIT
-A03
N610142532**:LOAD WIRING DIAGRAM:SPG
E2K402
1.25-M4
JST
GN/YE
1
2
3
AMP
XBK402
1-178128-6
4
5
6
BK
GN
RD
WH
YE
BN
4
AMP
M402R
172159-1
3
2
1
AMP
UM402R
172157-1
2
1
RMFEV(2517) AWG19(0.75)/6C
WH
BU
YE
RD
BN
OG
BK
GN
VT
GY
LB
PK
RMFEV-P(2517) AWG25×4P+AWG30×4C
6
3
2
AMP
BM402R
172160-1
1
5
4
6
5
4
MOLEX
X6K402
55100-0670
3
2
1
YE
YE/WH
GN
GN/WH
RD
RD/WH
BK
BK/WH
2464-1061/ⅡA(PF) LF 4P×24AWG
6
5
8
7
2
MOLEX
CNBK1K321
5557-08R-210
1
4
3
AMP
K402K321P
177906-1
2
1
AMP
K402K321R
177898-1
2
1
Sumitomo 3M
X4K402
10126-3000PE
1
2
リフト軸モーター
Lift-Axis Motor
1
2
EB
SSG
SM
-M402
RD
WH
BK
GN
WH
BK
LB
VT
UL1007 22AWG (黒) BK
BK2OUT
P003-4B
BK2OG24
P003-4B
N610142550AB
N610142551AB
BK2IN
P003-3E
BK2IG24
P003-3E
1
1
1
RESISTOR
-R2002
DV0P4281
Panasonic (Motor BU)
LY
LY
BK UL1015 18AWG (黒)
BK UL1015 18AWG (黒)
Thermostat
AMP
R2002R
172157-1
2
1
AMP
R2002P
172165-1
2
1
1
1
1
Panasonic Factory Solutions Co.,Ltd. パナソニック ファクトリーソリューションズ株式会社
Name
Drawing No.
Loc. No.
F4K1020-05A
1
2 3 4 5 6 7 8
A
B
C
D
E
F
1 2 3 4 5 6 7 8
A
B
C
D
E
F
Page. No.
PCB POSITIONING LIFT UNIT DIAGRAM:
SPG(Lift-Axis Motor)
N610146838+002AB
P002

RB1
RB3
RB2
U
V
W
6
5
4
3
2
1
U-Axis Driver
MADHT1507NA3
PANASONIC
1
2
3
4
172167-1
AMP
4
5
1
2
3
6
172168-1
AMP
GN/YE
X6
1
2
3
4
5
6
XB
E5V
E0V
N.C
N.C
PS
PS
-K403
M403P
BM403P
UM403P
X4
2
1
BRK-OFF-
BRK-OFF+
E2K403
1.25-M4
JST
GN/YE
1
2
3
AMP
XBK403
1-178128-6
4
5
6
BK
GN
RD
WH
YE
BN
4
AMP
M403R
172159-1
3
2
1
AMP
UM403R
172157-1
2
1
RMFEV(2517) AWG19(0.75)/6C
WH
BU
YE
RD
BN
OG
BK
GN
VT
GY
LB
PK
RMFEV-P(2517) AWG25×4P+AWG30×4C
6
3
2
AMP
BM403R
172160-1
1
5
4
6
5
4
MOLEX
X6K403
55100-0670
3
2
1
AMP
K403K321R
177898-1
2
1
下受け軸モーター
Under Support
1
2
EB
SSG
SM
-M403
RD
WH
BK
GN
WH
BK
LB
VT
-Axis Motor
AMP
K403K321P
177906-1
2
1
YE
YE/WH
Sumitomo 3M
X4K403
10126-3000PE
1
2
GN/WH
GN
UL1007 22AWG (黒) BK
BK2IN P002-4E
BK2IG24 P002-4E
BK2OUT P002-4E
BK2OG24 P002-4F
N610142552AB
N610142553AB
1
1
1
1
Panasonic Factory Solutions Co.,Ltd. パナソニック ファクトリーソリューションズ株式会社
Name
Drawing No.
Loc. No.
F4K1020-05A
1
2 3 4 5 6 7 8
A
B
C
D
E
F
1 2 3 4 5 6 7 8
A
B
C
D
E
F
Page. No.
PCB POSITIONING LIFT UNIT DIAGRAM:
SPG(Upper Support-Axis Motor)
N610146838+003AB
P003

24V
ORG
RUF
+OVR
-OVR
GND
1
2
3
4
5
6
CN24
-K301
(PULSE) #1
PMCOAH
-K602
Table X-Axis Motor
テーブルX軸モーター
Driver #2
Pulse Motor
E6022
EG621
X-Table Frame
Xテーブルフレーム
1
2
3
4
5
CN3
GN
YE
WH
RD
BK
BN
RMFEV(2517) AWG23(0.3)/6C
5
4
MOLEX
CN3K602
51103-0500
3
2
1
1
2
3
MOLEX
M621R
51144-0500
4
5
6
5
4
AMP
CN24K301
177901-1
3
2
1
1
2
3
4
5
M
-M621
1.25-M4
JST
1.25-M4
JST
Table X-Axis Rough Origin
テーブルX軸ラフ原点
Table X-Axis Rotational Origin
テーブルX軸回転原点
-B1C00
BN
BK
WH
BU
4
AMP
CN4K331
177900-1
3
2
1
B
CK1+
CK1-
UD1+
UD1-
P.DOWN1+
P.DOWN1-
CN14
1
2
3
4
5
6
6
5
4
MOLEX
CN14K301
5557-06R-210
3
2
1
1
2
3
4
5
6
7
8
9
10
11
12
CW(PLS)+
CW(PLS)-
CCW(DIR)+
CCW(DIR)-
A.W.OFF+
A.W.OFF-
C/S+
C/S-
C.D.INH+
C.D.INH-
TIMING+
TIMING-
CN2
12
11
10
9
8
7
6
5
4
MOLEX
CN2K602
51103-1200
3
2
1
GN/WH
GN
BK/WH
BK
RD/WH
RD
θ-Axis Origin
θ軸原点
θ-Axis Rough Origin
θ軸ラフ原点
24V
ORG
RUF
+OVR
-OVR
GND
1
2
3
4
5
6
CN20
-K302
(PULSE) #2
PMCOAH
PNF0A8 #03
-K331
CN1
1
2
3
4
5
6
7
8
9
10
CN2
1
2
3
4
CN3
1
2
3
4
CN5
1
2
3
4
CN4
1
2
3
4
+24V
IN1B
IN1A
GND
+24V
1B
1A
2B
2A
3B
3A
4B
4A
GND
+24V
IN4B
IN4A
GND
+24V
IN3B
IN3A
GND
+24V
IN2B
IN2A
GND
-B1B40
BN
BK
WH
BU
-B1B41
BN
BK
WH
BU
-B1C01
BN
BK
WH
BU
YE
BK
WH
RD
BN
GN
10
9
8
7
6
5
4
JST
CN1K331
XHP-10
3
2
1
4
AMP
CN2K331
177900-1
3
2
1
4
AMP
CN3K331
177900-1
3
2
1
4
AMP
CN5K331
177900-1
3
2
1
6
5
4
AMP
CN20K302
177901-1
3
2
1
B
RMFEV(2517) AWG25(0.2)/6C
4
AMP
B1B40R
177900-1
3
2
1 1
2
3
AMP
B1B40P
177908-1
4
WH
RD
BK
GN
RMFEV-A(2517) AWG25(0.2)/4C
GY
YE
OG2
OG1
PK
WH
2464-1007<F>6×22AWG
N610142544AB
N610142544AB
N610142543AB
N610142545AA
N610142547AC
1
2
3
AMP
1M621R
177901-1
4
5
6
1
2
3
AMP
1M621P
177909-1
4
5
6
N610142535** : XY-TABLE UNIT
BK
2464-1061/ⅡA(PF) LF 3P×24AWG
1
1
1
1
1
1
1
1
1
1
1
1
1
1
2
2 2
2
2
Panasonic Factory Solutions Co.,Ltd. パナソニック ファクトリーソリューションズ株式会社
Name
Drawing No.
Loc. No.
F4K1020-05A
1
2 3 4 5 6 7 8
A
B
C
D
E
F
1 2 3 4 5 6 7 8
A
B
C
D
E
F
Page. No.
PCB POSITIONING LIFT UNIT DIAGRAM:
SPG(Table X-Axis Motor & Sensor)
N610146838+004AC
P004