N7205A101B08_Diagram List_控制線路圖 - 第64页
Under Support-Axis Rough Origin 下受け軸ラフ原点 Uunder Support-Axis Minus Overrun 下受け軸マイナス オーバーラン PNF0A8 #4 -K332 CN4 1 2 3 4 CN5 1 2 3 4 CN3 1 2 3 4 CN2 1 2 3 4 B CN1 1 2 3 4 5 6 7 8 9 10 -B1126 BN BK WH BU -B1127 BN BK WH BU …

Center Conv Width Origin
中コンベア幅寄せ軸原点
24V
ORG
RUF
+OVR
-OVR
GND
1
2
3
4
5
6
CN23
(PULSE) #2
PMCOAH
-B1C30
BN
BK
WH
BU
6
5
4
AMP
CN23K302
177901-1
3
2
1
4
AMP
B1C30P
177908-1
3
2
1
4
AMP
B1C30R
177900-1
3
2
1
Support Plate Jamming Detection:
Fixed Side
サポートプレート挟み込み検出:固定側
24V
ORG
RUF
+OVR
-OVR
GND
1
2
3
4
5
6
CN24
-K302
6
5
4
AMP
CN24K302
177901-1
3
2
1
6
5
4
AMP
B1C40P
177909-1
3
2
1
6
5
4
AMP
B1C40R
177901-1
3
2
1
-B1C40
BN
BK
BU
-B1C40T
B
UL1007 24AWG (青) BU
UL1007 24AWG (青) BU
RD
BN
OG
YE
GN
BU
N610142554AB
RMFEV(2517) AWG25(0.2)/6C
1
1
1
1
Panasonic Factory Solutions Co.,Ltd. パナソニック ファクトリーソリューションズ株式会社
Name
Drawing No.
Loc. No.
F4K1020-05A
1
2 3 4 5 6 7 8
A
B
C
D
E
F
1 2 3 4 5 6 7 8
A
B
C
D
E
F
Page. No.
PCB POSITIONING LIFT UNIT DIAGRAM:
SPG(Center Conveyor Fixed Side Sensor)
N610146838+006AB
P006

Under Support-Axis
Rough Origin
下受け軸ラフ原点
Uunder Support-Axis
Minus Overrun
下受け軸マイナス
オーバーラン
PNF0A8 #4
-K332
CN4
1
2
3
4
CN5
1
2
3
4
CN3
1
2
3
4
CN2
1
2
3
4
B
CN1
1
2
3
4
5
6
7
8
9
10
-B1126
BN
BK
WH
BU
-B1127
BN
BK
WH
BU
-B1132
BN
BK
WH
BU
-B1133
BN
BK
WH
BU
+24V
IN3B
IN3A
GND
+24V
IN2B
IN2A
GND
+24V
IN1B
IN1A
GND
+24V
IN4B
IN4A
GND
+24V
1B
1A
2B
2A
3B
3A
4B
4A
GND
(ILK)
24VOUT
24GND
PH124
PH117
OUT101
PH113
PH136
24VOUT
24GND
PH126
OUT103
PH127
PH125
24VOUT
24GND
PH132
OUT105
PH133
24VOUT
24GND
1
2
3
4
5
6
7
8
9
10
11
12
13
14
15
16
17
18
19
20
CNTL
-K321
PNF0B4
1
2
3
AMP
CN2K332
177900-1
4
4
AMP
CN3K332
177900-1
3
2
1
1
2
3
AMP
CN4K332
177900-1
4
4
AMP
CN5K332
177900-1
3
2
1
Lift-Axis Minus Overrun
リフト軸マイナス
オーバーラン
B
Lift-Axis Rough Origin
リフト軸ラフ原点
RMFEV(2517) AWG25(0.2)/6C
BN
GN
YE
BK
RD
WH
1
2
3
JAPAN SOLDERLESS TER
CN1K332
XHP-10
4
5
6
7
8
9
10
1
2
3
JAPAN SOLDERLESS TER
CNTLK321
PUDP-20V-S
4
5
6
7
8
9
10
11
12
13
14
15
16
17
18
19
20
Support Plate Jamming
Detection:
Moving Side
サポートプレート挟み込み
検出:可動側
-B1117
BN
BK
BU
-B1117T
B
Conveyor Width
Adjustment Interlock
幅寄せインターロック
4
AMP
B1113R
177900-1
3
2
1
Side Clamp Out Limit
サイドクランプ出限
6
5
4
AMP
B1117P
177909-1
3
2
1
6
5
4
AMP
B1117R
177901-1
3
2
1
1
2
3
AMP
B1113P
177908-1
4
UL1007 24AWG (青) BU
UL1007 24AWG (青) BU
UL1007 24AWG (青) BU
UL1007 24AWG (青) BU
UL1007 24AWG (青) BU
-B1113
BN
BK
WH
BU
UL1007 24AWG (青) BU
B
RMFEV(2517) AWG25(0.2)/6C
BN
GN
YE
BK
RD
WH
N610142559AB
1
2
3
AMP
B1124P
177909-1
4
5
6
1
2
3
AMP
B1124R
177901-1
4
5
6
-B1124
BN
BK
BU
-B1124T
B
BU UL1007 24AWG (青)
BU
UL1007 24AWG (青)
1
1
1
1
Panasonic Factory Solutions Co.,Ltd. パナソニック ファクトリーソリューションズ株式会社
Name
Drawing No.
Loc. No.
F4K1020-05A
1
2 3 4 5 6 7 8
A
B
C
D
E
F
1 2 3 4 5 6 7 8
A
B
C
D
E
F
Page. No.
PCB POSITIONING LIFT UNIT DIAGRAM:
SPG(I/O Part)
N610146838+007AB
P007

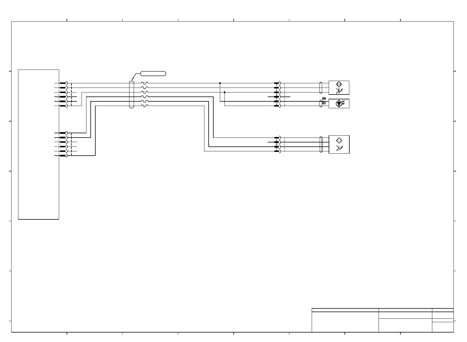
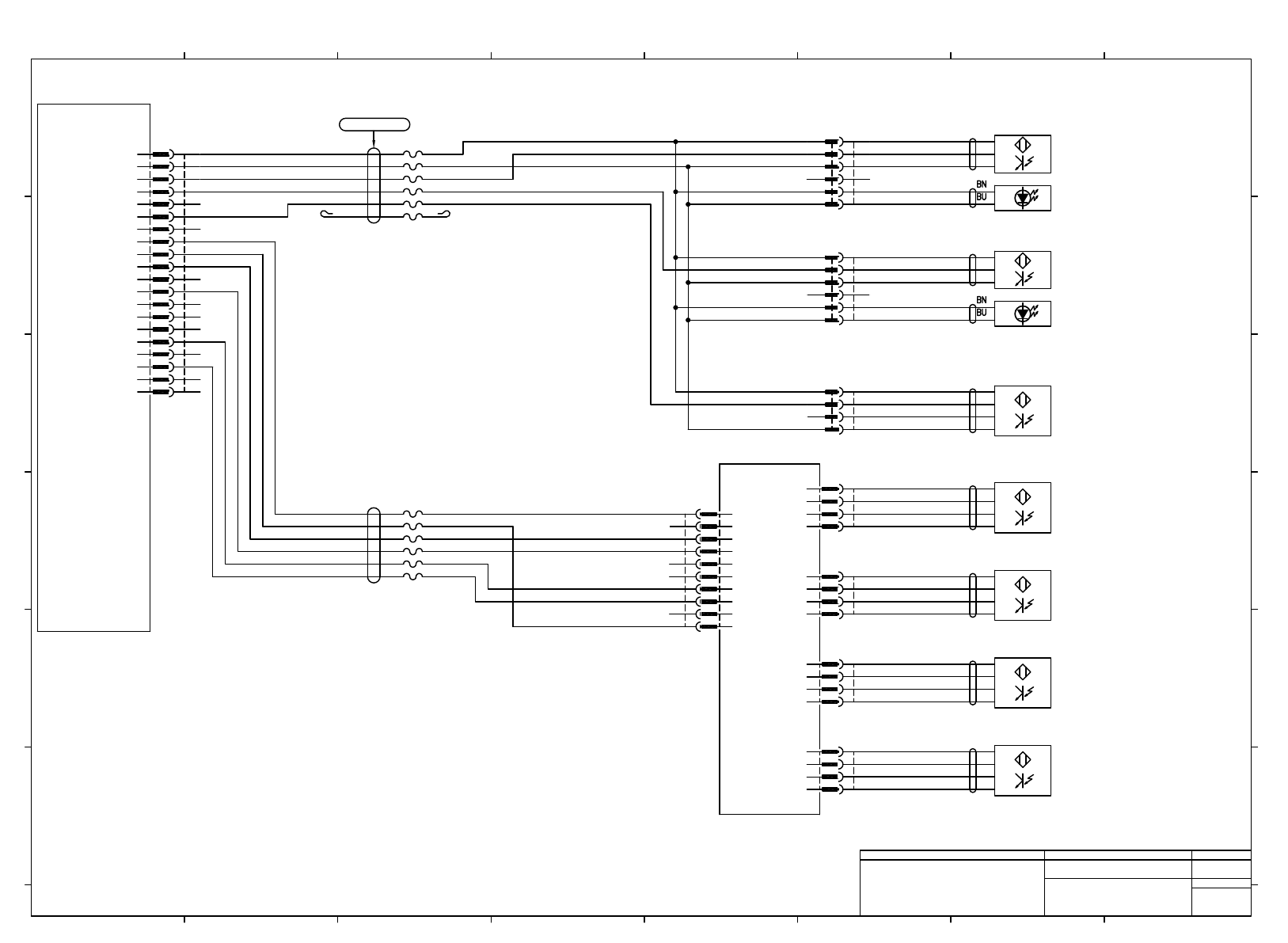
2.
LOAD WIRING DIAGRAM
負荷配線図
2-3 SQUEEGEE HEAD WIRING
スキージヘッド配線
EJP6AB-10-203-00