N7205A101B08_Diagram List_控制線路圖 - 第68页
POWER UNIT -A02 1 2 3 4 X328 24VOT132 24VRet 24VOT133 24VRet B -U0132 YE YE F-Squeegee Brake F側スキージブレーキ AMP U0132R 177898-1 2 1 1 2 AMP U0133R 177898-1 B -U0133 YE YE AMP U0132P 177906-1 2 1 AMP U0133P 177906-1 2 1 R-Squ…

24V
ORG
RUF
+OVR
-OVR
GND
1
2
3
4
5
6
CN20
-K301
(PULSE) #1
PMCOAH
-K601
Driver Unit #1
Pulse Motor
5
4
3
2
1
CN22
5
4
3
2
1
CN21
1
2
3
MOLEX
M611R
51144-0500
4
5
1
2
MOLEX
CN21K601
51103-0500
3
4
5
5
4
3
MOLEX
CN22K601
51103-0500
2
1
E6011 EG611
1.25-M4
JST
GN
YE
WH
RD
BK
BN
RMFEV(2517) AWG23(0.3)/6C
1.25-M4
JST
1
2
3
4
5
M
-M611
N610142509AB
24V
ORG
RUF
+OVR
-OVR
GND
1
2
3
4
5
6
CN21
6
5
4
AMP
CN20K301
177901-1
3
2
1
6
5
4
AMP
CN21K301
177901-1
3
2
1
YE
BK
WH
RD
BN
GN
N610142508AB
E6012 EG612
1.25-M4
JST
GN
YE
WH
RD
BK
BN
RMFEV(2517) AWG23(0.3)/6C
1.25-M4
JST
N610142510AB
1
2
3
4
5
M
-M612
5
4
MOLEX
M612R
51144-0500
3
2
1
F側スキージZ軸モーター
F-Squeegee Z Axis Motor
R側スキージZ軸モーター
R-Squeegee Z Axis Motor
F-Squeegee Z Axis Origin
F側スキージZ軸原点
Auto Mask Set Upper
マスク自動位置決め上昇
PNF0A8 #5
-K341
CN1
1
2
3
4
5
6
7
8
9
10
CN4
1
2
3
4
CN5
1
2
3
4
CN3
1
2
3
4
CN2
1
2
3
4
R-Squeegee Z Axis Origin
R側スキージZ軸原点
+24V
IN3B
IN3A
GND
+24V
IN2B
IN2A
GND
+24V
IN1B
IN1A
GND
+24V
IN4B
IN4A
GND
+24V
1B
1A
2B
2A
3B
3A
4B
4A
GND
-B1B10
BN
BK
WH
BU
10
9
8
7
6
5
4
JAPAN SOLDERLESS TER
CN1K341
XHP-10
3
2
1
4
AMP
CN2K341
177900-1
3
2
1
1
2
3
4
AMP
CN3K341
177900-1
AMP
CN4K341
177900-1
4
3
2
1
-B1B00
BN
BK
WH
BU
Solder Auto Dispensing Axis Origin
はんだ自動供給軸原点
-B1B30
BN
BK
WH
BU
AMP
CN5K341
177900-1
4
3
2
1
RMFEV(2517) AWG25(0.2)/6C
24V
ORG
RUF
+OVR
-OVR
GND
1
2
3
4
5
6
CN22
6
5
4
AMP
CN22K301
177901-1
3
2
1
-B1B20
BN
BK
BU
N610143323** : Solder Auto Dispensing Unit (OPTION)
24V
ORG
RUF
+OVR
-OVR
GND
1
2
3
4
5
6
CN23
6
5
4
AMP
CN23K301
177901-1
3
2
1
N610146326** : Auto Mask Set Unit (OPTION)
1
1
1
1
1
Panasonic Factory Solutions Co.,Ltd. パナソニック ファクトリーソリューションズ株式会社
Name
Drawing No.
Loc. No.
F4K1020-05A
1
2 3 4 5 6 7 8
A
B
C
D
E
F
1 2 3 4 5 6 7 8
A
B
C
D
E
F
Page. No.
SQUEEGEE HEAD DIAGRAM SPG
(Squeegee Up/Down Motor)
N610142507+002AB
P002

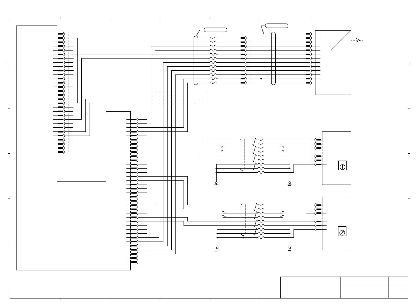
POWER UNIT
-A02
1
2
3
4
X328
24VOT132
24VRet
24VOT133
24VRet
B
-U0132
YE
YE
F-Squeegee Brake
F側スキージブレーキ
AMP
U0132R
177898-1
2
1
1
2
AMP
U0133R
177898-1
B
-U0133
YE
YE
AMP
U0132P
177906-1
2
1
AMP
U0133P
177906-1
2
1
R-Squeegee Brake
R側スキージブレーキ
1
2
3
AMP
X328A02
177900-1
4
RD
WH
BK
GN
RMFEV-A(2517) AWG25(0.2)/4C
1
2
3
4
5
6
X323
24V
GND
SR24V
GND
NC
NC
-A01
CN9
TXD+
TXD-
RXD+
RXD-
EMG
GND
1
4
2
5
3
6
1.25-M4
JST
E3129
-K312
(NC/IO)
PNFCAC
BK
CPU BOX
E3818
BK
1.25-M4
JST
6
3
5
MOLEX
CN9K312
43025-0600
2
4
1
6
3
5
MOLEX
CN18K381
43025-0600
2
4
1
WH
BU
YE
RD
BN
OG
BK
GN
VT
GY
LB
PK
RMFEV-P(2517) AWG25×4P+AWG30×4C
CN18
1
4
2
5
3
6
RXD+
RXD-
TXD+
TXD-
EMG
GND
CN1
1
2
3
4
5
6
7
8
24V
24V
SR24V
SR24V
GND
GND
GND
GND
-K381
(AD/DA)
PNF0A7
8
7
6
5
4
MOLEX
CN1K381
43025-0800
3
2
1
6
5
4
MOLEX
X323A02
5557-06R-210
3
2
1
RMFEV-A(2517) AWG23(0.3)/4C
GN
BK
WH
RD
OPTION N610143323** : Solder Auto Dispensing
or N610146319** : Mask Height Detection
or N610147919** : Remaining Solder Detection on Mask
N610146317AB
N610146318AC
N610142511AB
1
1
1
1
1
1
1
1
1
1
1
1
1
1
1
2
1 3
Panasonic Factory Solutions Co.,Ltd. パナソニック ファクトリーソリューションズ株式会社
Name
Drawing No.
Loc. No.
F4K1020-05A
1
2 3 4 5 6 7 8
A
B
C
D
E
F
1 2 3 4 5 6 7 8
A
B
C
D
E
F
Page. No.
SQUEEGEE HEAD DIAGRAM SPG
(Squeegee Brake)
N610142507+003AD
P003

ILK Board
-K321
1
2
3
4
5
6
7
8
9
10
11
12
13
14
15
16
17
18
19
20
21
22
23
24
25
26
27
28
29
30
31
32
33
34
35
36
CNEXR-M
V
p
-B5001
Electro Pneumatic
Transducing
Regulator
電空レギュレーター
1
2
3
HIROSE
B5001P
RP13A-12PS-13SC
4
5
6
7
8
9
10
11
12
13 13
12
11
10
9
8
7
6
5
4
3
2
1
+COM
LSB Bit1
Bit2
Bit3
Bit5
Bit6
Bit7
Bit8
MSB Bit10
DC24V
Bit4
Bit9
0V
BN
RD
OG
YE
BU
GN
GY
VT
BK
WH
LB
PK
N610142512AB
RMFEV(2517) AWG25(0.2)/12C
BU
V24(M)
GND(M)
V24(C)
GND(C)
M-REV31
OUT120
M-SPD31
EMG11
D+MAIN
D-MAIN
V24(M)
GND(M)
V24(C)
GND(C)
+V24
GND
IN114
OUT106
V24(M)
GND(M)
S-REV31
OUT121
S-SPD21
EMG20
D+SUB
D-SUB
V24(M)
GND(M)
PH116
OUT113
VL140
VL141
VL142
VL143
IN043
CNEXL-M
V24(M)
GND(M)
V24(C)
GND(C)
M-REV21
OUT122
M-SPD21
EMG11
D+MAIN
D-MAIN
V24(M)
GND(M)
V24(C)
GND(C)
+24V
GND
PH135
OUT107
V24(M)
GND(M)
S-REV21
OUT123
S-SPD21
EMG20
D+SUB
D-SUB
V24(M)
GND(M)
PH137
IN042
1
2
3
4
5
6
7
8
9
10
11
12
13
14
15
16
17
18
19
20
21
22
23
24
25
26
27
28
29
30
30
29
28
27
26
25
24
23
22
21
20
19
18
17
16
15
14
13
12
11
10
9
8
7
6
5
4
JAPAN SOLDERLESS TER
CNEXL-M
PUDP-30V-S
3
2
1
-B6001
CN1
1
2
3
4
5
6
+24 V
COM(GND)
FG
SIG+
SIG-
FG
Load Cell Unit 1
ロードセル 1
6
5
4
Japan Aviation Electronics Industry
CN1B6001
IL-GM-6S-S3C2
3
2
1
-B6002
CN1
1
2
3
4
5
6
+24 V
COM(GND)
FG
SIG+
SIG-
FG
Load Cell Unit 2
ロードセル 2
Japan Aviation Electronics Industry
CN1B6002
IL-GM-6S-S3C2
1
2
3
4
5
6
BK
GN
BU
YE
RD
BN
WH
OG
1.25-M4
JST
E3211
1.25-M4
JST
E6001
BK
GN
BU
YE
RD
BN
WH
OG
1.25-M4
JST
E3212
1.25-M4
JST
E6002
RMFEV-SW-P(2517) AWG25(0.2)/4P
RMFEV-SW-P(2517) AWG25(0.2)/4P
BK BK
BK BK
36
35
34
33
32
31
30
29
28
27
26
25
24
23
22
21
20
19
18
17
16
15
14
13
12
11
10
9
8
7
6
5
4
JST
CNEXR-M
PUDP-36V-S
3
2
1
NC
1
2
3
AMP
B501P
177913-1
4
5
6
7
8
9
10
11
12 12
11
10
9
8
7
6
5
4
AMP
B501R
177905-1
3
2
1
PK
GN
OG
GY
PK/BK1
BU/BK1
OG/BK1
GN/BK1
BU/BK2
GY/BK1
GN/BK2
PK/BK2
INI-398-0-59
N610142513AB
1
1
1
1
1
1
1
1
1
1
1
1
1
1
1
1
1
1
1
1
1
1
1
1
1
1
1
1
1
0
1
1
CN1
CN1
Panasonic Factory Solutions Co.,Ltd. パナソニック ファクトリーソリューションズ株式会社
Name
Drawing No.
Loc. No.
F4K1020-05A
1
2 3 4 5 6 7 8
A
B
C
D
E
F
1 2 3 4 5 6 7 8
A
B
C
D
E
F
Page. No.
SQUEEGEE HEAD DIAGRAM SPG
(Regulator)
N610142507+004AB
P004