N7205A101B08_Diagram List_控制線路圖 - 第76页
在线预览 N7205A101B08_Diagram List_控制線路圖 PDF 文档。

2.
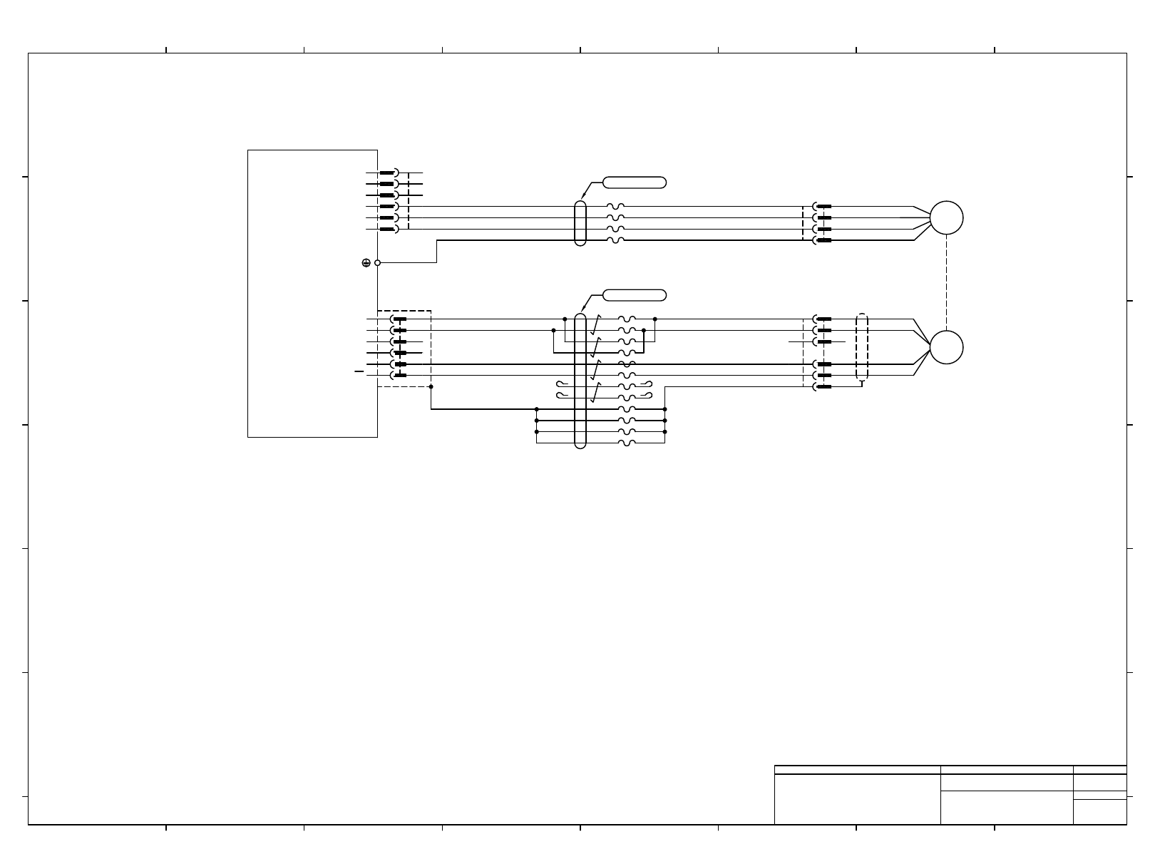
LOAD WIRING DIAGRAM
負荷配線図
2-5 RECOGNITION UNIT WIRING
認識ユニット配線
EJP6AB-10-205-00

カメラX軸モーター
Camera X-Axis Motor
RB1
RB3
RB2
U
V
W
6
5
4
3
2
1
CX-Axis Driver
MADHT1505NA3
PANASONIC
1
2
3
4
172167-1
AMP
4
5
1
2
3
6
172168-1
AMP
E2K405
1.25-M4
JST
GN/YE
X6
1
2
3
4
5
6
SM
SSG
-M405
RD
WH
BK
GN/YE
WH
BK
LB
VT
XB
E5V
E0V
N.C
N.C
PS
PS
-K405
M405P
BM405P
GN/YE
BK
GN
RD
WH
RMFEV(2517) AWG19(0.75)/4C
WH
BU
YE
RD
BN
OG
BK
GN
VT
GY
LB
PK
RMFEV-P(2517) AWG25×4P+AWG30×4C
1
2
3
AMP
XBK405
1-178128-6
4
5
6
4
AMP
M405R
172159-1
3
2
1
6
3
2
AMP
BM405R
172160-1
1
5
4
6
5
4
MOLEX
X6K405
55100-0670
3
2
1
N610142516AA
N610142517AB
UL1007 22AWG (黒) BK
1
1
Panasonic Factory Solutions Co.,Ltd. パナソニック ファクトリーソリューションズ株式会社
Name
Drawing No.
Loc. No.
F4K1020-05A
1
2 3 4 5 6 7 8
A
B
C
D
E
F
1 2 3 4 5 6 7 8
A
B
C
D
E
F
Page. No.
RECOGNITION UNIT DIAGRAM :SPG
(Camera X-Axis Motor)
N610142515+002AB
P002